GM Service Manual Online
For 1990-2009 cars only

Removal Procedure

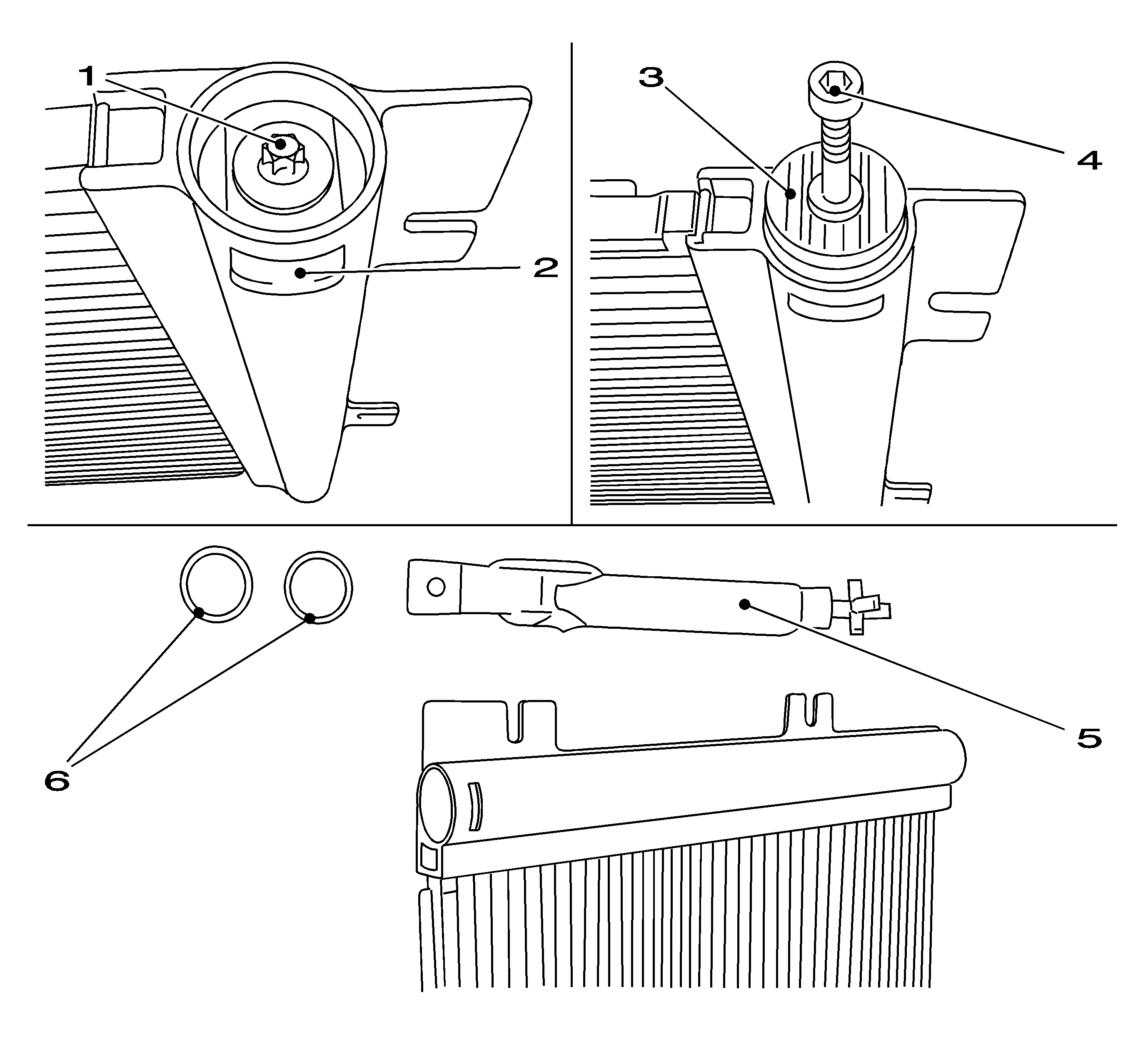
  1. Remove the condenser. Refer to Air Conditioning Condenser Replacement .

  2. Object Number: 1937043  Size: LF
  3. Remove the dryer insert (5).
  4. Remove the cover cap.
  5. Remove the bolt (1).
  6. Remove the retaining plate (2).
  7. Remove the dryer insert cover (3).
  8. If necessary use M6 bolt (4).

    Important: Wet the sealing rings with mineral oil before installation.

  9. Replace the sealing rings (6).

Installation Procedure


    Object Number: 1937537  Size: LH

    Important: Only for vehicles with reduced dryer housing height.

  1. Shorten dryer insert.
  2. Cut the dryer insert at notched point (arrow) using a suitable tool.

  3. Install the dryer insert.
  4. Install the dryer insert cover.
  5. Install the retaining plate.
  6. 4.1. Install the bolt.
    4.2. Attach the cover cap.
  7. Install the condenser. Refer to Air Conditioning Condenser Replacement .