GM Service Manual Online
For 1990-2009 cars only
Makes
🢒
Saturn
🢒
2009
🢒
Astra
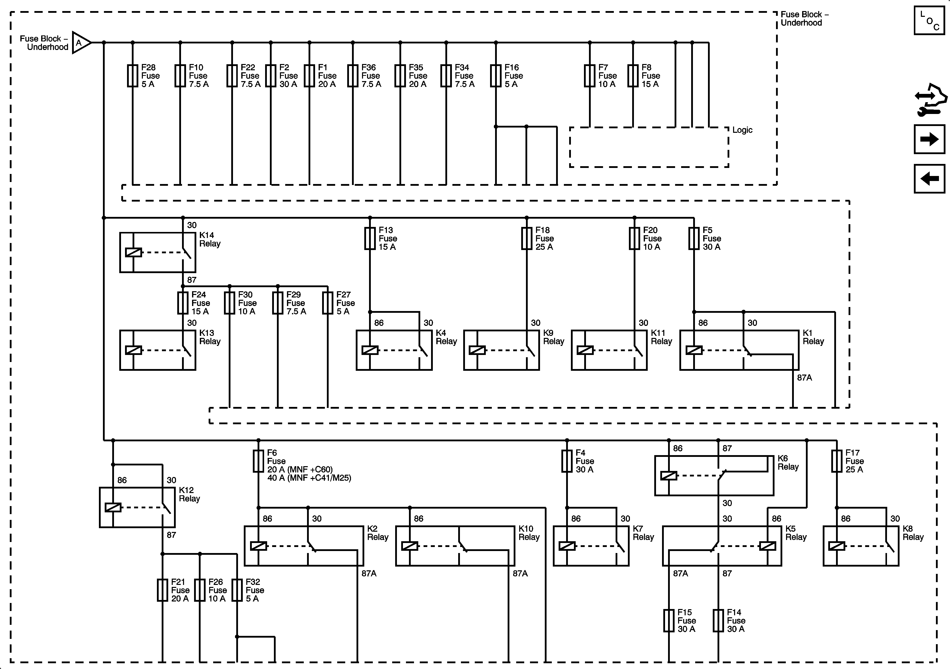
🢒 B+ Bus 2 of 2
B+ Bus 2 of 2
B+ Bus 2 of 2
Master Electrical Component List
Control Module References
Fuse Block - Underhood F34 Fuse and Ignition Switch
B+ Bus 1 of 2
B+ Bus 1 of 2