GM Service Manual Online
For 1990-2009 cars only
Makes
🢒
Saturn
🢒
2009
🢒
Astra
🢒 Engine Mechanical Schematics
Engine Mechanical Schematics
Master Electrical Component List
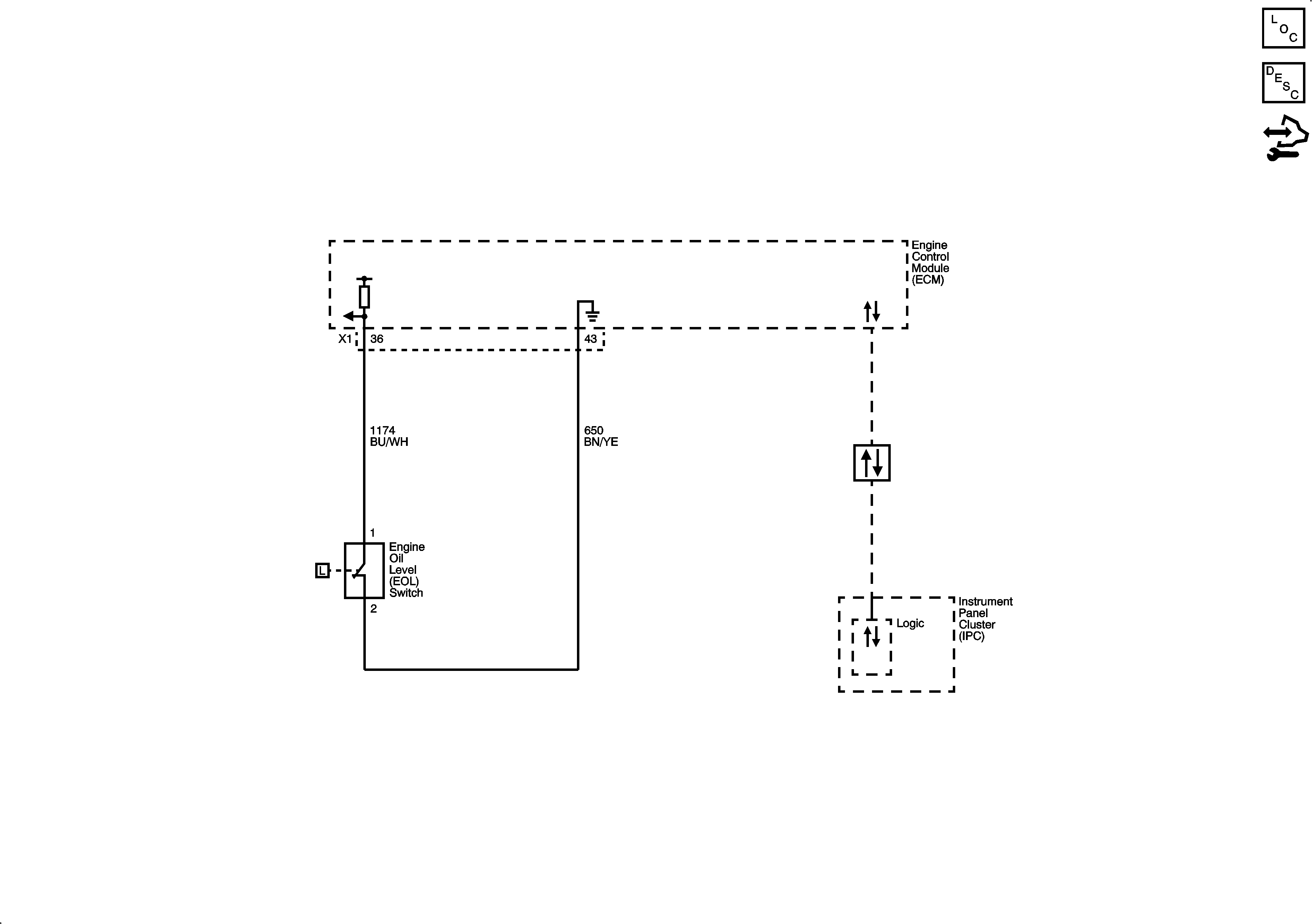
Engine Control Module Description
Control Module References
Power, Ground , Class 2, and GM Low Speed Serial Data (CAN A)