GM Service Manual Online
For 1990-2009 cars only
Makes
🢒
Saturn
🢒
2009
🢒
Astra
🢒 Seat Belt Schematics
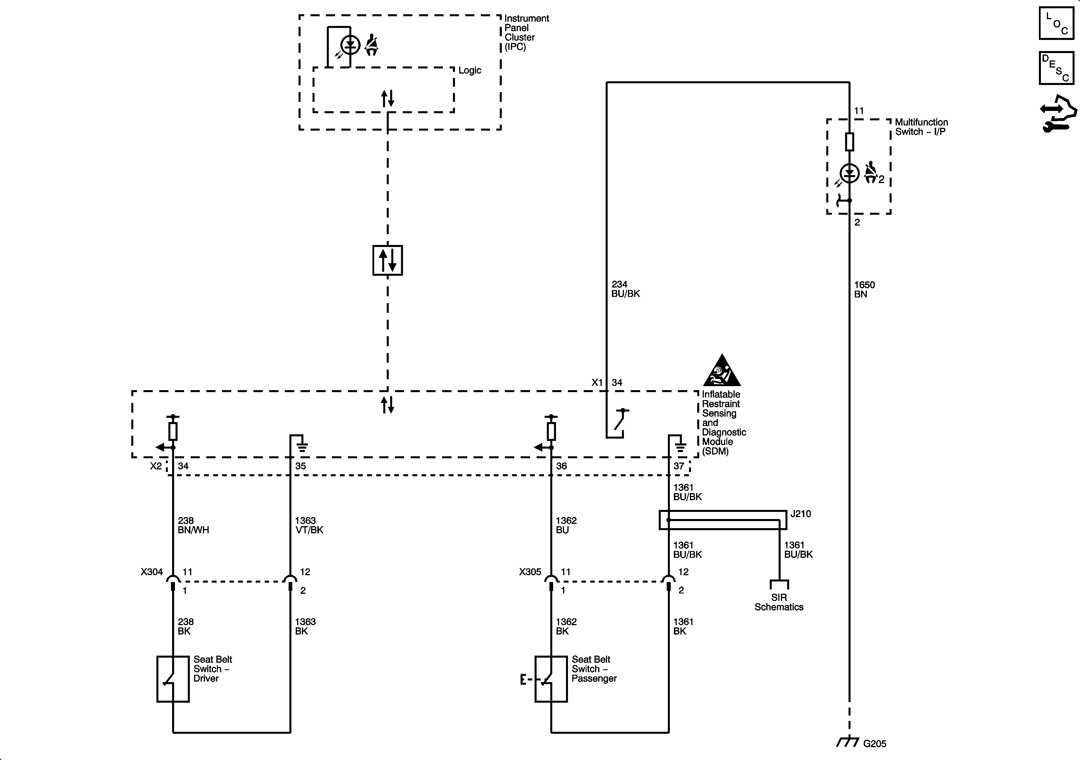
Seat Belt Schematics
Master Electrical Component List
Seat Belt System Description and Operation
Control Module References