GM Service Manual Online
For 1990-2009 cars only

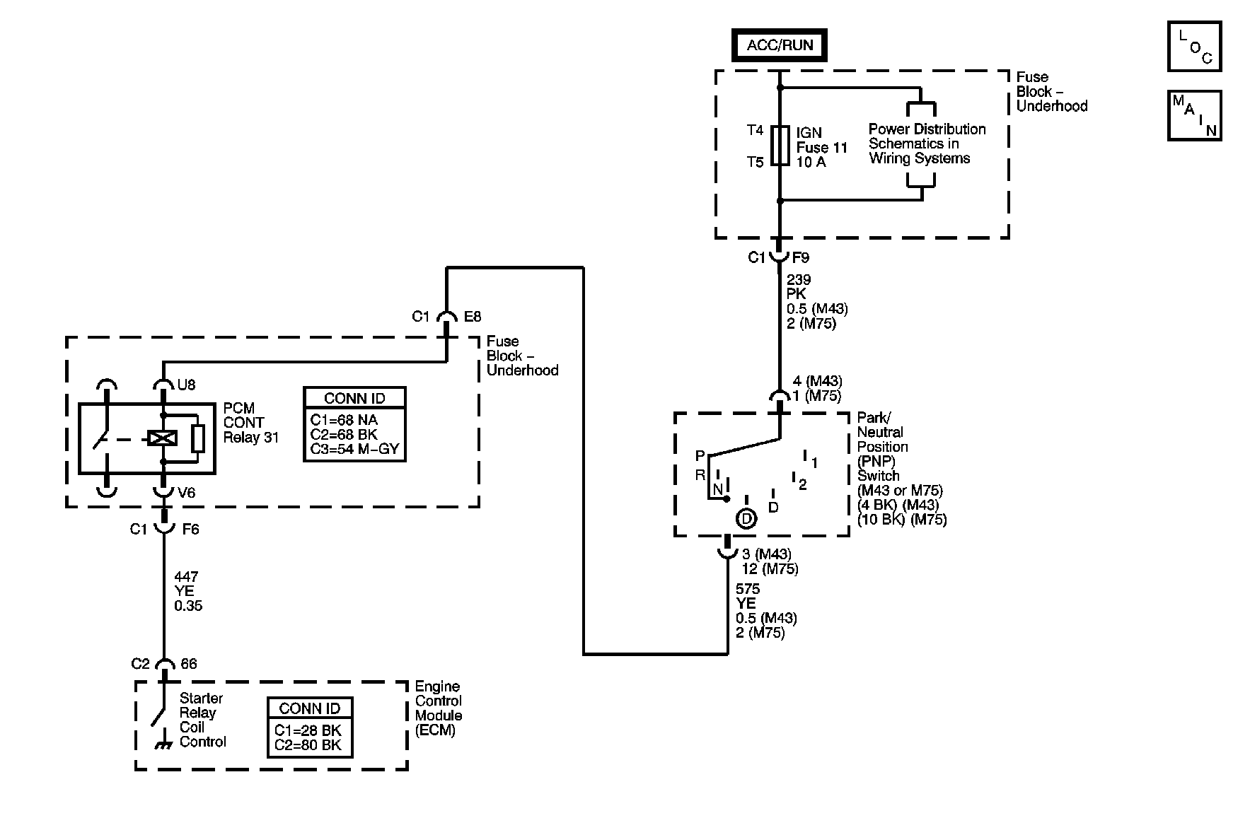
Object Number: 884343  Size: MF
Starting and Charging Schematics
Power and Grounding Component Views
Power Distribution Schematics
Power and Grounding Component Views
Power and Grounding Connector End Views
Automatic Transmission Electronic Component Views
Automatic Transmission Electronic Component Views
Engine Control Module Connector End Views
Engine Controls Component Views

Circuit Description

The ECM supplies a ground path for the starter relay when start enable has been requested. The ECM monitors this circuit for conditions that are incorrect for the commanded state. If the ECM detects an improper circuit condition, starter relay DTC P0616 will set.

Conditions for Running the DTC

    • System voltage is between 8-16 volts.
    • The ignition is in the CRANK position.

Conditions for Setting the DTC

    • The ECM detects an improper voltage level on the output circuit that controls the starter relay.
    • The condition exists for at least 2 seconds.

Action Taken When the DTC Sets

    • The ECM will not illuminate the malfunction indicator lamp (MIL).
    • The ECM will store the conditions present when the DTC set as Fail Records data only.

Conditions for Clearing the MIL/DTC

    • The history DTC will clear after 40 consecutive warm-up cycles have occurred without a malfunction.
    • The DTC can be cleared by using the scan tool Clear DTC Information function.

Step

Action

Yes

No

Connector End View Reference: Master Electrical Component List in Wiring Systems

1

Did you perform the Engine Electrical Diagnostic System Check?

Go to Step 2

Go to Diagnostic System Check - Engine Electrical

2

  1. Install a scan tool.
  2. Operate the vehicle within the conditions for running the DTC as specified in the supporting text.
  3. Using the scan tool, observe the specific DTC Information for DTC P0616 until the test runs.

Does the scan tool indicate that DTC P0616 has passed this ignition cycle?

Go to Testing for Intermittent Conditions and Poor Connections in Wiring Systems

Go to Step 3

3

Test the control circuit of the PCM CONT relay for a short to ground. Refer to Circuit Testing and Wiring Repairs in Wiring Systems.

Did you find and correct the condition?

Go to Step 6

Go to Step 4

4

Inspect for poor connections at the ECM. Refer to Testing for Intermittent Conditions and Poor Connections and Connector Repairs in Wiring Systems.

Did you find and correct the condition?

Go to Step 6

Go to Step 5

5

Important: The replacement ECM must be programmed.

Replace the ECM. Refer to Engine Control Module Replacement in Engine Controls - 2.2L (L61).

Did you complete the replacement?

Go to Step 6

--

6

  1. Review and record the scan tool Fail Records data.
  2. Use the scan tool in order to clear the DTC.
  3. Operate the vehicle within the Conditions for Running the DTC .
  4. Using the scan tool, observe the Specific DTC Information for DTC P0616 until the test runs.

Does the scan tool indicate that DTC P0616 failed this ignition?

Go to Step 2

System OK