GM Service Manual Online
For 1990-2009 cars only

Removal Procedure

  1. Raise and support the vehicle. Refer to Lifting and Jacking the Vehicle in General Information.

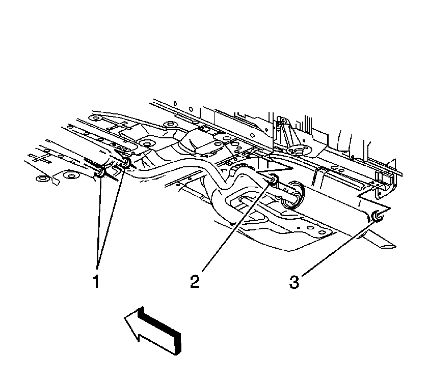
  2. Object Number: 879159  Size: SH
  3. Release the exhaust extension pipe insulators (1, 2) from the underbody hangers.
  4. Release the muffler insulator (3) from the underbody hanger and slowly lower the exhaust to rest on the rear axle beam.

  5. Object Number: 889732  Size: SH
  6. Support the LH side of the fuel tank, just clear of the fuel tank heat shield.
  7. Remove the LH fuel tank strap bolts and the strap.
  8. Using a flat-bladed screwdriver, release the heat shield push-rivet style retainers (1).

  9. Object Number: 889734  Size: SH
  10. Remove the fuel tank heat shield from the vehicle.

Installation Procedure

  1. Carefully install the fuel tank heat shield into position on the fuel tank.
  2. Install the heat shield retainers into position, then press to secure the retainers. Ensure that each of the retainers is fully seated.
  3. Install the LH fuel tank strap and strap bolts.
  4. Notice: Refer to Fastener Notice in the Preface section.

  5. Tighten the fuel tank strap bolts.
  6. Tighten
    Tighten the bolts to 25 N·m (18 lb ft).

  7. Remove the support from the fuel tank.

  8. Object Number: 879159  Size: SH
  9. Raise the exhaust into position and install the muffler insulator (3) to the underbody hanger.
  10. Install the exhaust extension pipe insulators (1, 2) to the underbody hangers.
  11. Lower the vehicle.