GM Service Manual Online
For 1990-2009 cars only
Makes
🢒
Saturn
🢒
2003
🢒
ION
🢒
Transmission/Transaxle
🢒
Automatic Transmission - VT25-E
🢒 Automatic Transmission Controls Schematics
Figure
1:
Module Power, Ground, DLC, PNP Switch Signals, and Message Center Controls
Master Electrical Component List
Transmission General Description
Ratio Control, Sensors, and Solenoids
OBD II Symbol Description Notice
Fuse Block-Underhood Fuses: ABS, ABS1, ABS2, ECM, ECM/TCM, IGN, LH HDLP, PREM AUDIO, RH HDLP, and RUN/CRANK
Fuse Block-Underhood Fuses: BACK UP, TRANS1, and TRANS2
Automatic Transmission Schematic Icons
Data Link Connector (DLC) Schematics
G103, G105, and G109 - Late Production
G103, G105, G107, and G109
G103, G105, and G109 - Late Production
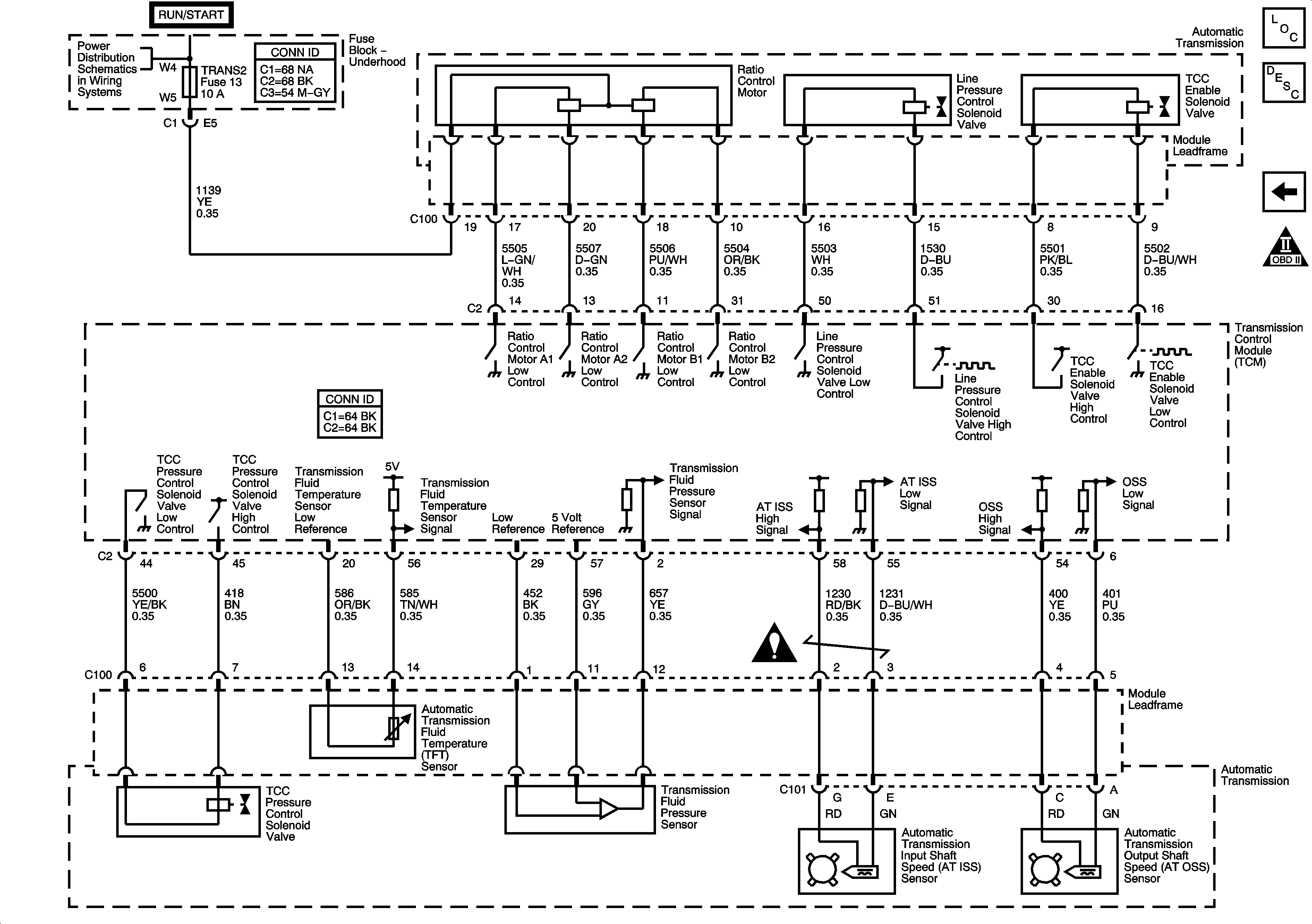
Figure
2:
Ratio Control, Sensors, and Solenoids
Master Electrical Component List
Transmission General Description
Module Power, Ground, DLC, PNP Switch Signals, and Message Center Controls
OBD II Symbol Description Notice
Fuse Block-Underhood Fuses: BACK UP, TRANS1, and TRANS2
Automatic Transmission Schematic Icons