GM Service Manual Online
For 1990-2009 cars only
Makes
🢒
Saturn
🢒
2003
🢒
ION
🢒
HVAC
🢒
HVAC Systems - Manual
🢒 Cellular Communication Component Views
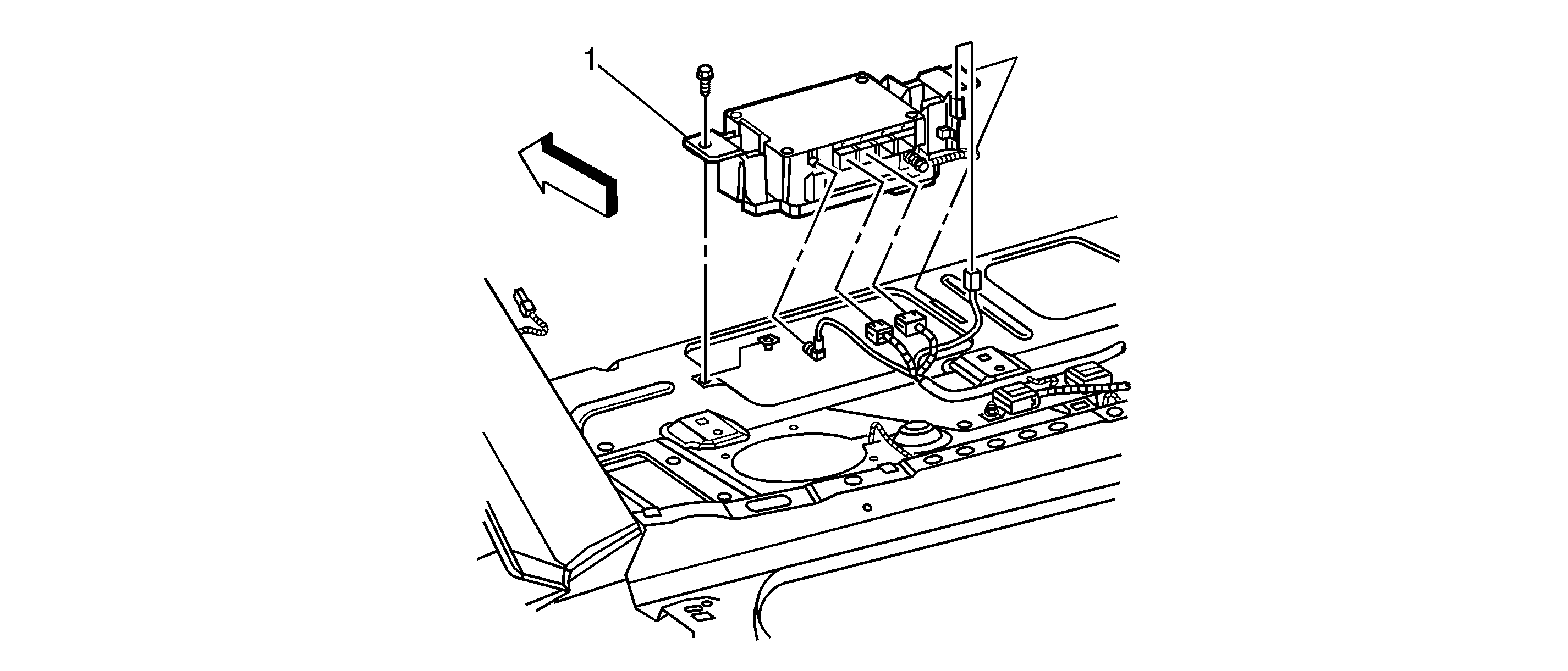
Figure
1:
Left Side of the Rear Window Shelf (UE1)
(1)
Vehicle Communication Interface Module (VCIM)
Figure
2:
Inside Rearview Mirror
(1)
Headlight Sensor (DF5)
(2)
OnStar® Indicator (UE1)
(3)
Emergency Button (UE1)
(4)
OnStar® Call Center Button (UE1)
(5)
OnStar® Microphone (UE1)
(6)
Answer/End Call Button (UE1)
(7)
Inside Rearview Mirror (ISRVM) On./Off Button (DF5)
Figure
3:
Roof
(1)
Digital Radio Antenna (U2K)
(2)
Cellular/Navigation Antenna (UE1)