GM Service Manual Online
For 1990-2009 cars only

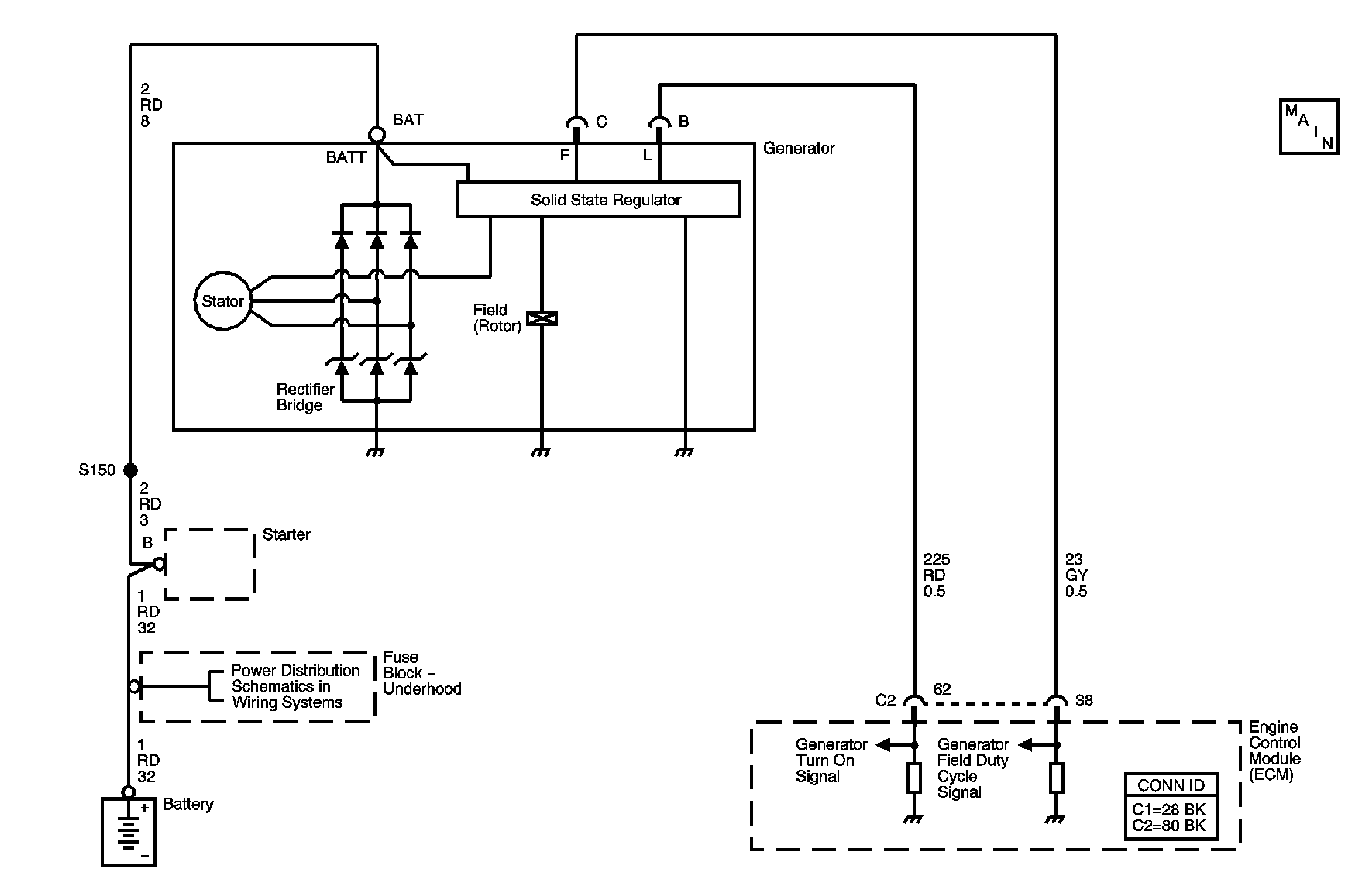
Object Number: 884346  Size: MF
Starting and Charging Schematics
Power and Grounding Component Views
Power Distribution Schematics
Engine Control Module Connector End Views
Engine Controls Component Views

Circuit Description

The ECM uses the generator field duty cycle signal circuit to monitor the duty cycle of the generator. The generator field duty cycle signal circuit connects to the high side of the field winding in the generator. A pulse width modulated (PWM) high side driver in the voltage regulator turns the field winding ON and OFF. The ECM uses the PWM signal input to determine the generator load on the engine. This allows the ECM to adjust the idle speed to compensate for high electrical loads.

The ECM monitors the state of the generator field duty cycle signal circuit. When the key is in the RUN position and the engine is OFF, the ECM should detect a duty cycle near 0 percent. However, when the engine is running, the duty cycle should be between 5 percent and 100 percent. The ECM monitors the PWM signal , if the ECM detects an out of range PWM signal, DTC P0622 will set. When the DTC sets, the ECM will send a class 2 serial data message to the IPC to illuminate the charge indicator.

Conditions for Running the DTC

Key ON Test

    • No generator, CKP sensors, or CMP sensor DTCs are set.
    • The key is in the RUN position.
    • The engine is not running.

Run Test

    • No generator, CKP sensors, or CMP sensor DTCs are set.
    • The engine speed is less than 3000 RPM.

Conditions for Setting the DTC

    • During the key ON test, the ECM detects a PWM signal greater than 65 percent for at least 5 seconds.
        OR
    • During the RUN test, the ECM detects a PWM signal less than 5 percent for at least 15 seconds.

Action Taken When the DTC Sets

    • The ECM sends a class 2 message to the IPC to illuminate the charge indicator.
    • The ECM will not illuminate the malfunction indicator lamp (MIL).
    • The ECM will store the conditions present when the DTC set as Fail Records data only.

Conditions for Clearing the MIL/DTC

    • The history DTC will clear after 40 consecutive warm-up cycles have occurred without a malfunction.
    • The DTC can be cleared by using the scan tool Clear DTC Information function.

Step

Action

Value(s)

Yes

No

Connector End View Reference: Engine Electrical Connector End Views or Engine Control Module Connector End Views in Engine Controls - 2.2L (L61)

1

Did you perform the Engine Electrical Diagnostic System Check?

--

Go to Step 2

Go to Diagnostic System Check - Engine Electrical

2

  1. Install a scan tool.
  2. Start the engine.
  3. With a scan tool, observe the GEN - F Terminal parameter in the ECM data list .

Does the scan tool indicate that the GEN - F Terminal parameter is within the specified range?

5-95%

Go to Step 3

Go to Step 4

3

With the scan tool command the generator OFF.

Does the GEN - F Terminal signal parameter change?

--

Go to Testing for Intermittent Conditions and Poor Connections in Wiring Systems

Go to Step 4

4

  1. Turn OFF the ignition.
  2. Disconnect the generator harness connector.
  3. Connect test lamp to battery positive voltage.
  4. Turn ON the ignition, with the engine OFF.
  5. Probe the F-Terminal in the generator connector.
  6. Observe the GEN - F Terminal Signal parameter in the ECM data list.

Is the GEN - F Terminal Signal parameter near the specified value?

100%

Go to Charging System Test

Go to Step 5

5

Test the generator field duty cycle signal circuit for a short or open. Refer to Circuit Testing and Wiring Repairs in Wiring Systems.

Did you find and correct the condition?

--

Go to Step 8

Go to Step 6

6

Inspect for poor connections at the harness connector of the ECM. Refer to Connector Repairs in Wiring Systems.

Did you find and correct the condition?

--

Go to Step 8

Go to Step 7

7

Important: The replacement ECM must be programmed.

Replace the ECM. Refer to Engine Control Module Replacement in Engine Controls - 2.2L (L61).

Did you complete the replacement?

--

Go to Step 8

--

8

  1. Review and record the scan tool Fail Records data.
  2. Clear any DTCs.
  3. Operate the vehicle within the Fail Records conditions as noted.
  4. Using a scan tool, monitor the Specific DTC info for this DTC.

Does the scan tool indicate that this DTC failed this ignition?

--

Go to Step 2

System OK