GM Service Manual Online
For 1990-2009 cars only

    Object Number: 1381507  Size: SH
  1. Remove the evaporative emission (EVAP) tube and EVAP valve.

  2. Object Number: 1339289  Size: SH
  3. Remove the throttle body bolts.
  4. Remove the throttle body and gasket.

  5. Object Number: 1381509  Size: SH
  6. Remove the boost solenoid bracket nut. Place the boost solenoid, bracket, and hose out of the way.

  7. Object Number: 1381511  Size: SH
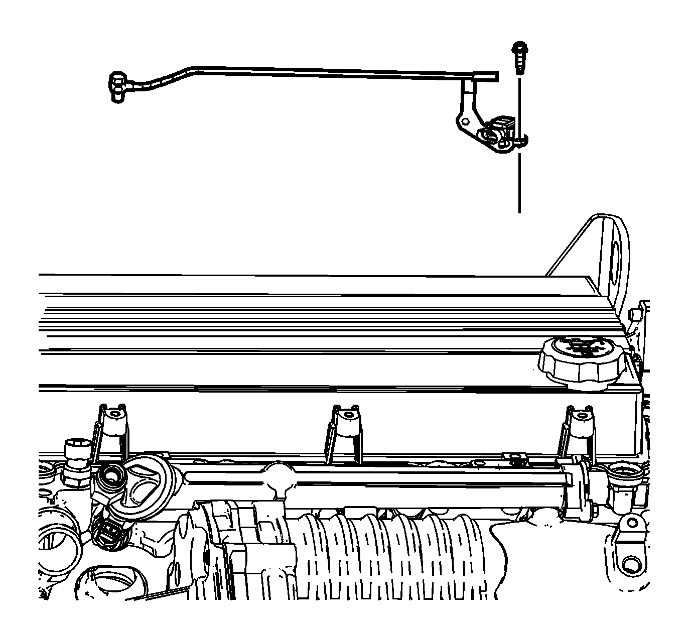
  8. Remove the fuel rail feed line and injector harness bracket nut.
  9. Remove the fuel rail feed line and injector harness bracket.

  10. Object Number: 1381512  Size: SH
  11. Remove the barometric pressure sensor and coolant return line bolt.
  12. Remove the barometric pressure sensor and coolant return line.

  13. Object Number: 1381514  Size: SH
  14. Remove the fuel rail studs.
  15. Remove the fuel rail and injector cups.

  16. Object Number: 1381509  Size: SH
  17. Remove the boost solenoid bracket nut.
  18. Remove the boost solenoid, bracket, and hoses.

  19. Object Number: 1339285  Size: SH
  20. Remove the supercharger bolts.
  21. Remove the supercharger.
  22. Remove the supercharger gasket.