GM Service Manual Online
For 1990-2009 cars only
Figure 1:

G101 - Early Production


Object Number: 1255304  Size: FS
Master Electrical Component List
G101 - Late Production
Figure 2:

G101 - Late Production


Object Number: 1430006  Size: FS
Master Electrical Component List
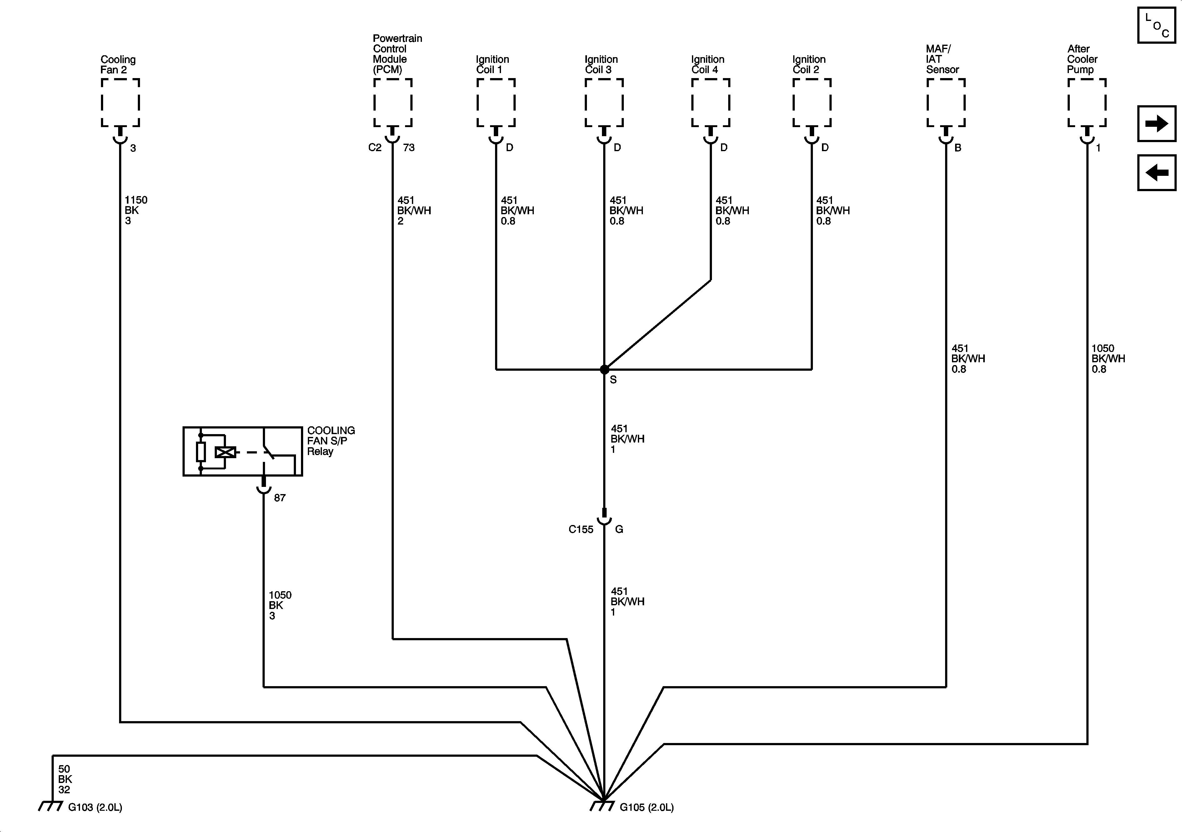
G103(2.0L), G105(2.0L)
G101 - Early Production
Figure 3:

G103 and G105 - 2.0L


Object Number: 1374708  Size: FS
Master Electrical Component List
G103 (2.2L), G105 (2.2L), G109
G101 - Late Production
Figure 4:

G103 (2.2L), G105 (2.2L), and G109


Object Number: 1255305  Size: FS
Master Electrical Component List
G201
G103(2.0L), G105(2.0L)
Figure 5:

G201


Object Number: 1255306  Size: FS
Master Electrical Component List
G203
G103 (2.2L), G105 (2.2L), G109
SIR Caution for Zoning
Figure 6:

G203


Object Number: 1255307  Size: FS
Master Electrical Component List
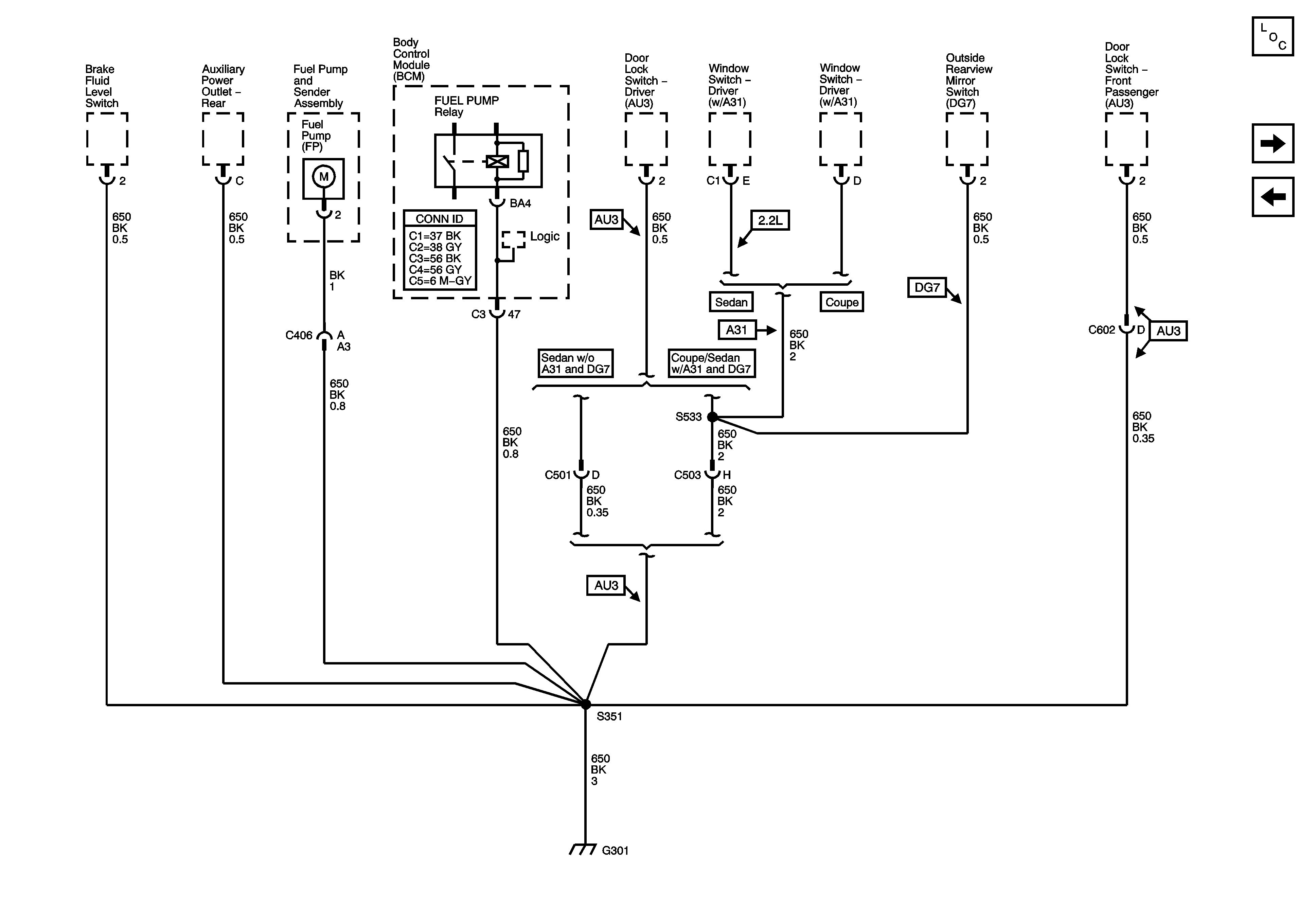
G301
G201
SIR Caution for Zoning
Figure 7:

G301


Object Number: 1255308  Size: FS
Master Electrical Component List
G401 - Early Production
G203
Figure 8:

G401 - Early Production


Object Number: 1255309  Size: FS
Master Electrical Component List
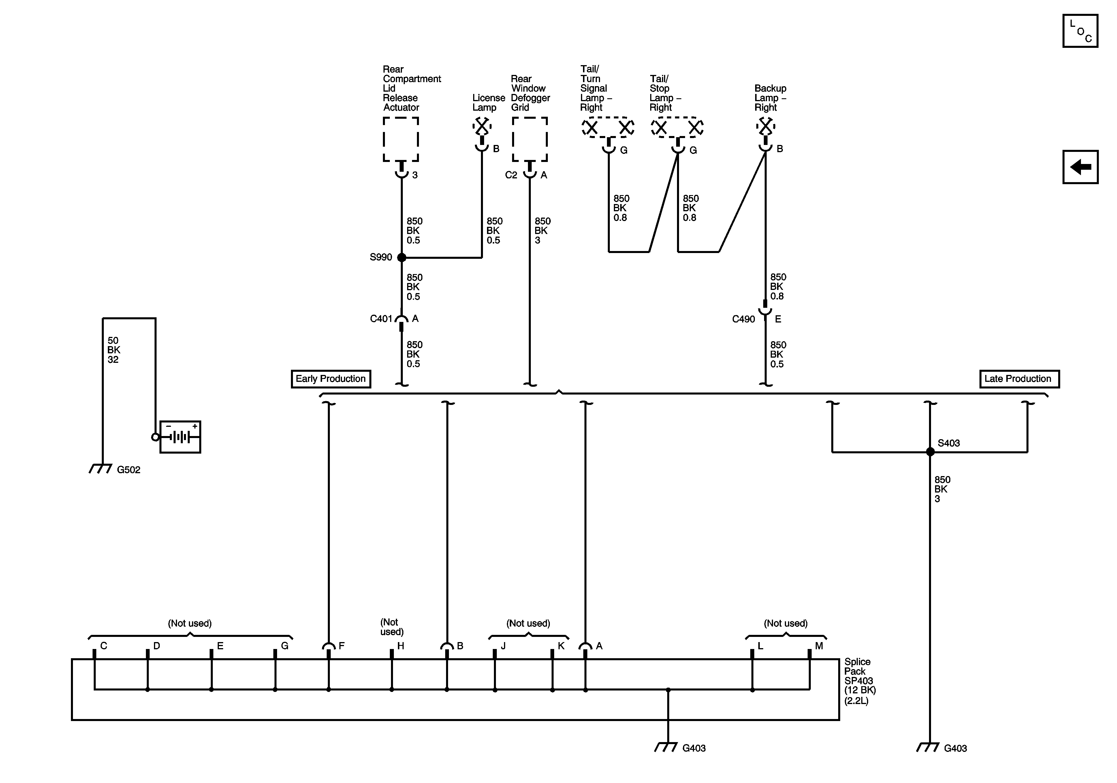
G401 - Late Production
G301
Figure 9:

G401 - Late Production


Object Number: 1430010  Size: FS
Master Electrical Component List
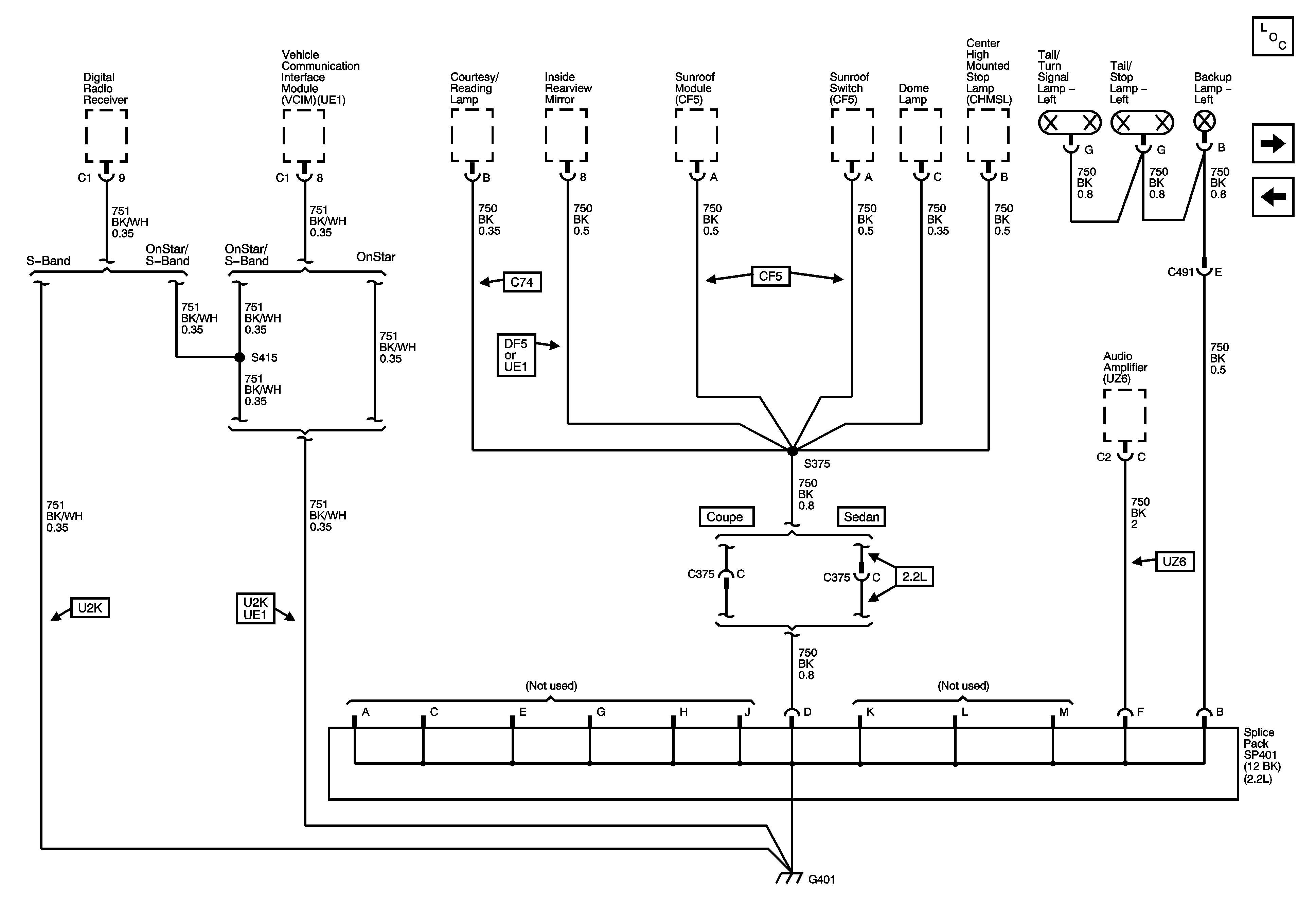
G403 and G502
G401 - Early Production
Figure 10:

G403 and G502


Object Number: 1430013  Size: FS
Master Electrical Component List
G401 - Early Production