GM Service Manual Online
For 1990-2009 cars only
Figure 1:

Park Lamps - Early Production


Object Number: 1255435  Size: FS
Master Electrical Component List
Exterior Lighting Systems Description and Operation
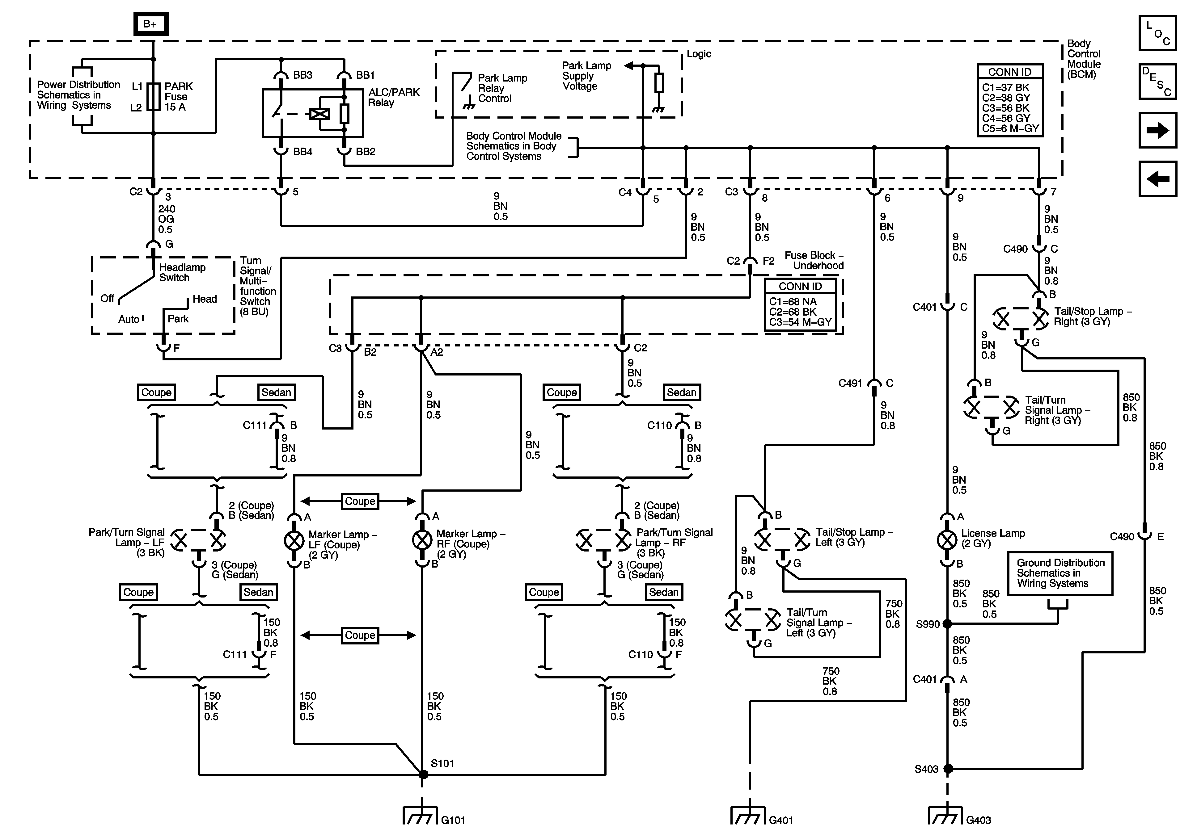
Parking Lamps - Late Production
Fuse Block - Underhood Fuses: IPBATT1, IPBATT1A, BCM Fuses: (BCM (PWR), DASH, Lighter, Onstar, Park, PWR Outlet, PWR Windows, Radio (ACC), Radio (BATT1), Sunroof, and Wiper Sw
Subsystem Reference to Entertainment and Lighting
G403 and G502
G101 - Early Production
G403 and G502
G101 - Early Production
G401 - Early Production
G403 and G502
Figure 2:

Park Lamps - Late Production


Object Number: 1430022  Size: FS
Master Electrical Component List
Exterior Lighting Systems Description and Operation
Turn/Hazard Lamps
Parking Lamps - Early Production
Fuse Block - Underhood Fuses: IPBATT1, IPBATT1A, BCM Fuses: (BCM (PWR), DASH, Lighter, Onstar, Park, PWR Outlet, PWR Windows, Radio (ACC), Radio (BATT1), Sunroof, and Wiper Sw
Subsystem Reference to Entertainment and Lighting
G403 and G502
G101 - Late Production
G401 - Late Production
G403 and G502
Figure 3:

Turn/Hazard Lamps


Object Number: 1255437  Size: FS
Master Electrical Component List
Exterior Lighting Systems Description and Operation
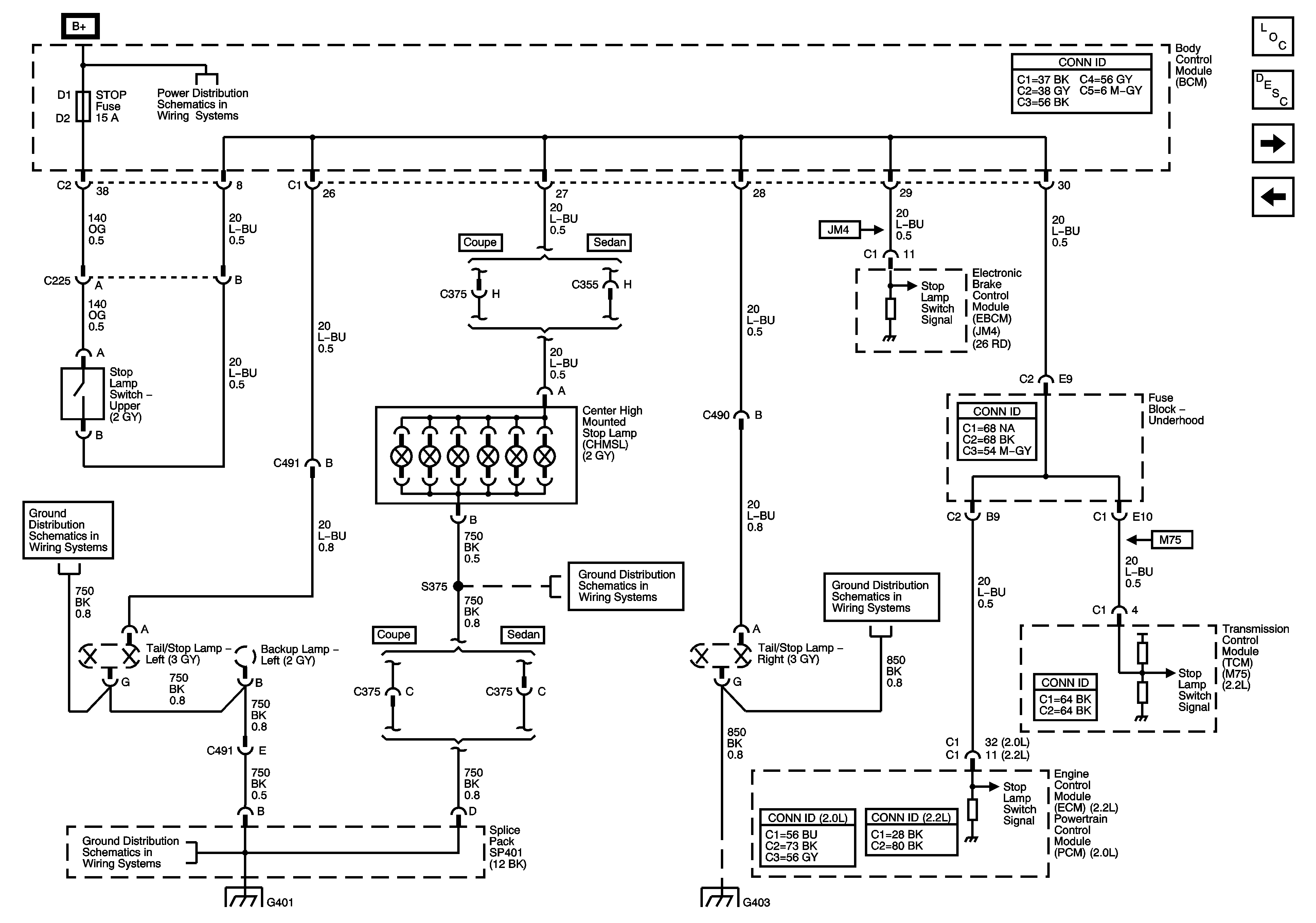
Stop Lamps - Early Production
Parking Lamps - Late Production
Interior Lights Dimming Schematics
G203
G201
G101 - Early Production
G101 - Late Production
G401 - Early Production
G401 - Late Production
G403 and G502
Figure 4:

Stop Lamps - Early Production


Object Number: 1255439  Size: FS
Master Electrical Component List
Exterior Lighting Systems Description and Operation
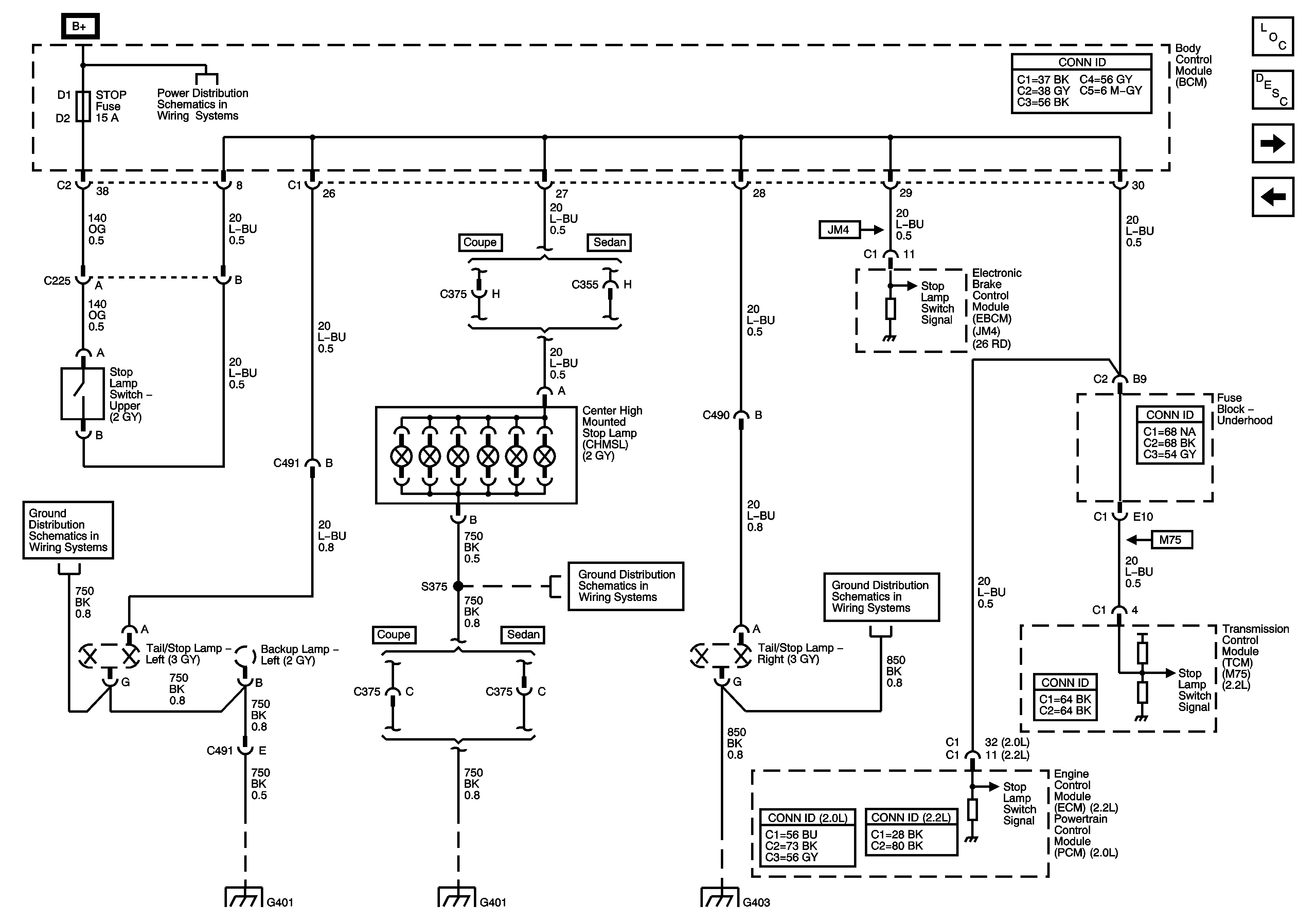
Stop Lamps - Late Production
Turn/Hazard Lamps
Fuse Block - Underhood Fuses: IPBATT2 and RUN (IGN3) BCM Fuses: BCM Elect, Cluster, Fuel Pump, HVAC, IGN SW, and Stop
G401 - Early Production
G401 - Early Production
G403 and G502
G401 - Early Production
G401 - Early Production
G403 and G502
Figure 5:

Stop Lamps - Late Production


Object Number: 1430040  Size: FS
Master Electrical Component List
Exterior Lighting Systems Description and Operation
Backup Lamps
Stop Lamps - Early Production
Fuse Block - Underhood Fuses: IPBATT2 and RUN (IGN3) BCM Fuses: BCM Elect, Cluster, Fuel Pump, HVAC, IGN SW, and Stop
G401 - Late Production
G401 - Late Production
G403 and G502
G401 - Late Production
G401 - Late Production
G403 and G502
Figure 6:

Backup Lamps


Object Number: 1255443  Size: FS
Master Electrical Component List
Exterior Lighting Systems Description and Operation
Stop Lamps - Late Production
Fuse Block - Underhood Fuses: Backup, TRANS1, TRANS2
G401 - Early Production
G401 - Late Production
G403 and G502
G401 - Early Production
G401 - Late Production
G403 and G502