GM Service Manual Online
For 1990-2009 cars only
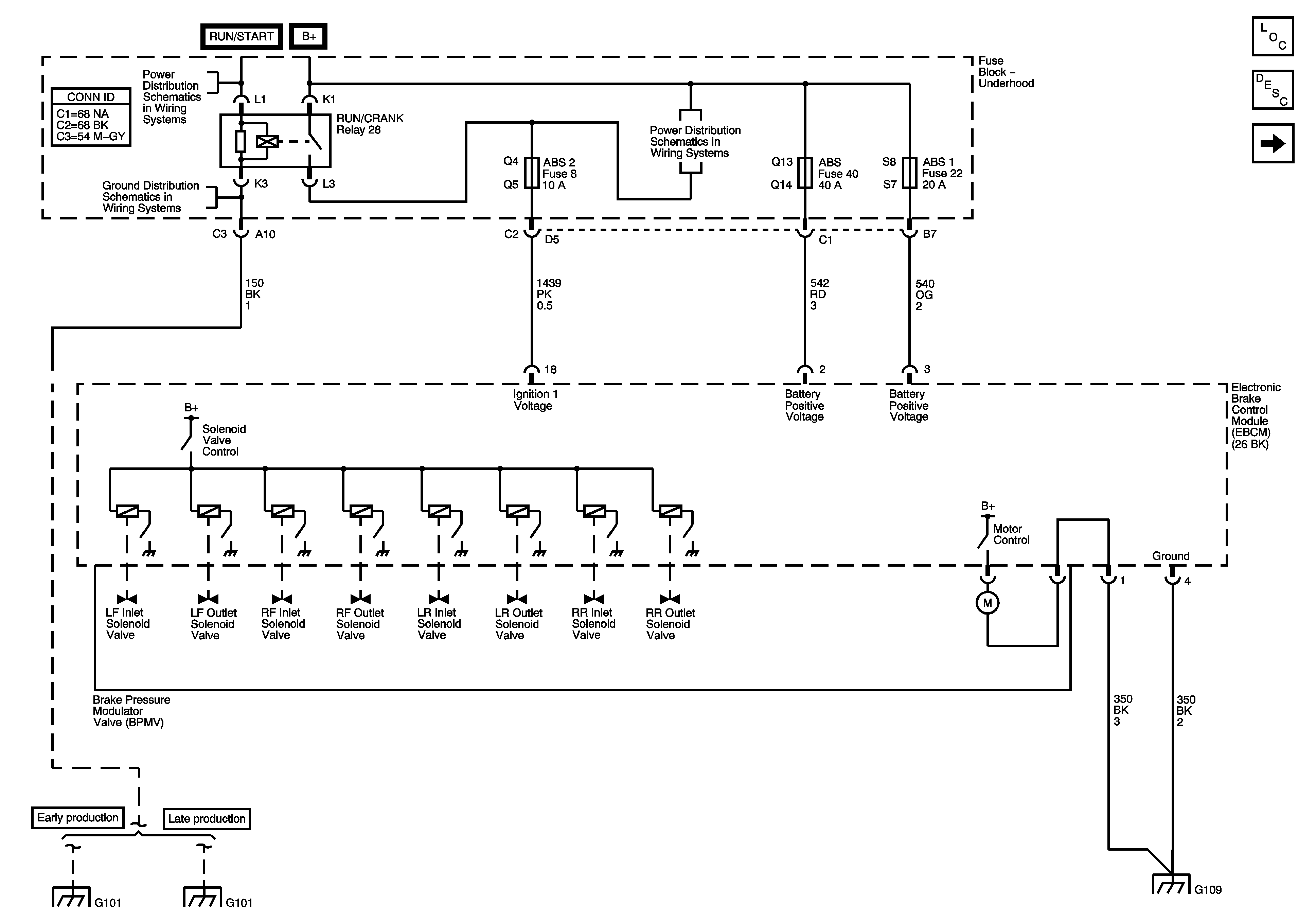
Figure 1:

Power, Ground, and BPMV Controls


Object Number: 1255352  Size: FS
Master Electrical Component List
ABS Description and Operation
Traction Control, DLC, and Indicators
Ignition Switch
G101 - Early Production
Fuse Block - Underhood Fuses: ABS, ABS1, ABS2, ECM, ECM/TCM, IGN, LH HDLP, Prem Audio, RH HDLP, Run/Crank
G101 - Early Production
G101 - Late Production
G103 (2.2L), G105 (2.2L), G109
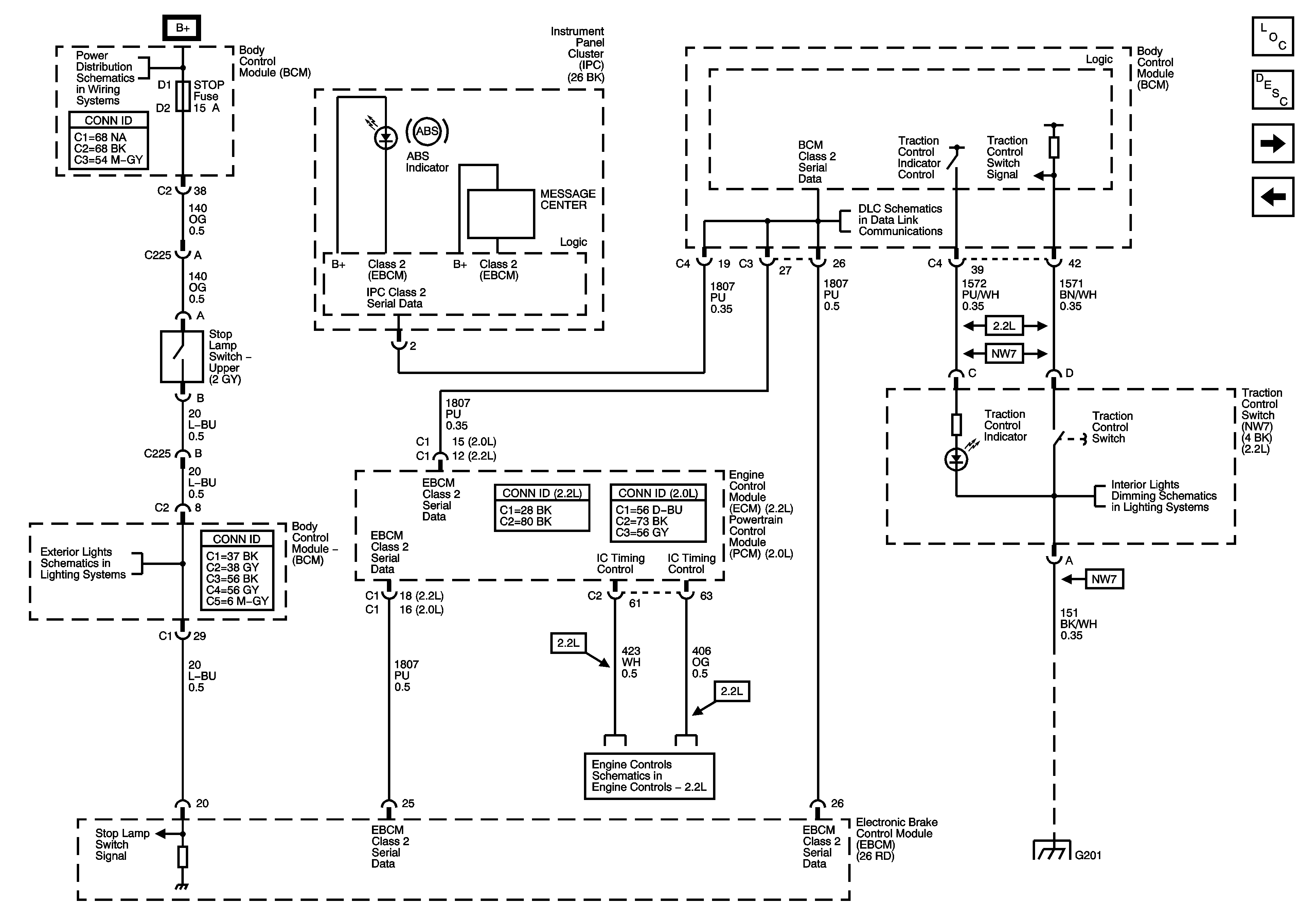
Figure 2:

Traction Control, DLC, and Indicators


Object Number: 1255353  Size: FS
Master Electrical Component List
ABS Description and Operation
Wheel Speed Sensors
Power, Ground, and BPMV Controls
Fuse Block - Underhood Fuses: IPBATT2 and RUN (IGN3) BCM Fuses: BCM Elect, Cluster, Fuel Pump, HVAC, IGN SW, and Stop
Data Link Communication Schematics
Interior Lights Dimming Schematics
Stop Lamps - Early Production
Ignition Controls
G201
Figure 3:

Wheel Speed Sensors


Object Number: 1255354  Size: FS
Master Electrical Component List
ABS Description and Operation
Traction Control, DLC, and Indicators
Antilock Brake System Schematic Icons
Antilock Brake System Schematic Icons
Antilock Brake System Schematic Icons
Antilock Brake System Schematic Icons