GM Service Manual Online
For 1990-2009 cars only
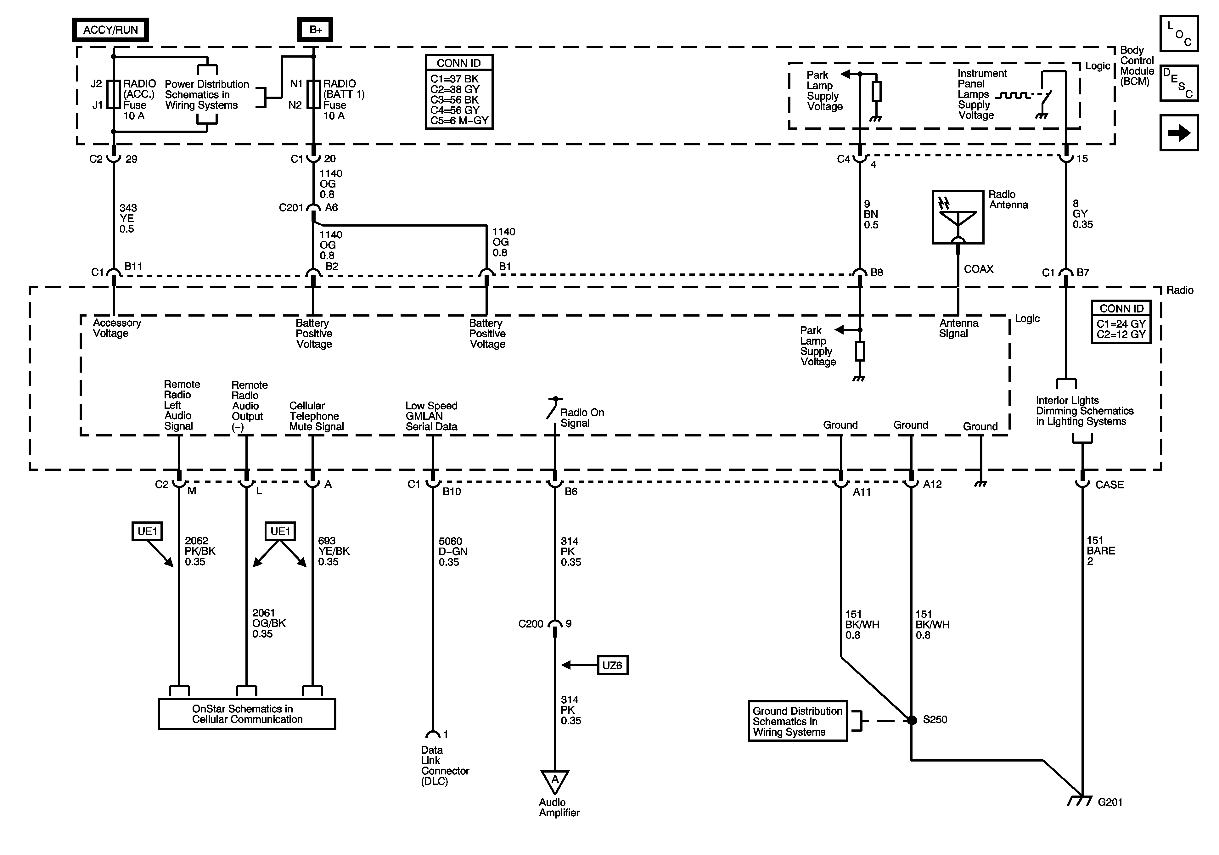
Figure 1:

Ground, Power, Signals, and References to Cellular Communications and Lighting


Object Number: 1255396  Size: FS
Master Electrical Component List
Radio/Audio System Description and Operation
Speakers - U79 or UX7
Fuse Block - Underhood Fuses: IPBATT1, IPBATT1A, BCM Fuses: (BCM (PWR), DASH, Lighter, Onstar, Park, PWR Outlet, PWR Windows, Radio (ACC), Radio (BATT1), Sunroof, and Wiper Sw
Interior Lights Dimming Schematics
OnStar Schematics
Radio to Amplifier to Speakers - UZ6
G201
G201
Figure 2:

Radio to Speakers - U79 or UX7


Object Number: 1255397  Size: FS
Master Electrical Component List
Radio/Audio System Description and Operation
Radio to Amplifier to Speakers - UZ6
Ground, Power, Signals, and References to Cellular Communication and Lighting
Entertainment Schematic Icons
Entertainment Schematic Icons
Entertainment Schematic Icons
Entertainment Schematic Icons
Figure 3:

Radio to Amplifier to Speakers - UZ6


Object Number: 1255399  Size: FS
Master Electrical Component List
Radio/Audio System Description and Operation
Digital Radio Receiver to Radio
Speakers - U79 or UX7
Fuse Block - Underhood Fuses: ABS, ABS1, ABS2, ECM, ECM/TCM, IGN, LH HDLP, Prem Audio, RH HDLP, Run/Crank
Ground, Power, Signals, and References to Cellular Communication and Lighting
Entertainment Schematic Icons
Entertainment Schematic Icons
Entertainment Schematic Icons
Entertainment Schematic Icons
Entertainment Schematic Icons
Entertainment Schematic Icons
G401 - Early Production
Figure 4:

Digital Radio Receiver


Object Number: 1257722  Size: FS
Master Electrical Component List
Radio/Audio System Description and Operation
Radio to Amplifier to Speakers - UZ6
Fuse Block - Underhood Fuses: IPBATT1, IPBATT1A, BCM Fuses: (BCM (PWR), DASH, Lighter, Onstar, Park, PWR Outlet, PWR Windows, Radio (ACC), Radio (BATT1), Sunroof, and Wiper Sw
Fuse Block - Underhood Fuses: IPBATT1, IPBATT1A, BCM Fuses: (BCM (PWR), DASH, Lighter, Onstar, Park, PWR Outlet, PWR Windows, Radio (ACC), Radio (BATT1), Sunroof, and Wiper Sw
Entertainment Schematic Icons
G401 - Early Production
G401 - Early Production