GM Service Manual Online
For 1990-2009 cars only
Makes
🢒
Saturn
🢒
2004
🢒
ION
🢒
Transmission/Transaxle
🢒
Automatic Transmission - VT25-E
🢒 Automatic Transmission Controls Schematics
Figure
1:
Module Power, Ground, DLC, PNP Switch Signals, and Message Center Controls
Master Electrical Component List
Transmission Component and System Description
Ratio Control, Sensors, and Solenoids
OBD II Symbol Description Notice
Fuse Block - Underhood Fuses: IPBATT2 and RUN (IGN3) BCM Fuses: BCM Elect, Cluster, Fuel Pump, HVAC, IGN SW, and Stop
Traction Control, DLC, and Indicators
Fuse Block - Underhood Fuses: ABS, ABS1, ABS2, ECM, ECM/TCM, IGN, LH HDLP, Prem Audio, RH HDLP, Run/Crank
Fuse Block - Underhood Fuses: Backup, TRANS1, TRANS2
Stop Lamps - Early Production
Stop Lamp Switch
Stop Lamp Switch
Automatic Transmission Schematic Icons
Data Link Communication Schematics
G103 (2.2L), G105 (2.2L), G109
G103 (2.2L), G105 (2.2L), G109
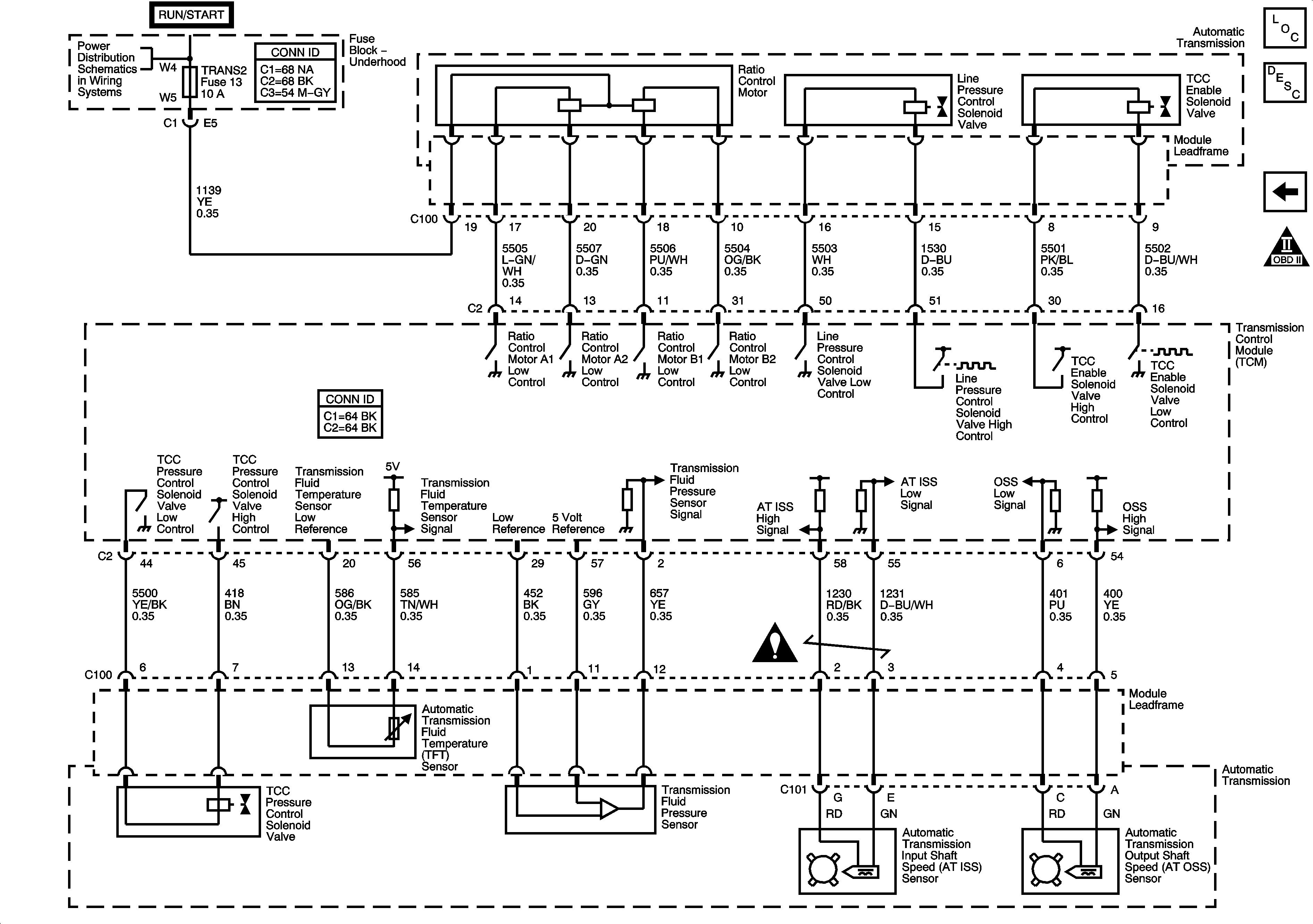
Figure
2:
Ratio Control, Sensors, and Solenoids
Master Electrical Component List
Transmission Component and System Description
Module Power, Ground, DLC, PNP Switch Signals, and Message Center Controls
OBD II Symbol Description Notice
Fuse Block - Underhood Fuses: Backup, TRANS1, TRANS2
Automatic Transmission Schematic Icons