GM Service Manual Online
For 1990-2009 cars only
Makes
🢒
Saturn
🢒
2004
🢒
ION
🢒
Preface
🢒
Cautions and Notices
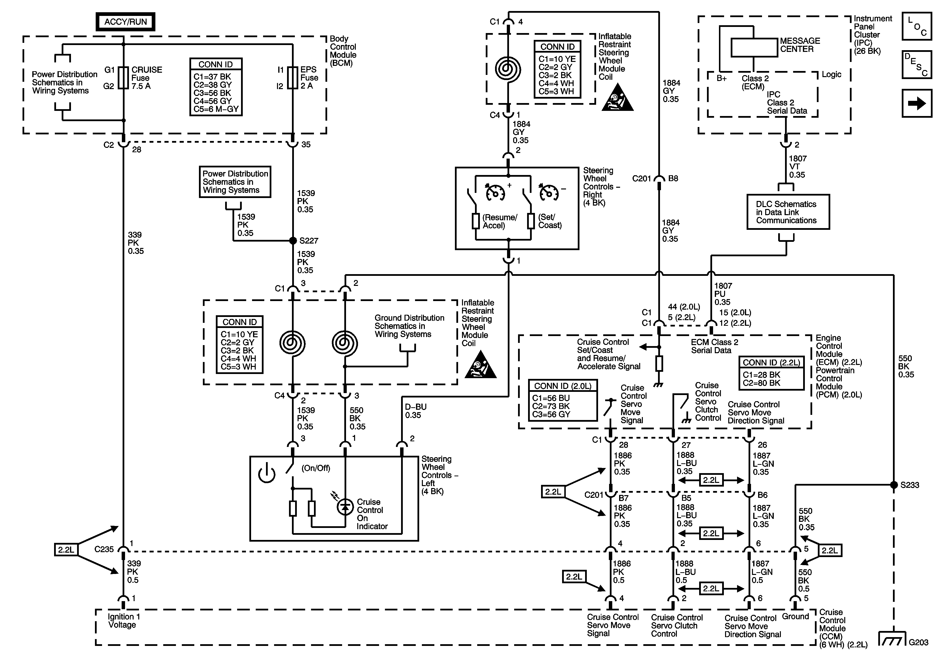
🢒 Cruise Control Schematics
Figure
1:
Driver Controls
Master Electrical Component List
Cruise Control Description and Operation 2.2L
Stop Lamp Switch
Fuse Block - Underhood Fuses: ERLS and Injectors, BCM Fuses: Air Bag, EPS
Fuse Block - Underhood Fuses: ERLS and Injectors, BCM Fuses: Air Bag, EPS
SIR Caution for Zoning
Data Link Communication Schematics
G203
SIR Caution for Zoning
G203
Figure
2:
Stop Lamp Switches
Master Electrical Component List
Cruise Control Description and Operation 2.2L
Ground, Power, and Steering Wheel
Fuse Block - Underhood Fuses: ERLS and Injectors, BCM Fuses: Air Bag, EPS
Fuse Block - Underhood Fuses: IPBATT2 and RUN (IGN3) BCM Fuses: BCM Elect, Cluster, Fuel Pump, HVAC, IGN SW, and Stop
Traction Control, DLC, and Indicators
Stop Lamps - Early Production
Module Power, Ground, DLC, PNP Switch Signals, and Message Center Controls
Ignition Controls