GM Service Manual Online
For 1990-2009 cars only

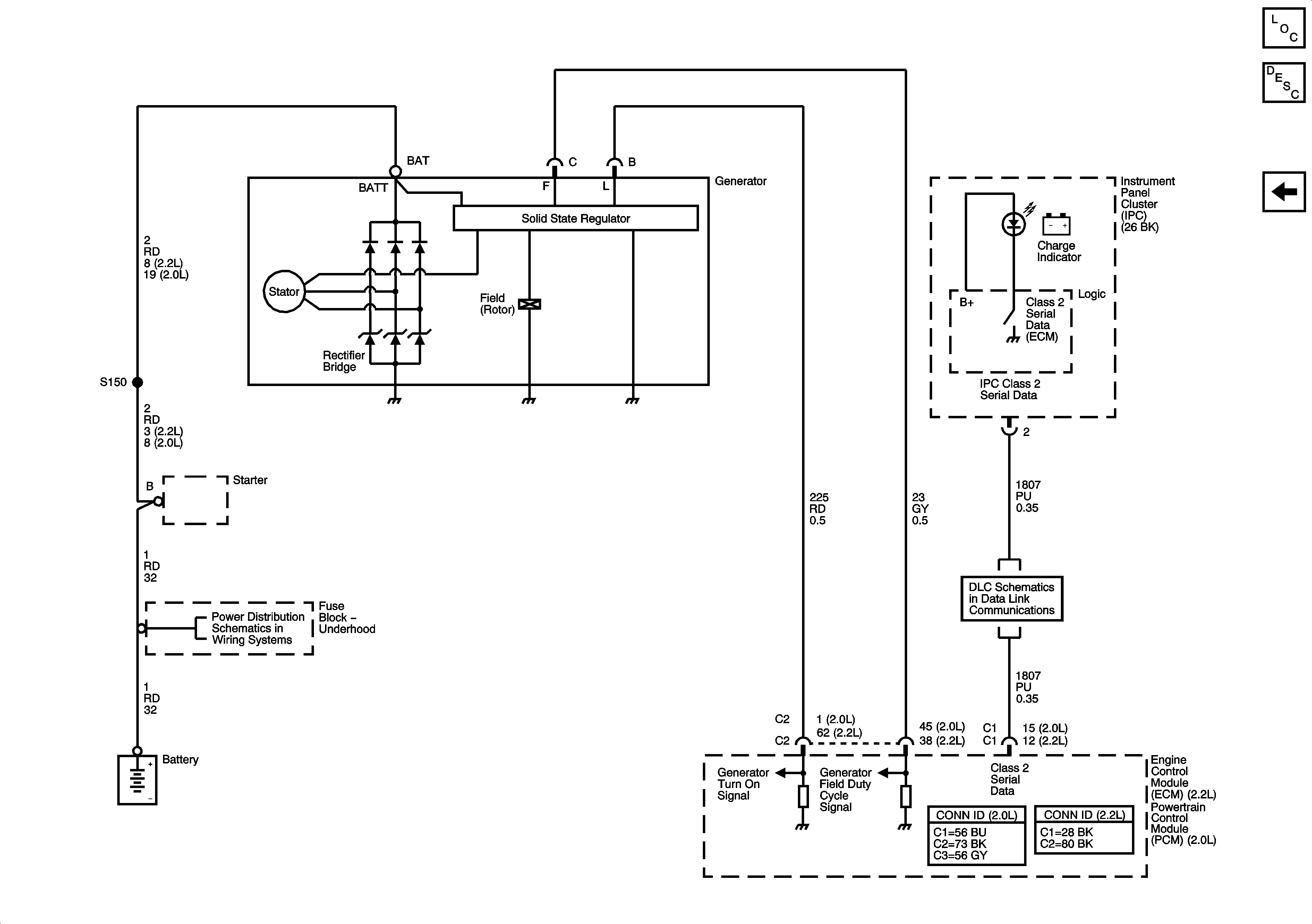
Charging

Charging


Object Number: 1255317  Size: FS
Master Electrical Component List
Charging System Description and Operation
Starting - Late Production
Fuse Block - Underhood BUS
Data Link Communication Schematics