GM Service Manual Online
For 1990-2009 cars only
Makes
🢒
Saturn
🢒
2004
🢒
ION
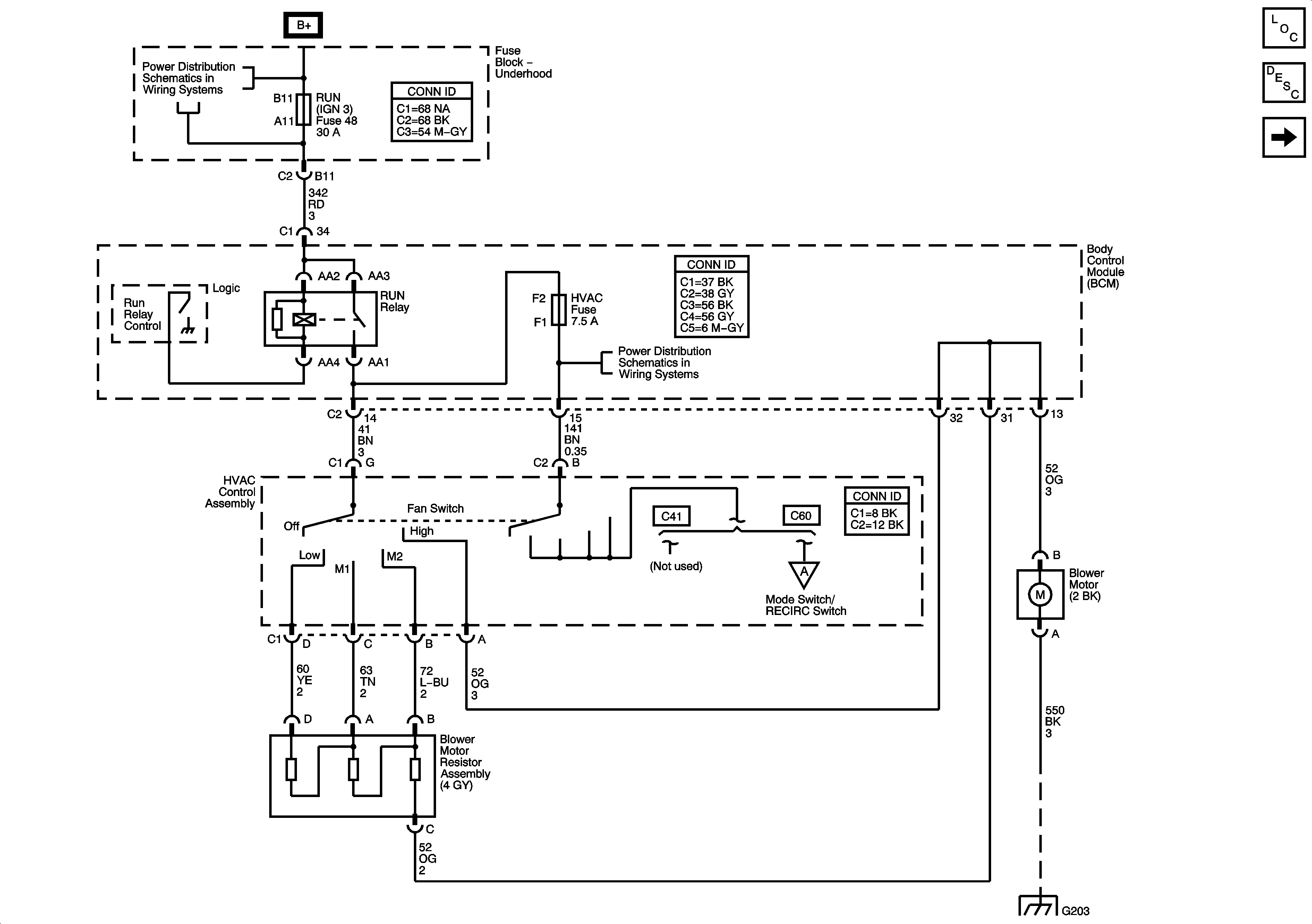
🢒 Blower Controls
Blower Controls
Blower Controls
Master Electrical Component List
Air Delivery Description and Operation
A/C Compressor Controls (C60)
Fuse Block - Underhood Fuses: IPBATT2 and RUN (IGN3) BCM Fuses: BCM Elect, Cluster, Fuel Pump, HVAC, IGN SW, and Stop
Fuse Block - Underhood Fuses: IPBATT2 and RUN (IGN3) BCM Fuses: BCM Elect, Cluster, Fuel Pump, HVAC, IGN SW, and Stop
Air Recirculation Controls (C60)
G203