GM Service Manual Online
For 1990-2009 cars only
Makes
🢒
Saturn
🢒
2004
🢒
ION
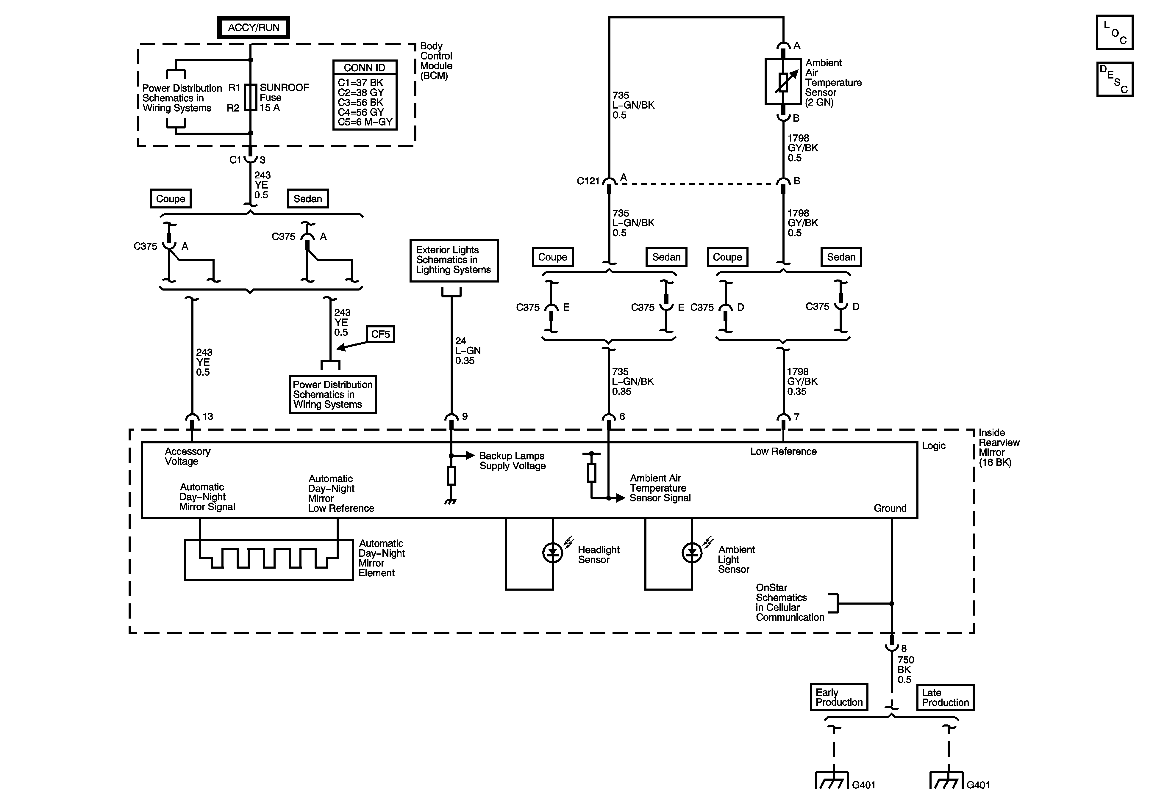
🢒 Inside Rearview Mirror
Inside Rearview Mirror
Master Electrical Component List
Automatic Day-Night Mirror Description and Operation
Fuse Block - Underhood Fuses: IPBATT1, IPBATT1A, BCM Fuses: (BCM (PWR), DASH, Lighter, Onstar, Park, PWR Outlet, PWR Windows, Radio (ACC), Radio (BATT1), Sunroof, and Wiper Sw
Backup Lamps
Fuse Block - Underhood Fuses: IPBATT1, IPBATT1A, BCM Fuses: (BCM (PWR), DASH, Lighter, Onstar, Park, PWR Outlet, PWR Windows, Radio (ACC), Radio (BATT1), Sunroof, and Wiper Sw
OnStar Schematics
G401 - Early Production
G401 - Late Production