GM Service Manual Online
For 1990-2009 cars only
Makes
🢒
Saturn
🢒
2004
🢒
ION
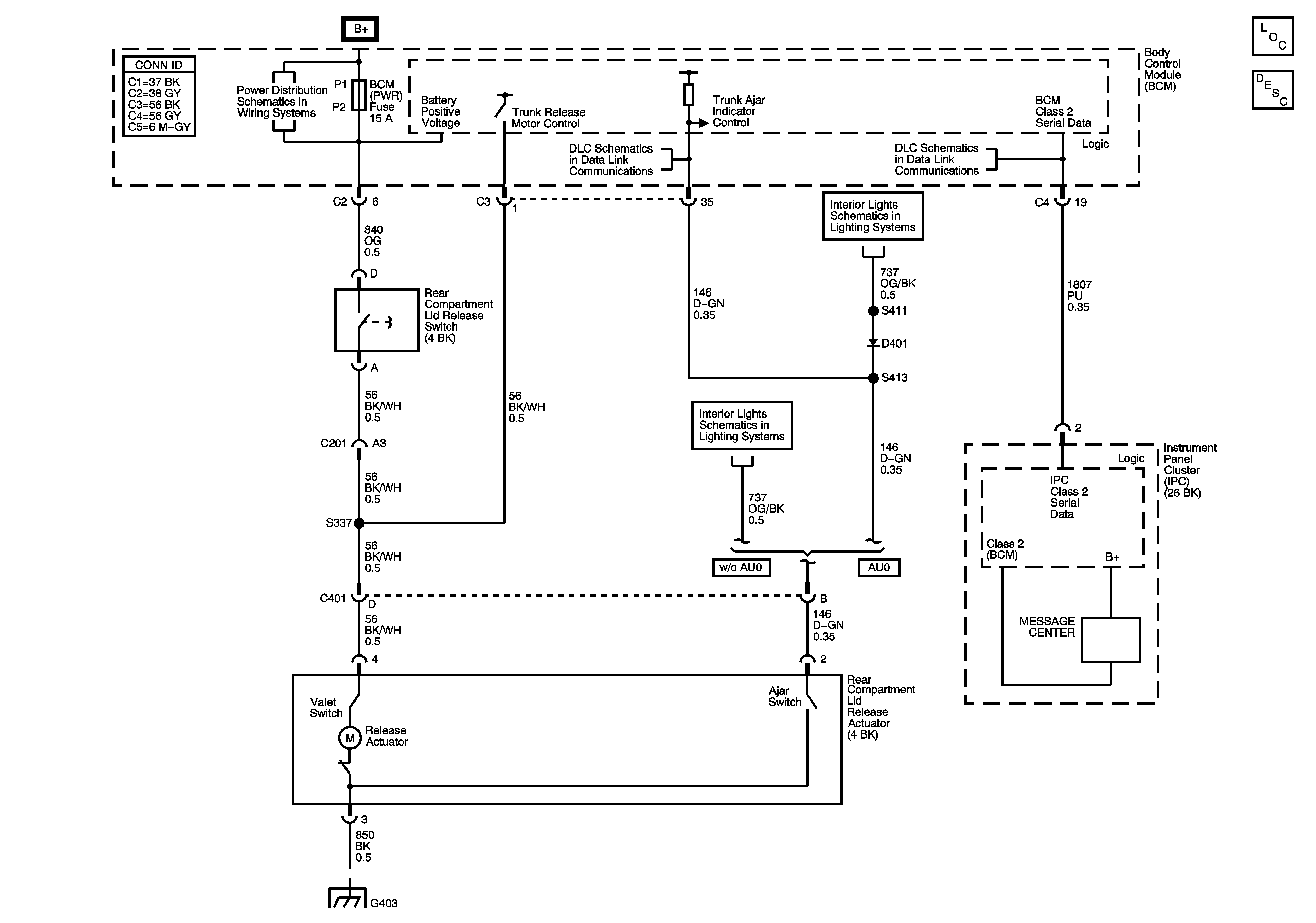
🢒 Body Rear End Schematics
Body Rear End Schematics
Master Electrical Component List
Luggage Compartment Description and Operation
Fuse Block - Underhood Fuses: IPBATT1, IPBATT1A, BCM Fuses: (BCM (PWR), DASH, Lighter, Onstar, Park, PWR Outlet, PWR Windows, Radio (ACC), Radio (BATT1), Sunroof, and Wiper Sw
Data Link Communication Schematics
Data Link Communication Schematics
Interior Lights Schematics
Interior Lights Schematics
G403 and G502