GM Service Manual Online
For 1990-2009 cars only
Makes
🢒
Saturn
🢒
2004
🢒
ION
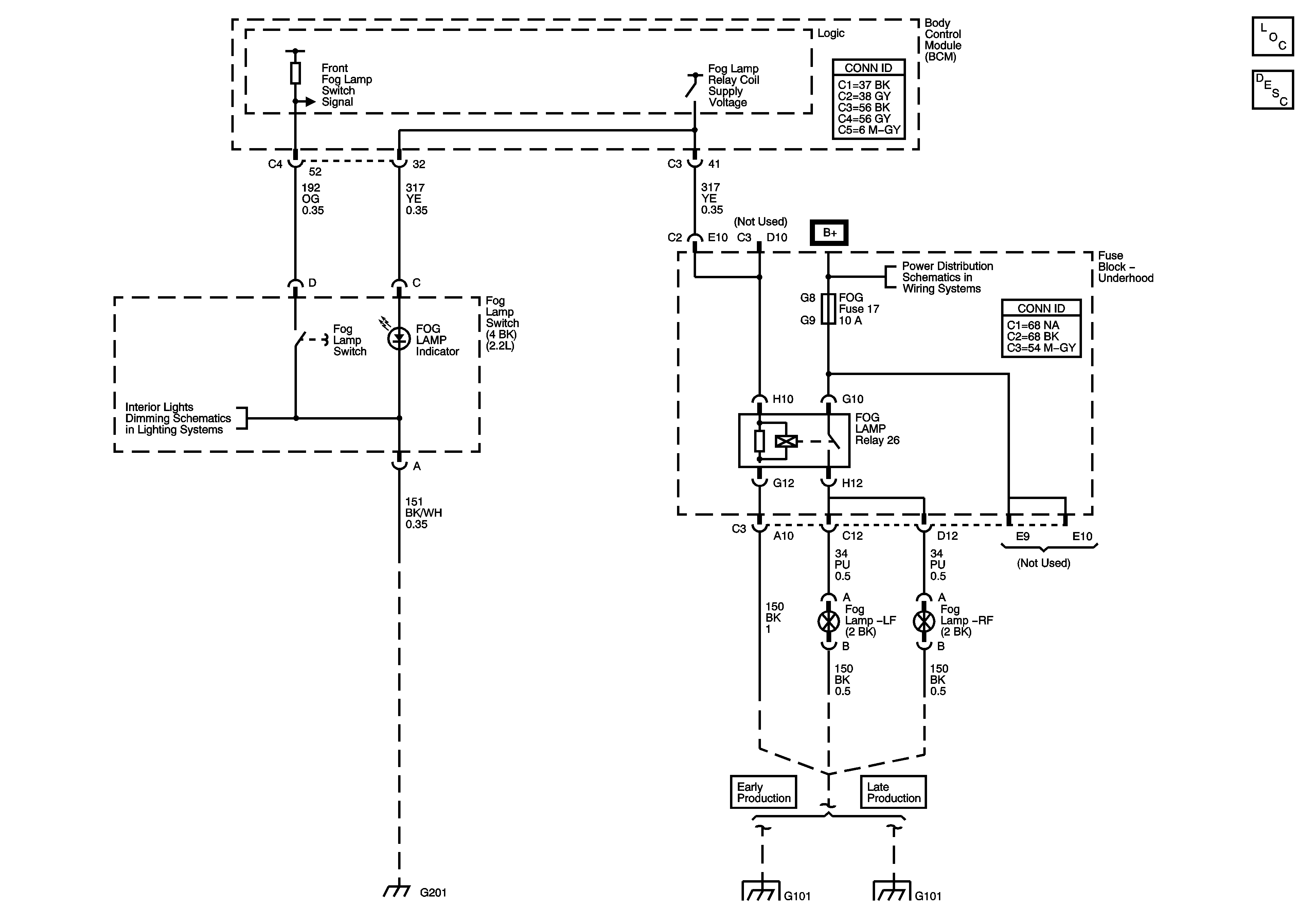
🢒 Fog Lights Schematics
Fog Lights Schematics
Master Electrical Component List
Exterior Lighting Systems Description and Operation
Interior Lights Dimming Schematics
Fuse Block - Underhood BUS
G201
G101 - Early Production
G101 - Late Production