GM Service Manual Online
For 1990-2009 cars only

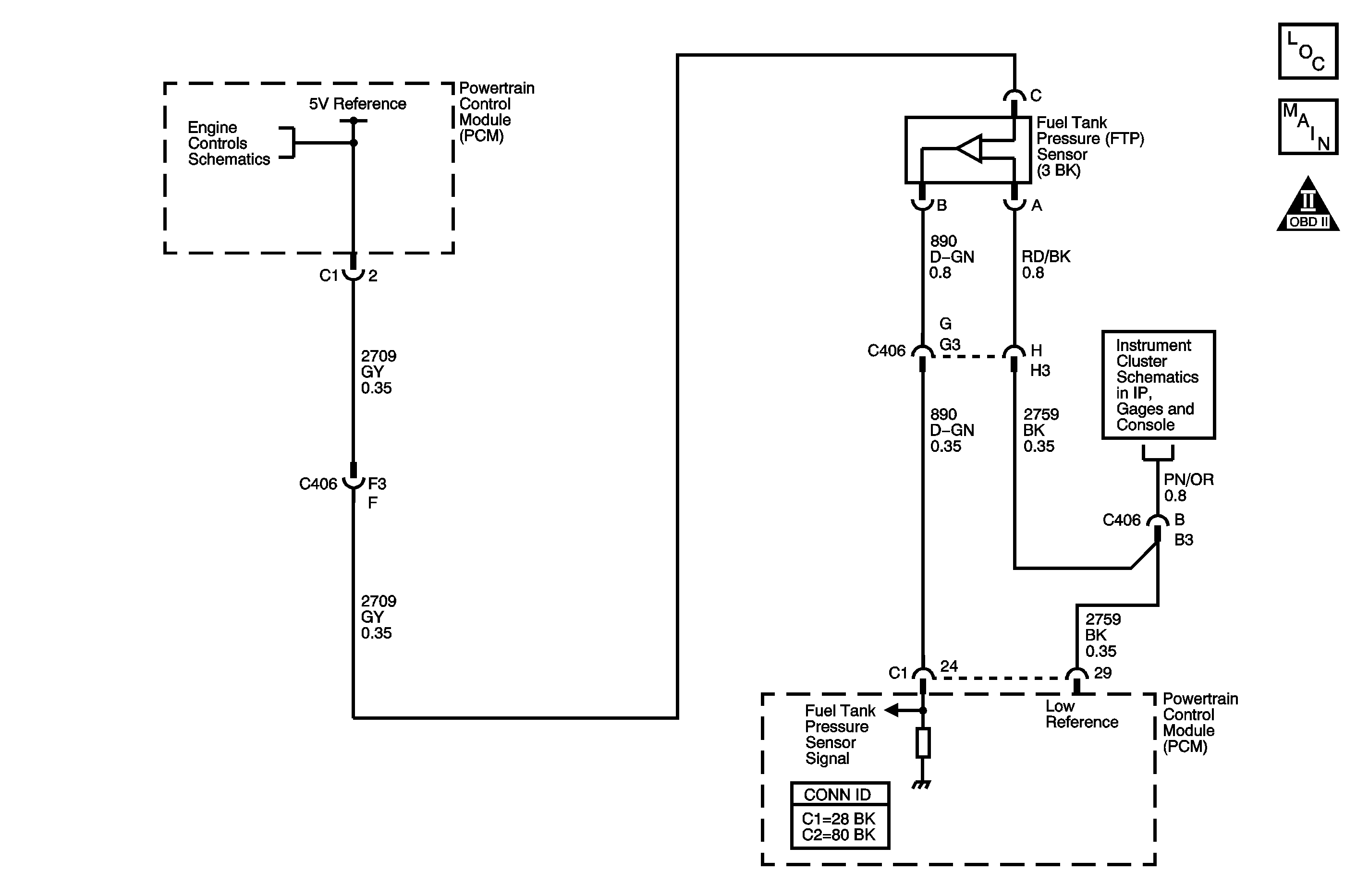
Object Number: 1397294  Size: MF

System Description

The control module tests the evaporative emission (EVAP) system for a large leak. The control module monitors the fuel tank pressure (FTP) sensor signal to determine the EVAP system vacuum level. When the conditions for running are met, the control module commands the EVAP canister purge solenoid valve OPEN and the EVAP vent solenoid valve CLOSED . This allows engine vacuum to enter the EVAP system. At a calibrated time, or vacuum level, the control module commands the EVAP canister purge solenoid valve closed, sealing the system, and monitors the FTP sensor input in order to determine the EVAP system vacuum level. If the system is unable to achieve the calibrated vacuum level, or the vacuum level decreases too rapidly, this DTC sets.

The following table illustrates the relationship between the ON and OFF states, and the OPEN or CLOSED states of the EVAP canister purge and vent solenoid valves.

Control Module Command

EVAP Canister Purge Solenoid Valve

EVAP Canister Vent Solenoid Valve

ON

Open

Closed

OFF

Closed

Open

DTC Descriptor

This diagnostic supports the following DTC:

DTC P0455 Evaporative Emission (EVAP) System Large Leak

Conditions for Running the DTC

    • Before the PCM can report DTC P0455 failed, DTCs P0443, P0446, P0449, P0452, P0453, and P0496 must run and pass.
    • DTCs P0030, P0036, P0068, P0069, P0095, P0096, P0097, P0098, P0106, P0107, P0108, P0112, P0113, P0117, P0118, P0120, P0121, P0125, P0128, P0130, P0131, P0132, P0133, P0134, P0135, P0136, P0137, P0138, P0140, P0141, P0220, P0442, P0443, P0449, P0452, P0453, P0502, P0562, P0563, P0641, P0651, P1133, P1134 are not set.
    • The engine is running.
    • The ignition voltage is between 11-18 volts.
    • The barometric pressure (BARO) is more than 74 kPa.
    • The fuel level is between 15-85 percent.
    • The start-up engine coolant temperature (ECT) is between 4-65°C (39-149°F).
    • The start-up intake air temperature (IAT) is between 4-75°C (39-167°F).
    • The start-up ECT and IAT are within 8°C (16°F) of each other.
    • DTC P0455 runs once per cold start drive cycle once the above conditions are met.

Conditions For Setting the DTC

The EVAP system is not able to achieve or maintain vacuum during the diagnostic test for up to 13 minutes.

Action Taken When the DTC Sets

    • The control module illuminates the malfunction indicator lamp (MIL) on the second consecutive ignition cycle that the diagnostic runs and fails.
    • The control module records the operating conditions at the time the diagnostic fails. The first time the diagnostic fails, the control module stores this information in the Failure Records. If the diagnostic reports a failure on the second consecutive ignition cycle, the control module records the operating conditions at the time of the failure. The control module writes the operating conditions to the Freeze Frame and updates the Failure Records.

Conditions for Clearing the MIL/DTC

    • The control module turns OFF the malfunction indicator lamp (MIL) after 3 consecutive ignition cycles that the diagnostic runs and does not fail.
    • A current DTC, Last Test Failed, clears when the diagnostic runs and passes.
    • A history DTC clears after 40 consecutive warm-up cycles, if no failures are reported by this or any other emission related diagnostic.
    • Clear the MIL and the DTC with a scan tool.

Diagnostic Aids

    • To help locate intermittent leaks, use the J 41413-200 Evaporative Emissions System Tester (EEST) to introduce smoke into the EVAP system. Move all EVAP components while observing smoke with a High Intensity White Light. Introducing smoke in 15 second intervals will allow less pressure into the EVAP system. When the system is less pressurized, the smoke will sometimes escape in a more condensed manner.
    • A temporary blockage in the EVAP canister purge solenoid valve, purge pipe or EVAP canister could cause an intermittent condition. Inspect and repair any restriction in the EVAP system.
    • To improve the visibility of the smoke exiting the EVAP system, observe the suspected leak area from different angles with a High Intensity White Light .
    • Reviewing the Failure Records vehicle mileage since the diagnostic test last failed may help determine how often the condition that caused the DTC to be set occurs. This may assist in diagnosing the condition.
    • For intermittent conditions, refer to Intermittent Conditions .

Test Description

The numbers below refer to the step numbers on the diagnostic table.

  1. Introducing smoke in 15 second intervals may allow smaller leak areas to be more noticeable. When the system is less pressurized, the smoke will sometimes escape in a more condensed manner.

  2. This step verifies proper operation of the FTP sensor.

  3. A normal operating FTP sensor should increase above 5 inches of H2O and stop between 6 inches of H2O and 7 inches of H2O.

Step

Action

Values

Yes

No

Schematic Reference: Evaporative Emissions Hose Routing Diagram

1

Did you perform the Diagnostic System Check-Engine Controls?

--

Go to Step 2

Go to Diagnostic System Check - Engine Controls

2

  1. Inspect the evaporative emission (EVAP) system for the following conditions:
  2. • Loose, missing, or damaged service port schrader valve
    • Loose, incorrect, missing, or damaged fuel fill cap
    • A damaged EVAP canister purge solenoid valve
  3. Raise the vehicle on a hoist. Refer to Lifting and Jacking the Vehicle in General Information.
  4. Inspect the EVAP system for the following conditions:
  5. • Disconnected, improperly routed, kinked, or damaged EVAP pipes and hoses
    • A damaged EVAP canister vent solenoid valve or EVAP canister

Did you find and correct the condition?

--

Go to Step 21

Go to Step 3

3

Important: Larger volume fuel tanks and/or those with lower fuel levels may require several minutes for the floating indicator to stabilize.

  1. Turn OFF the ignition.
  2. Connect the J 41413-200 Evaporative Emissions System Tester (EEST) power supply clips to a known good 12-volt source.
  3. Turn the nitrogen/smoke valve to nitrogen.
  4. Connect the nitrogen/smoke hose to the 0.5 mm (0.20 in) test orifice on the bottom-front of the J 41413-200 .
  5. Use the remote switch to activate the J 41413-200 .
  6. Align the red flag on the flow meter with the floating indicator. Use the remote switch to de-activate the J 41413-200 .
  7. Install the J 41415-40 Fuel Tank Cap Adapter to the fuel fill pipe.
  8. Install the fuel fill cap to the J 41415-40 .
  9. Remove the nitrogen/smoke hose from the test orifice and install the hose onto the J 41415-40 .
  10. Turn ON the ignition, with the engine OFF.
  11. Command the EVAP canister vent solenoid valve closed with a scan tool.
  12. Use the remote switch to introduce nitrogen and fill the EVAP system until the floating indicator stabilizes.
  13. Compare the flow meter's stable floating indicator position to the red flag.

Is the floating indicator below the red flag?

--

Go to Step 6

Go to Step 4

4

Important: Ensure that the vehicle underbody temperature is similar to the ambient temperature and allow the surrounding air to stabilize before starting the diagnostic procedure. System flow will be less with higher temperatures.

  1. Turn OFF the ignition.
  2. Connect the J 41413-200 Evaporative Emissions System Tester (EEST) power supply clips to a known good 12-volt source.
  3. Install the J 41415-40 to the fuel fill pipe.
  4. Connect the J 41413-200 nitrogen/smoke supply hose to the J 41415-40 .
  5. Turn ON the ignition, with the engine OFF.
  6. Command the EVAP canister vent solenoid valve closed with a scan tool.
  7. Turn the nitrogen/smoke valve on the J 41413-200 control panel to SMOKE.
  8. Use the remote switch to introduce smoke into the EVAP system.
  9. Use the J 41413-VLV EVAP Service Port Vent Fitting to open the EVAP service port.
  10. Remove the J 41413-VLV once smoke is observed.
  11. Continue to introduce smoke into the EVAP system for an additional 60 seconds.
  12. Inspect the entire EVAP system for exiting smoke with a High Intensity White Light.
  13. Continue to introduce smoke at 15 second intervals until the leak source has been located

Did you locate and repair a leak source?

--

Go to Step 21

Go to Step 5

5

  1. Disconnect the J 41415-40 from the fuel fill pipe.
  2. Install the fuel fill cap to the fuel fill pipe.
  3. Connect the J 41413-200 nitrogen/smoke supply hose to the EVAP service port.
  4. Use the remote switch to introduce smoke into the EVAP system.
  5. Inspect the entire EVAP system for exiting smoke with a High Intensity White Light .
  6. Continue to introduce smoke at 15 second intervals until the leak source has been located.

Did you locate and repair a leak source?

--

Go to Step 21

Go to Step 6

6

  1. Use the remote switch to stop introducing smoke, if necessary.
  2. Remove and install the fuel fill cap to relieve fuel tank pressure, if necessary
  3. Install the J 41415-40 to the fuel fill pipe.
  4. Connect the J 41413-200 nitrogen/smoke supply hose and vehicle fuel fill cap to the J 41415-40 .
  5. Command the EVAP canister vent solenoid valve open with a scan tool.
  6. Compare the fuel tank pressure sensor parameter with a scan tool to theJ 41413-200 pressure/vacuum gage.

Is the difference between the two gages less than the specified value?

1 in H2O

Go to Step 7

Go to Step 14

7

  1. Seal the EVAP system using the EVAP Purge/Seal function with a scan tool.
  2. Turn the nitrogen/smoke valve on the J 41413-200 control panel to NITROGEN.
  3. Use the J 41413-200 to pressurize the EVAP system to the first specified value.

Is the fuel tank pressure sensor parameter more than the second specified value?

10 in H2O

5 in H2O

Go to Step 8

Go to Step 14

8

  1. Use the remote switch to stop introducing nitrogen into the EVAP system.
  2. Increase the EVAP canister purge solenoid valve to 100 percent.

Is the fuel tank pressure sensor parameter less than the specified value?

1 in H2O

Go to Step 9

Go to Step 11

9

  1. Connect the nitrogen/smoke hose to the EVAP service port.
  2. Remove the J 41415-40 .
  3. Install the fuel fill cap to the fuel fill pipe.
  4. Start the engine.
  5. Allow the engine to idle.
  6. Use the purge/seal function to seal the system, with a scan tool.
  7. Command the EVAP canister purge solenoid valve to 30 percent.
  8. Observe the vacuum/pressure gage on the J 41413-200 and the FTP parameter on the scan tool.
  9. Allow the vacuum to increase on the gage of the J 41413-200 , until it reaches approximately 16 inches H2O.
  10. Use the purge/seal function to seal the system, with a scan tool.

Is the FTP parameter on the scan tool within the specified value of the vacuum/pressure gage on the J 41413-200 , until the vacuum reached the abort limit on a scan tool?

1 in H2O

Go to Step 10

Go to Step 14

10

Did the FTP parameter on a scan tool display more than the specified value?

3.2 V

Go to Diagnostic Aids

Go to Step 17

11

Disconnect the EVAP canister purge pipe from the EVAP purge solenoid valve.

Is the fuel tank pressure sensor parameter less than the specified value?

1 in H2O

Go to Step 18

Go to Step 12

12

Disconnect the EVAP purge pipe at the EVAP canister.

Is the fuel tank pressure sensor parameter less than the specified value?

1 in H2O

Go to Step 19

Go to Step 13

13

Disconnect the EVAP vapor pipe at the EVAP canister.

Is the fuel tank pressure sensor parameter less than the specified value?

1 in H2O

Go to Step 20

Go to Step 16

14

Test for an intermittent and for a poor connection at the fuel tank pressure (FTP) sensor. Refer to Testing for Intermittent Conditions and Poor Connections and Connector Repairs in Wiring Systems.

Did you find and correct the condition?

--

Go to Step 21

Go to Step 15

15

Test the low reference circuit of the FTP sensor for and open or for high resistance.

Did you find and correct the condition?

--

Go to Step 21

Go to Step 17

16

Repair the pinched or obstructed EVAP vapor pipe.

Did you complete the repair?

--

Go to Step 21

--

17

Replace the FTP sensor. Refer to Fuel Tank Pressure Sensor Replacement .

Did you complete the replacement?

--

Go to Step 21

--

18

Replace the EVAP canister purge solenoid valve. Refer to Evaporative Emission Canister Purge Solenoid Valve Replacement .

Did you complete the replacement?

--

Go to Step 21

--

19

Repair the restriction in the EVAP purge pipe.

Did you complete the repair?

--

Go to Step 21

--

20

Replace the EVAP canister. Refer to Evaporative Emission Canister Replacement .

Did you complete the replacement?

--

Go to Step 21

--

21

Important: Larger volume fuel tanks and/or those with lower fuel levels may require several minutes for the floating indicator to stabilize.

  1. Turn the nitrogen/smoke valve to nitrogen.
  2. Connect the nitrogen/smoke hose to the 0.5 mm (0.20 in) test orifice on the bottom-front of the J 41413-200 Evaporative Emissions System Tester (EEST).
  3. Use the remote switch to activate the J 41413-200 .
  4. Align the red flag on the flow meter with the floating indicator. Use the remote switch to de-activate the J 41413-200 .
  5. Install the J 41415-40 to the fuel fill pipe.
  6. Remove the nitrogen/smoke hose from the test orifice and install the hose onto the J 41415-40 .
  7. Turn ON the ignition, with the engine OFF.
  8. Command the EVAP vent solenoid valve closed with a scan tool.
  9. Use the remote switch to introduce nitrogen and fill the EVAP system until the floating stabilizes.
  10. Compare the flow meter's stable floating indicator position to the red flag.

Is the floating indicator below the red flag?

--

Go to Step 22

Go to Step 4

22

  1. Observe the J 41413-200 pressure/vacuum gage.
  2. Increase the EVAP purge solenoid valve to 100 percent.

Does the pressure decrease?

--

Go to Step 23

Go to Step 2

23

Compare the FTP sensor parameter with a scan tool to the J 41413-200 pressure/vacuum gage.

Is the difference between the two gages less than the specified value?

1 in H2O

Go to Step 24

Go to Step 2

24

Observe the Capture Info with a scan tool.

Are there any DTCs that have not been diagnosed?

--

Go to Diagnostic Trouble Code (DTC) List

System OK