GM Service Manual Online
For 1990-2009 cars only
Makes
🢒
Saturn
🢒
2005
🢒
ION
🢒
Vehicle Control Systems
🢒
Computer/Integrating Systems
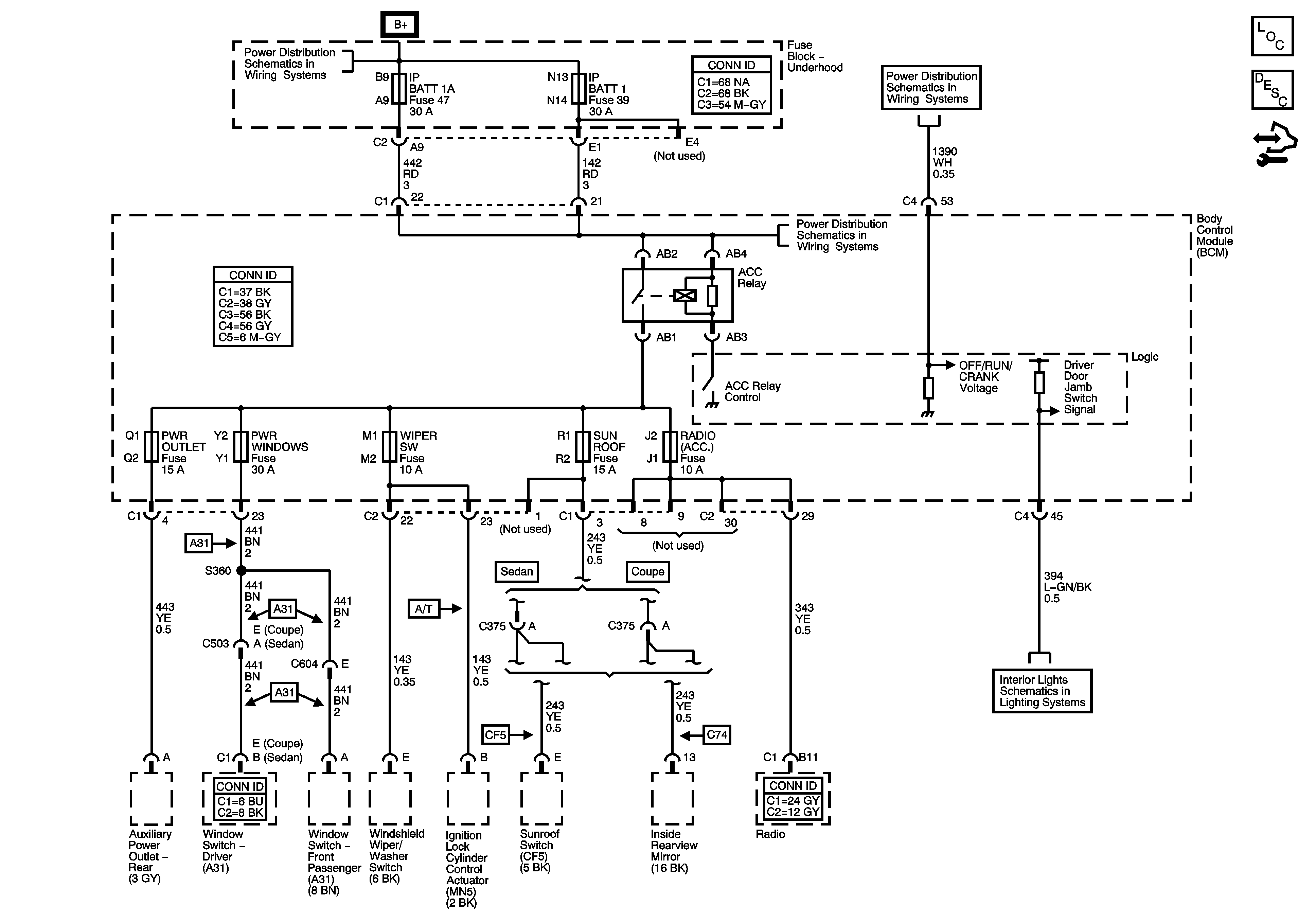
🢒 Retained Accessory Power (RAP) Schematics
Master Electrical Component List
Retained Accessory Power (RAP) Description and Operation
Control Module References
Fuseblock - Underhood Bus
Ignition Switch and RUN/CRANK Fuse
Ignition Switch and RUN/CRANK Fuse
Interior Lights