GM Service Manual Online
For 1990-2009 cars only

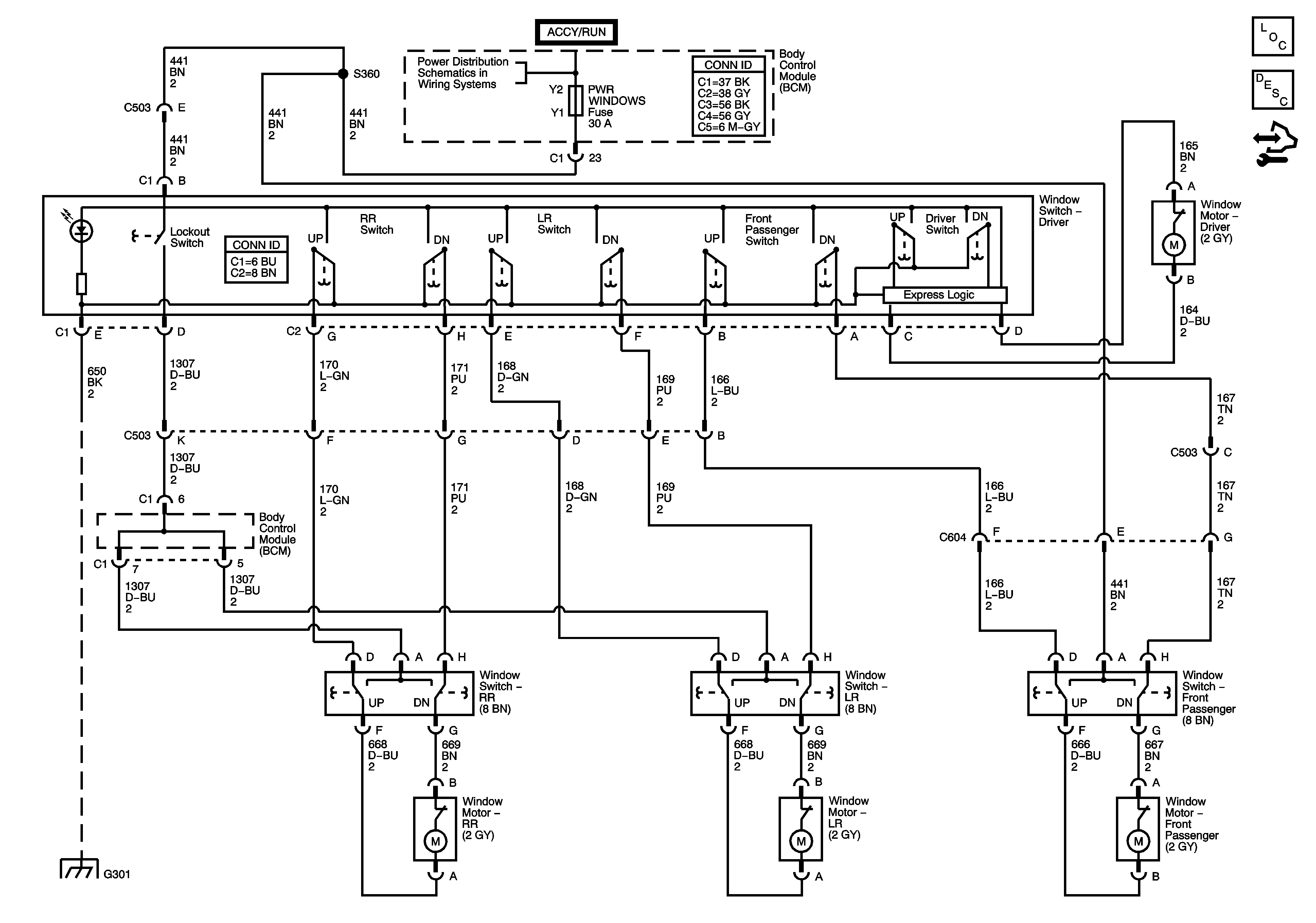
Power Window Schematics Coupe


Object Number: 1470977  Size: FS
Master Electrical Component List
Power Windows Description and Operation
Control Module References
BCM (PWR), DASH, IP BATT 1, IP BATT 1A, LIGHTER, ONSTAR, PARK, PWR OUTLET, PWR WINDOWS, RADIO (ACC.), RADIO (BATT), SUN ROOF, and WIPER SW Fuses
G301

Power Window Schematics Sedan


Object Number: 1470979  Size: FS
Master Electrical Component List
Power Windows Description and Operation
Control Module References
BCM (PWR), DASH, IP BATT 1, IP BATT 1A, LIGHTER, ONSTAR, PARK, PWR OUTLET, PWR WINDOWS, RADIO (ACC.), RADIO (BATT), SUN ROOF, and WIPER SW Fuses
G301