GM Service Manual Online
For 1990-2009 cars only

Removal Procedure

  1. Open and support the door.
  2. Clean the mounting surfaces of the hinges with a clean rag and mark the front door hinge locations on each surface with a grease pencil or other suitable marker.

  3. Object Number: 876125  Size: SH
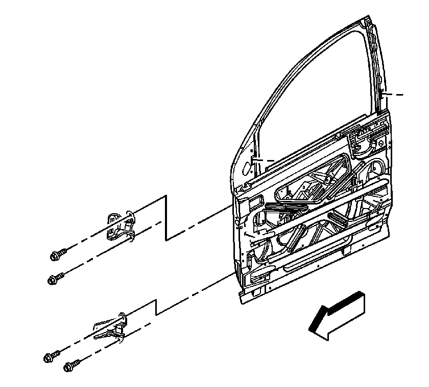
  4. Remove the front door. Refer to Front Side Door Replacement .

  5. Object Number: 893208  Size: SH
  6. Remove the hinge to pillar bolts.
  7. Remove the front door hinge from the vehicle.

Installation Procedure


    Object Number: 893208  Size: SH
  1. Position the front door hinge to the alignment marks on the pillar.
  2. Notice: Use the correct fastener in the correct location. Replacement fasteners must be the correct part number for that application. Fasteners requiring replacement or fasteners requiring the use of thread locking compound or sealant are identified in the service procedure. Do not use paints, lubricants, or corrosion inhibitors on fasteners or fastener joint surfaces unless specified. These coatings affect fastener torque and joint clamping force and may damage the fastener. Use the correct tightening sequence and specifications when installing fasteners in order to avoid damage to parts and systems.

  3. Install the bolts and nuts attaching the front door hinge to the pillar.
  4. Tighten
    Tighten the front door hinge bolts and nuts to 26 N·m (19 lb ft).


    Object Number: 876125  Size: SH
  5. Install the front door. Refer to Front Side Door Replacement .
  6. Remove the support from the front door.
  7. Inspect the door for proper operation and alignment.