GM Service Manual Online
For 1990-2009 cars only
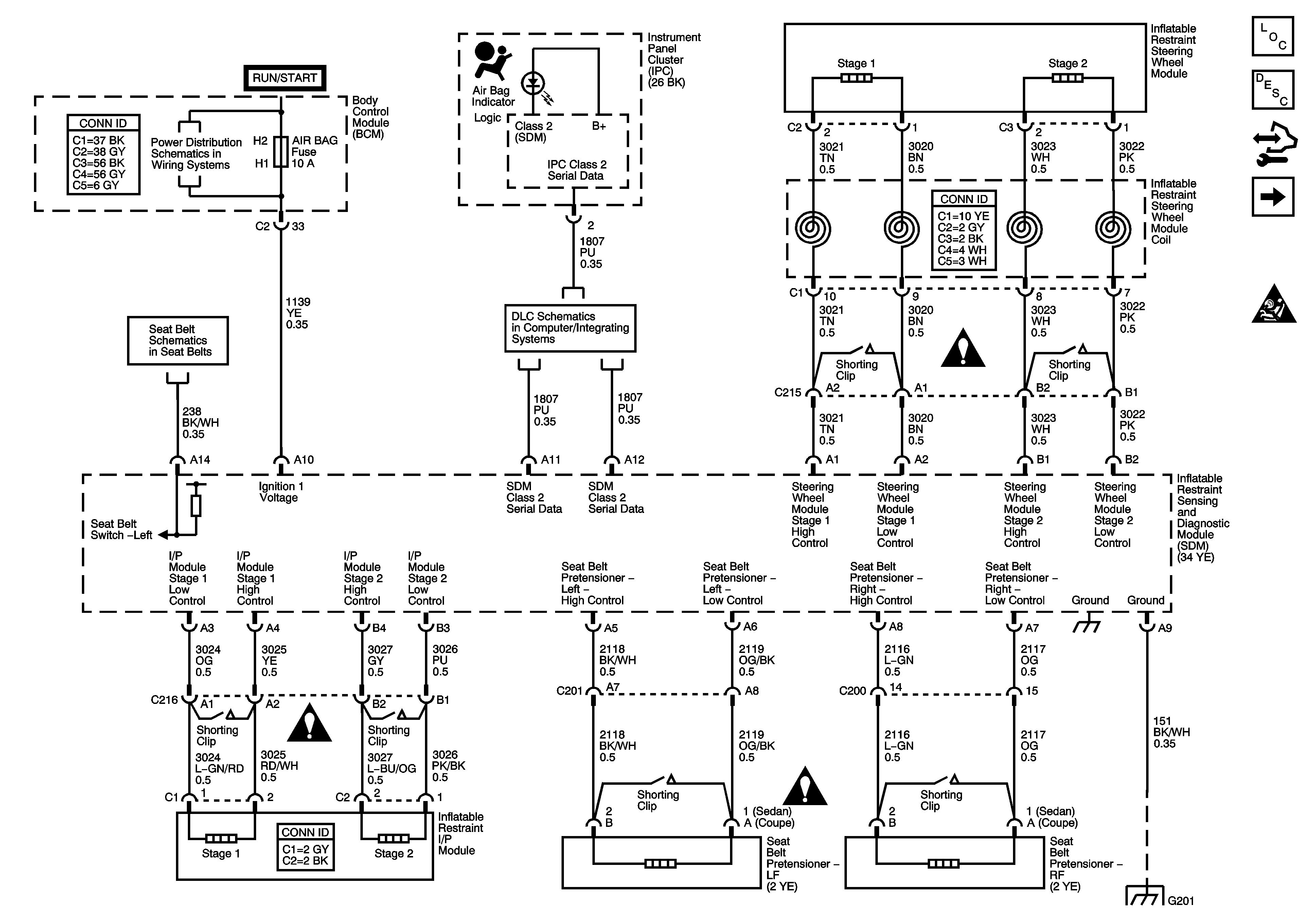
Figure 1:

DLC, Frontal Impact, Ground, Indicator, and Power


Object Number: 1434137  Size: FS
Master Electrical Component List
SIR System Description and Operation
Control Module References
Side Impact (ASF)
SIR Caution for Zoning
AIR BAG, CLUTCH/BRAKE, and 2A EPS (2A) Fuses
Seat Belt
DLC Power, Ground, Class 2, and Low Speed GM LAN
SIR Schematic Icons
SIR Schematic Icons
SIR Schematic Icons
G201
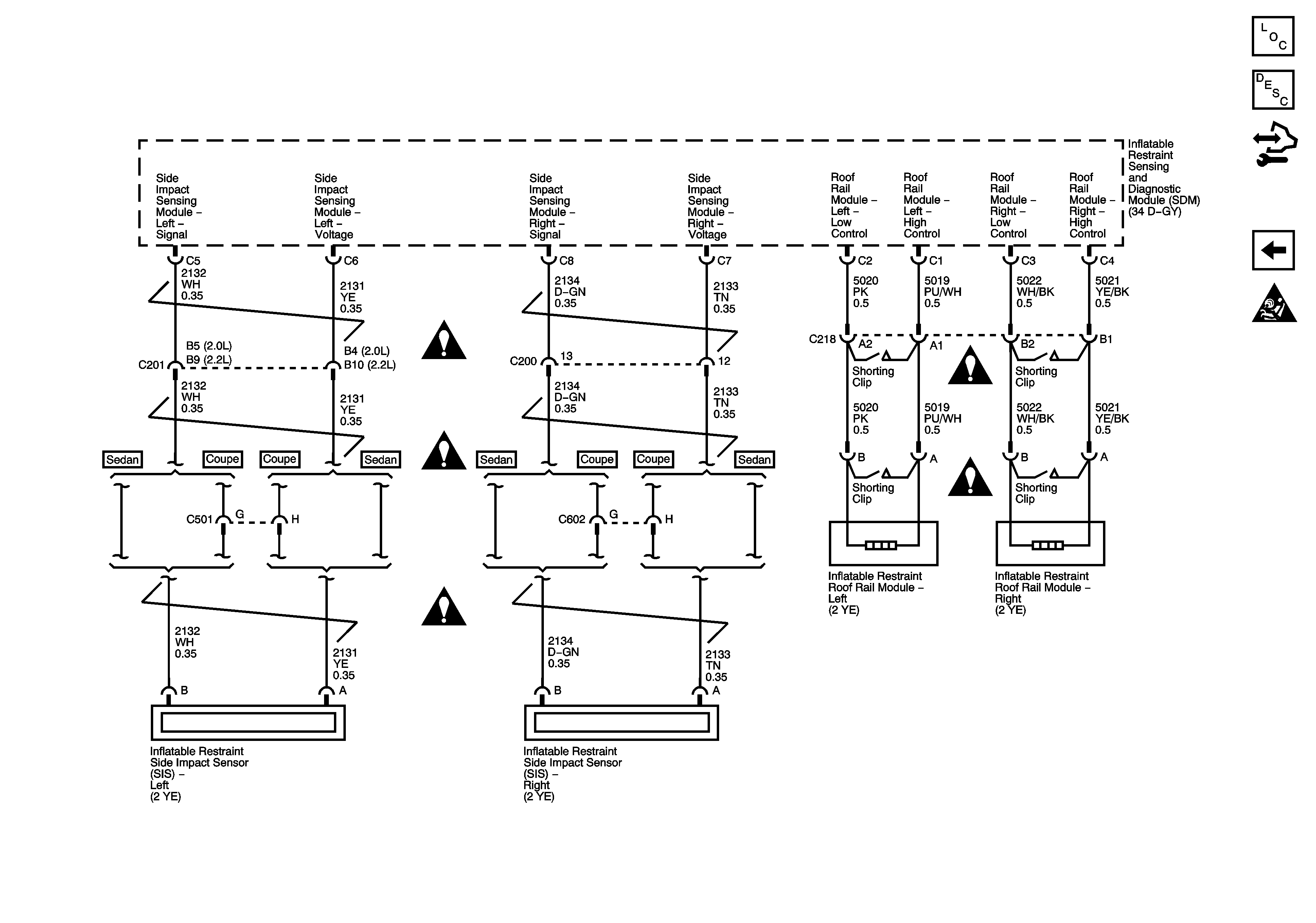
Figure 2:

Side Impact - ASF


Object Number: 1470975  Size: FS
Master Electrical Component List
SIR System Description and Operation
Control Module References
Indicators and Power
SIR Caution for Zoning
SIR Schematic Icons
SIR Schematic Icons
SIR Schematic Icons
SIR Schematic Icons
SIR Schematic Icons