GM Service Manual Online
For 1990-2009 cars only
Makes
🢒
Saturn
🢒
2005
🢒
ION
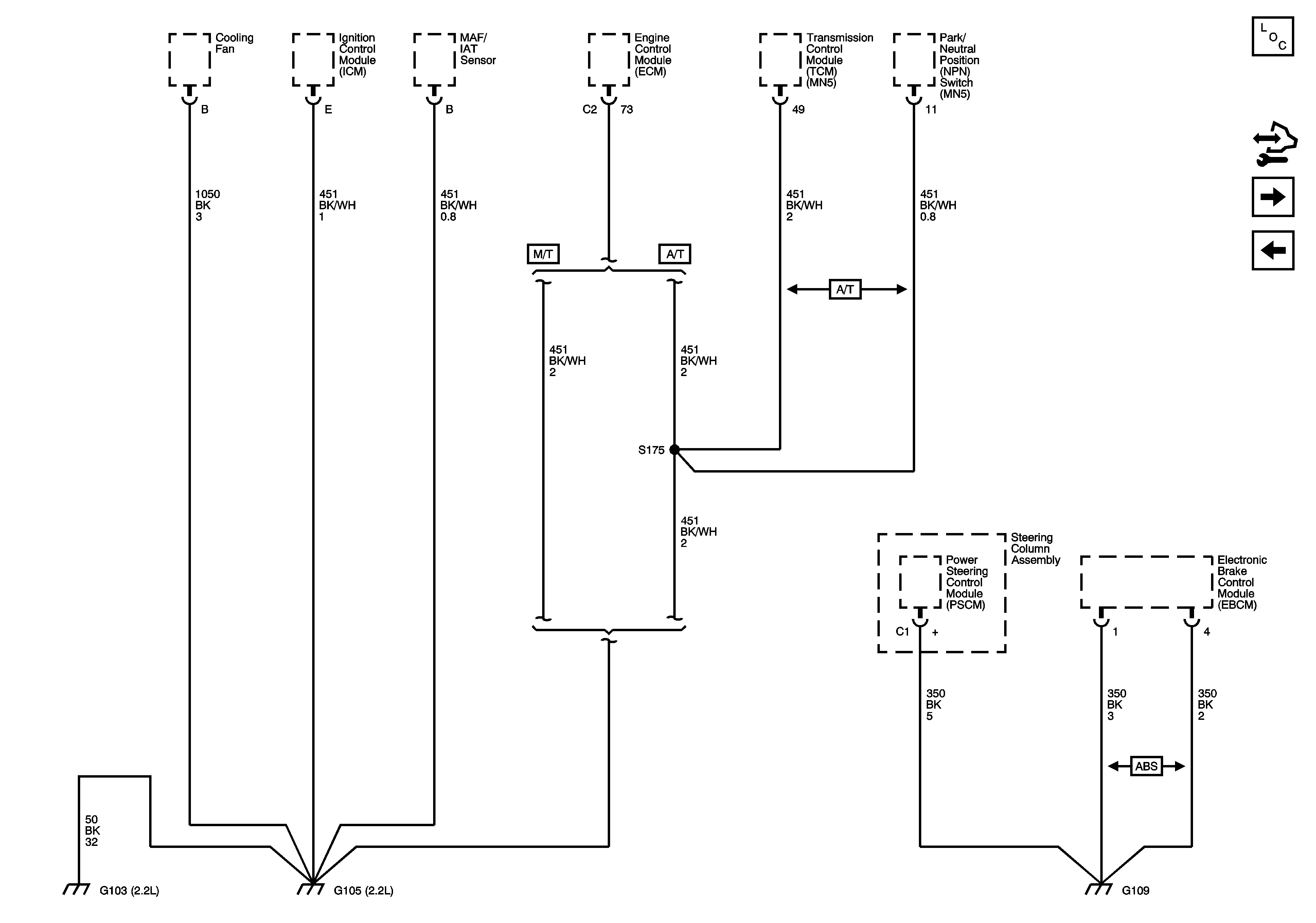
🢒 G103 (2.2L), G105 (2.2L), G109
G103 (2.2L), G105 (2.2L), G109
G103 (2.2L), G105 (2.2L), and G109
Master Electrical Component List
Control Module References
G201
G103 and G105 - 2.0L