GM Service Manual Online
For 1990-2009 cars only

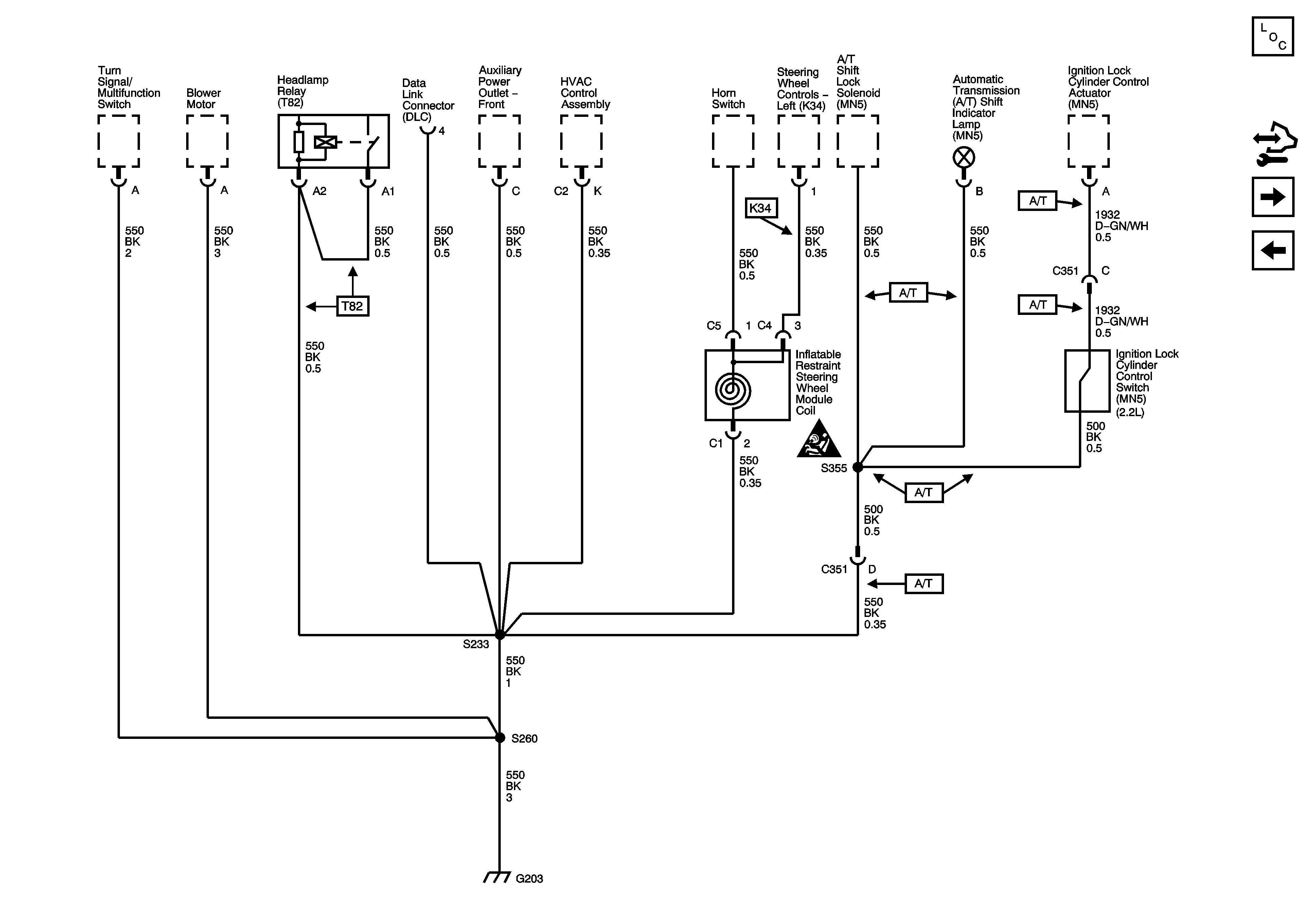
G203

G203


Object Number: 1430677  Size: FS
Master Electrical Component List
Control Module References
G301
G201
SIR Caution for Zoning