GM Service Manual Online
For 1990-2009 cars only

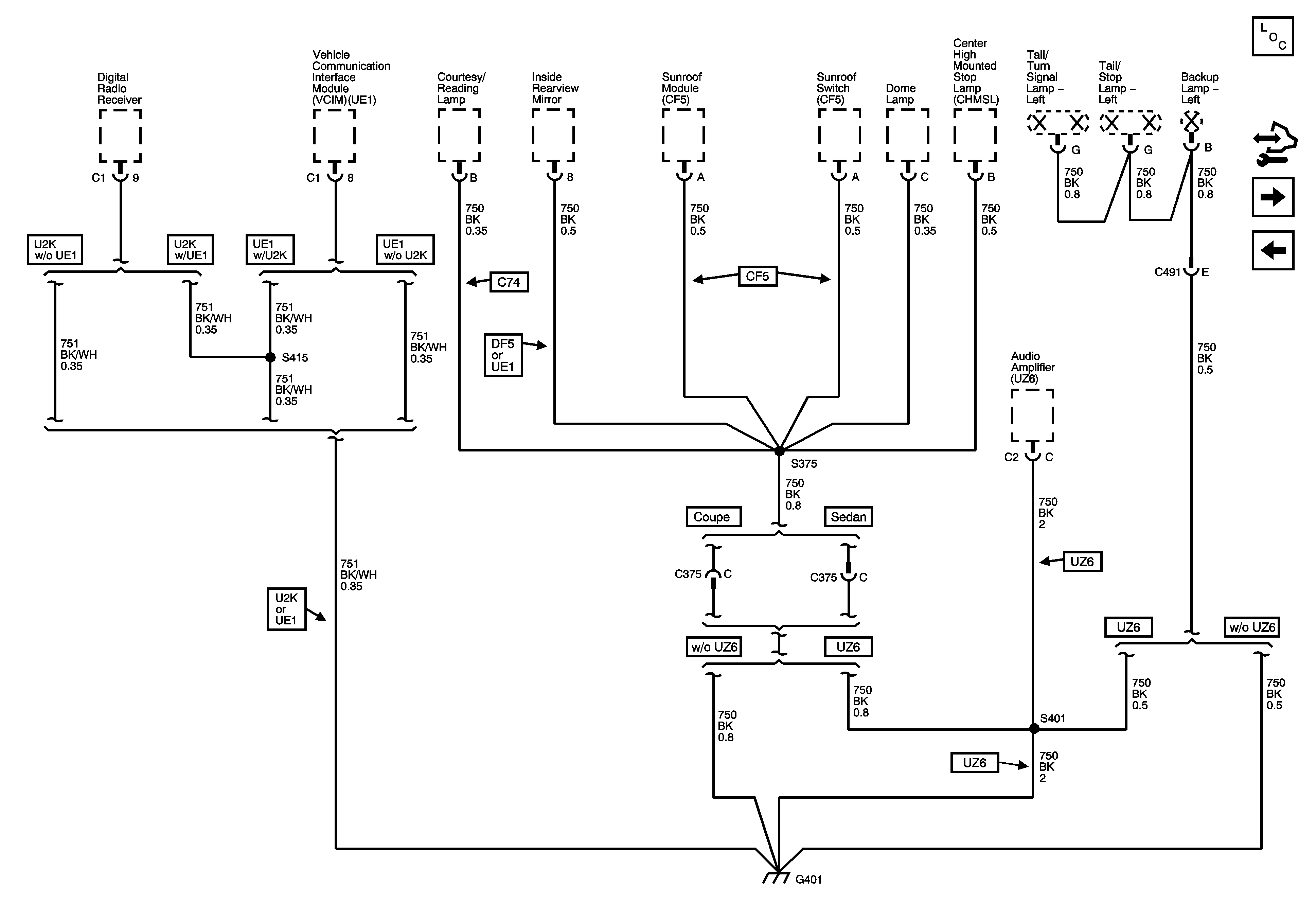
G401

G401


Object Number: 1470855  Size: FS
Master Electrical Component List
Control Module References
G403 and G502
G301