GM Service Manual Online
For 1990-2009 cars only
Makes
🢒
Saturn
🢒
2005
🢒
ION
🢒 Charging
Charging
Charging
Master Electrical Component List
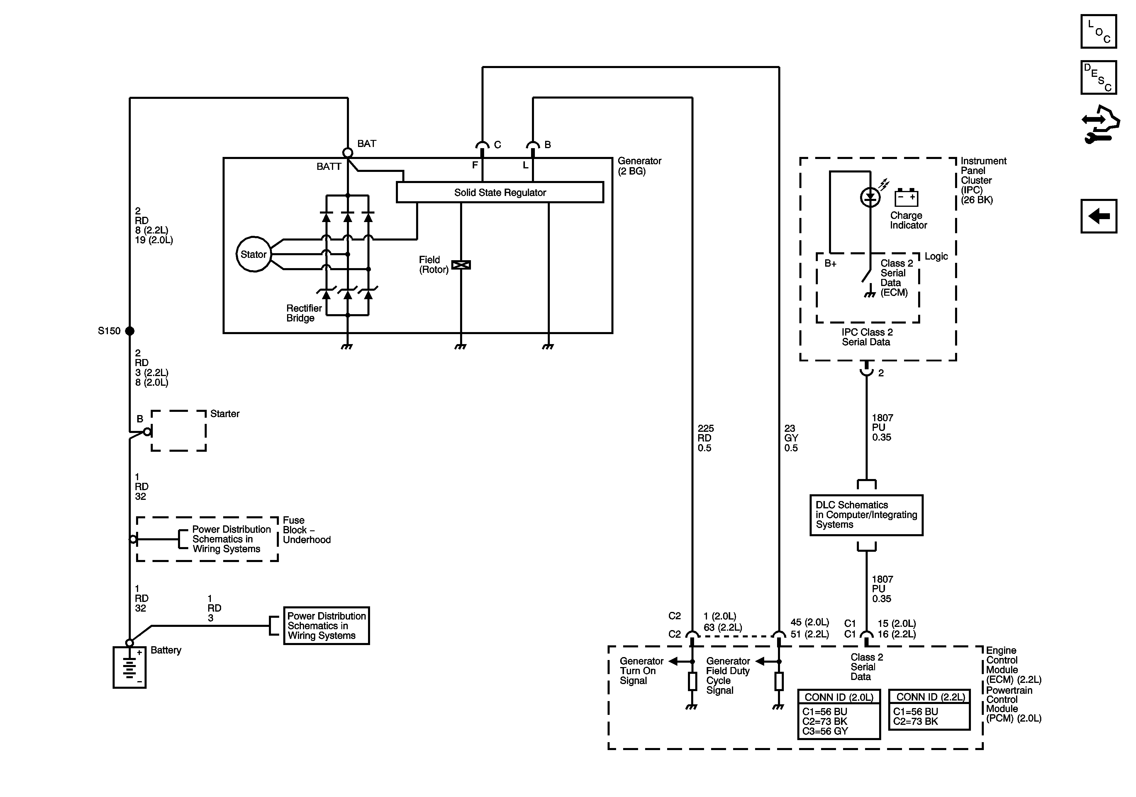
Charging System Description and Operation
Control Module References
Starting
Fuseblock - Underhood Bus
DLC Power, Ground, Class 2, and Low Speed GM LAN
Fuseblock - Underhood Bus