GM Service Manual Online
For 1990-2009 cars only
Makes
🢒
Saturn
🢒
2005
🢒
ION
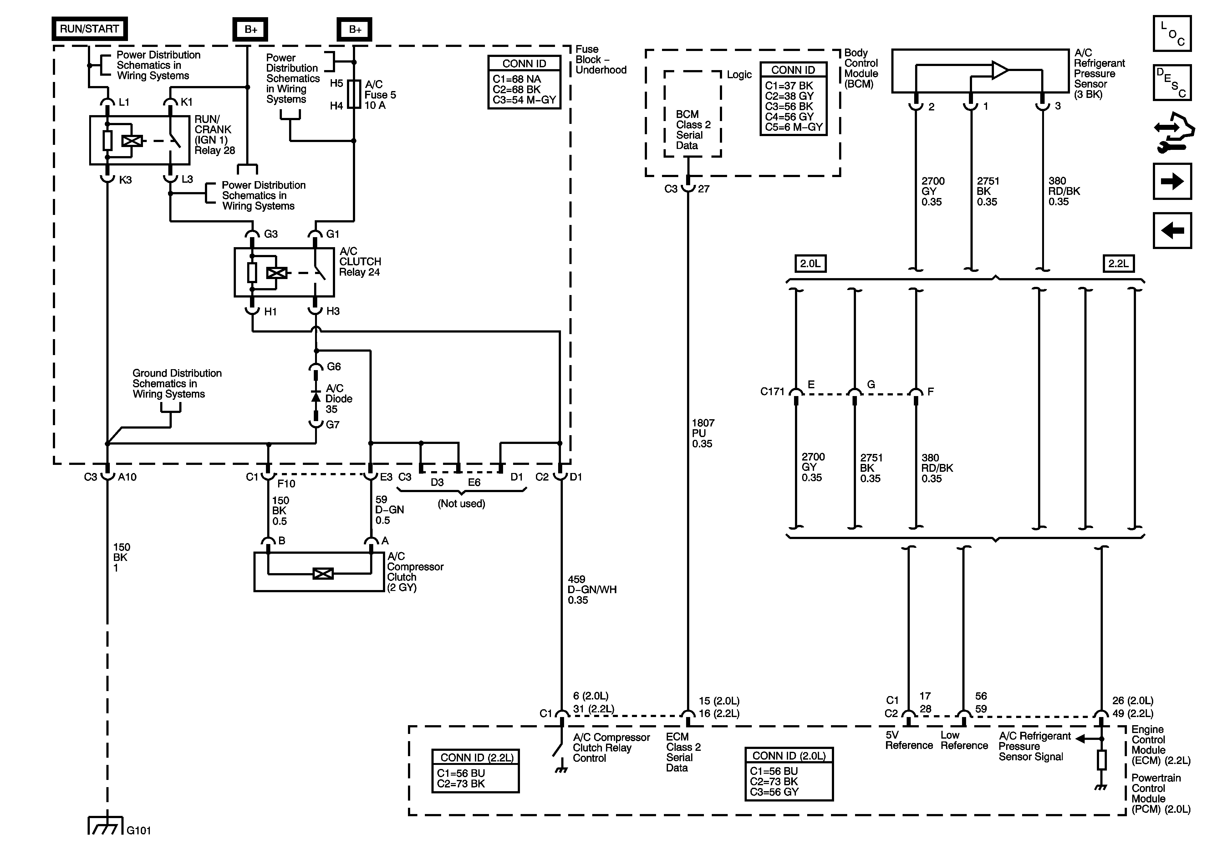
🢒 A/C Compressor Controls - C60
A/C Compressor Controls - C60
A/C Compressor Controls - C60
Master Electrical Component List
Air Temperature Description and Operation
Control Module References
Air Recirculation Controls - C60
Blower Controls
Ignition Switch and RUN/CRANK Fuse
Ignition Switch and RUN/CRANK Fuse
Fuseblock - Underhood Bus
G101
G101