GM Service Manual Online
For 1990-2009 cars only
Makes
🢒
Saturn
🢒
2005
🢒
ION
🢒 Door Lock/Indicator
Door Lock/Indicator
Master Electrical Component List
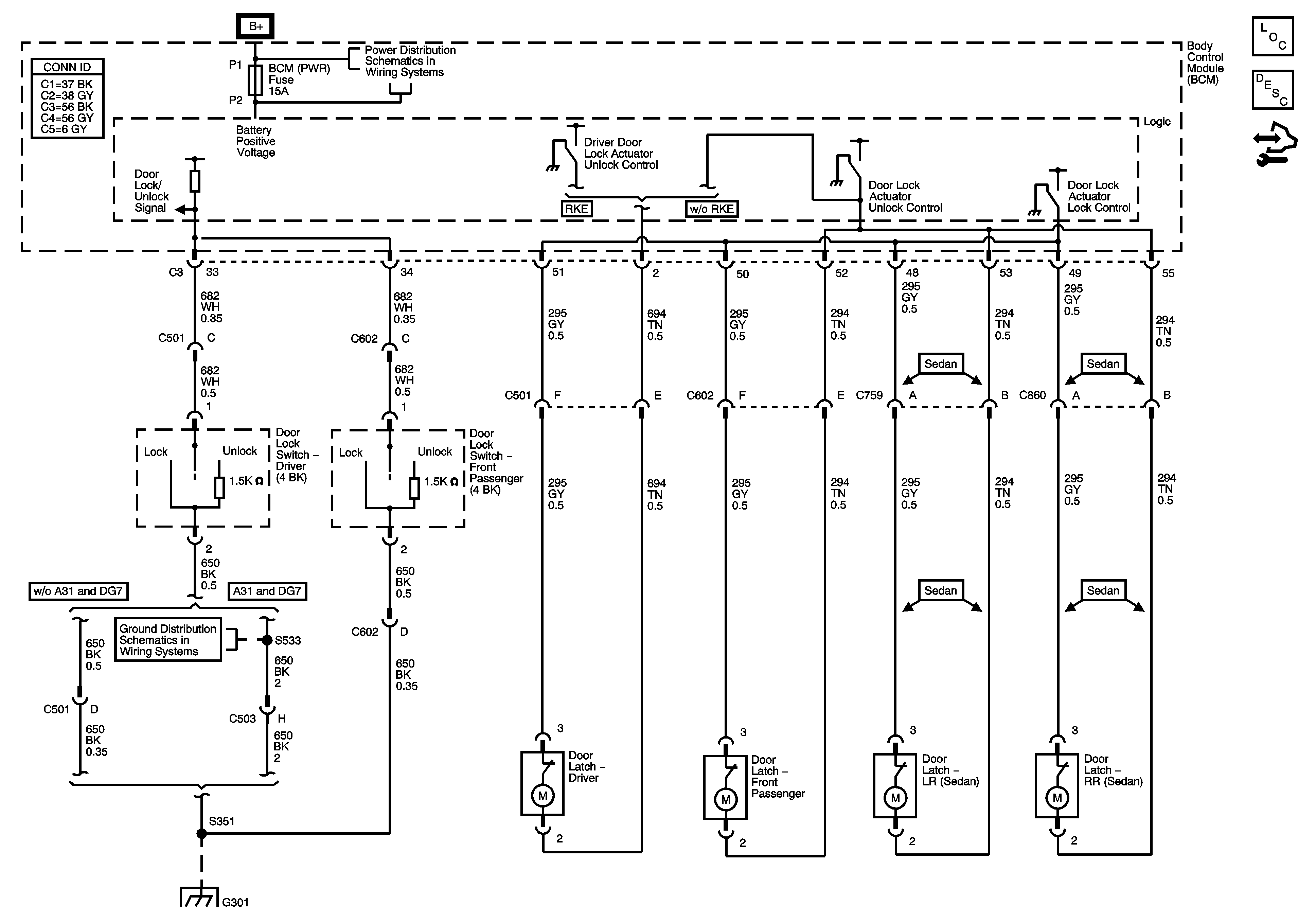
Power Door Locks Description and Operation
Control Module References
Figure, Northstar LD8/L37 - Front View Engine Component Description
G301
G301