GM Service Manual Online
For 1990-2009 cars only

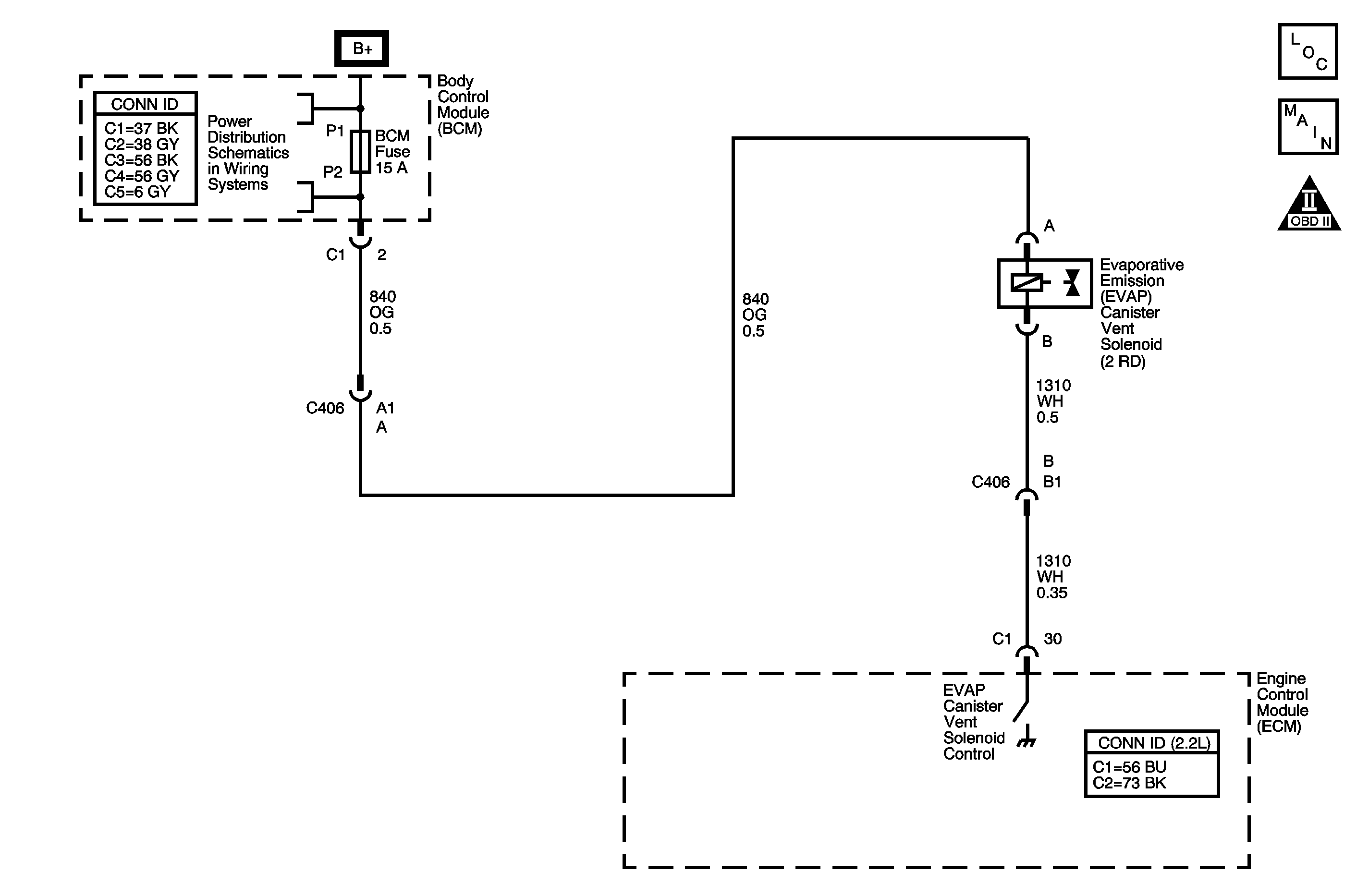
Object Number: 1510107  Size: MF

Circuit Description

A battery voltage is supplied to the evaporative emission (EVAP) canister vent solenoid valve. The control module grounds the EVAP canister vent solenoid valve control circuit to close the valve by means of an internal switch called a driver. The scan tool displays the commanded state of the EVAP canister vent solenoid valve as ON or OFF. The control module monitors the status of the driver. If the control module detects an incorrect voltage for the commanded state of the driver, this DTC sets.

The following table illustrates the relationship between the ON and OFF states, and the OPEN or CLOSED states of the EVAP canister vent solenoid valve.

Control Module Command

EVAP Canister Vent Solenoid Valve Position

ON

CLOSED

OFF

OPEN

DTC Descriptor

This diagnostic procedure supports the following DTC:

DTC P0449 Evaporative Emission (EVAP) Vent Solenoid Control Circuit

Conditions for Running the DTC

    • The ignition is ON.
    • The system voltage is between 6-18 volts.
    • DTC P0449 runs continuously once the above conditions are met.

Conditions for Setting the DTC

    • The control module detects that the commanded state of the driver and the actual state of the control circuit do not match.
    • The above conditions are present for a minimum of 12 seconds.

Action Taken When the DTC Sets

    • The control module illuminates the malfunction indicator lamp (MIL) on the second consecutive ignition cycle that the diagnostic runs and fails.
    • The control module records the operating conditions at the time the diagnostic fails. The first time the diagnostic fails, the control module stores this information in the Failure Records. If the diagnostic reports a failure on the second consecutive ignition cycle, the control module records the operating conditions at the time of the failure. The control module writes the operating conditions to the Freeze Frame and updates the Failure Records.

Conditions for Clearing the MIL/DTC

    • The control module turns OFF the malfunction indicator lamp (MIL) after 3 consecutive ignition cycles that the diagnostic runs and does not fail.
    • A current DTC, Last Test Failed, clears when the diagnostic runs and passes.
    • A history DTC clears after 40 consecutive warm-up cycles, if no failures are reported by this or any other emission related diagnostic.
    • Clear the MIL and the DTC with a scan tool.

Test Description

The numbers below refer to the step numbers on the diagnostic table.

  1. Listen for a click when the valve operates. Verify that both the ON and the OFF states are commanded.

  2. This step verifies that the control module is providing ground to the EVAP canister vent solenoid valve.

  3. This step tests if the EVAP canister vent solenoid valve control circuit is grounded.

Step

Action

Yes

No

Schematic Reference: Engine Controls Schematics

Connector End View Reference: Engine Control Module Connector End Views or Engine Controls Connector End Views

1

Did you perform the Diagnostic System Check - Vehicle?

Go to Step 2

Go to Diagnostic System Check - Vehicle in Vehicle DTC Information

2

  1. Turn ON the ignition, with the engine OFF.
  2. Command the evaporative emission (EVAP) canister vent solenoid valve ON and OFF with the scan tool.

Do you hear or feel a click from the EVAP canister vent solenoid valve when the valve is commanded ON and OFF?

Go to Step 3

Go to Step 4

3

  1. Observe the Freeze Frame/Failure Records for this DTC.
  2. Turn OFF the ignition for 30 seconds.
  3. Turn ON the ignition, with the engine OFF.
  4. Operate the vehicle within the Conditions for Running the DTC. You may also operate the vehicle within the conditions that you observed from the Freeze Frame/Failure Records.

Did the DTC fail this ignition?

Go to Step 4

Go to Intermittent Conditions

4

  1. Turn OFF the ignition.
  2. Disconnect the EVAP canister vent solenoid valve.
  3. Turn ON the ignition, with the engine OFF.
  4. Probe the battery positive voltage circuit of the EVAP canister vent solenoid valve with a test lamp connected to a good ground. Refer to Troubleshooting with a Test Lamp in Wiring Systems.

Does the test lamp illuminate?

Go to Step 5

Go to Step 11

5

  1. Connect a test lamp between the control circuit of the EVAP vent solenoid and battery positive voltage circuit of the EVAP canister vent solenoid valve at the EVAP vent valve harness connector.
  2. Command the EVAP canister vent solenoid valve ON and OFF with a scan tool.

Does the test lamp turn ON and OFF with each command?

Go to Step 9

Go to Step 6

6

Does the test lamp remain illuminated with each command?

Go to Step 8

Go to Step 7

7

Test the control circuit of the EVAP canister vent solenoid valve for a short to voltage or an open. Refer to Circuit Testing and Wiring Repairs in Wiring Systems.

Did you find and correct the condition?

Go to Step 14

Go to Step 10

8

Test the control circuit of the EVAP canister vent solenoid valve for a short to ground. Refer to Circuit Testing and Wiring Repairs in Wiring Systems.

Did you find and correct the condition?

Go to Step 14

Go to Step 10

9

Inspect for poor connections at the harness connector of the EVAP canister vent solenoid valve. Refer to Testing for Intermittent Conditions and Poor Connections and Wiring Repairs in Wiring Systems.

Did you find and correct the condition?

Go to Step 14

Go to Step 12

10

Inspect for poor connections at the harness connector of the control module. Refer to Testing for Intermittent Conditions and Poor Connections and Wiring Repairs in Wiring Systems.

Did you find and correct the condition?

Go to Step 14

Go to Step 13

11

Important: If the fuse is open, inspect all related circuits for a short to ground.

Repair the open or short to ground in the battery positive voltage circuit. Refer to Wiring Repairs in Wiring Systems.

Did you complete the repair?

Go to Step 14

--

12

Replace the EVAP canister vent solenoid valve. Refer to Evaporative Emission Canister Vent Solenoid Valve Replacement .

Did you complete the replacement?

Go to Step 14

--

13

Replace the electronic control module (ECM). Refer to Control Module References in Computer/Integrating Systems for replacement, setup, and programming.

Did you complete the replacement?

Go to Step 14

--

14

  1. Observe the Freeze Frame/Failure Records for this DTC.
  2. Turn OFF the ignition for 30 seconds.
  3. Turn ON the ignition, with the engine OFF.
  4. Operate the vehicle within the Conditions for Running the DTC. You may also operate the vehicle within the conditions that you observed from the Freeze Frame/Failure Records.

Did the DTC fail this ignition?

Go to Step 2

Go to Step 15

15

Observe the Capture Info with a scan tool.

Are there any DTCs that have not been diagnosed?

Go to Diagnostic Trouble Code (DTC) List - Vehicle in Vehicle DTC Information

System OK