GM Service Manual Online
For 1990-2009 cars only

Object Number: 1451482  Size: MF
Master Electrical Component List
Automatic Transmission Controls Schematics
OBD II Symbol Description Notice
Control Module References

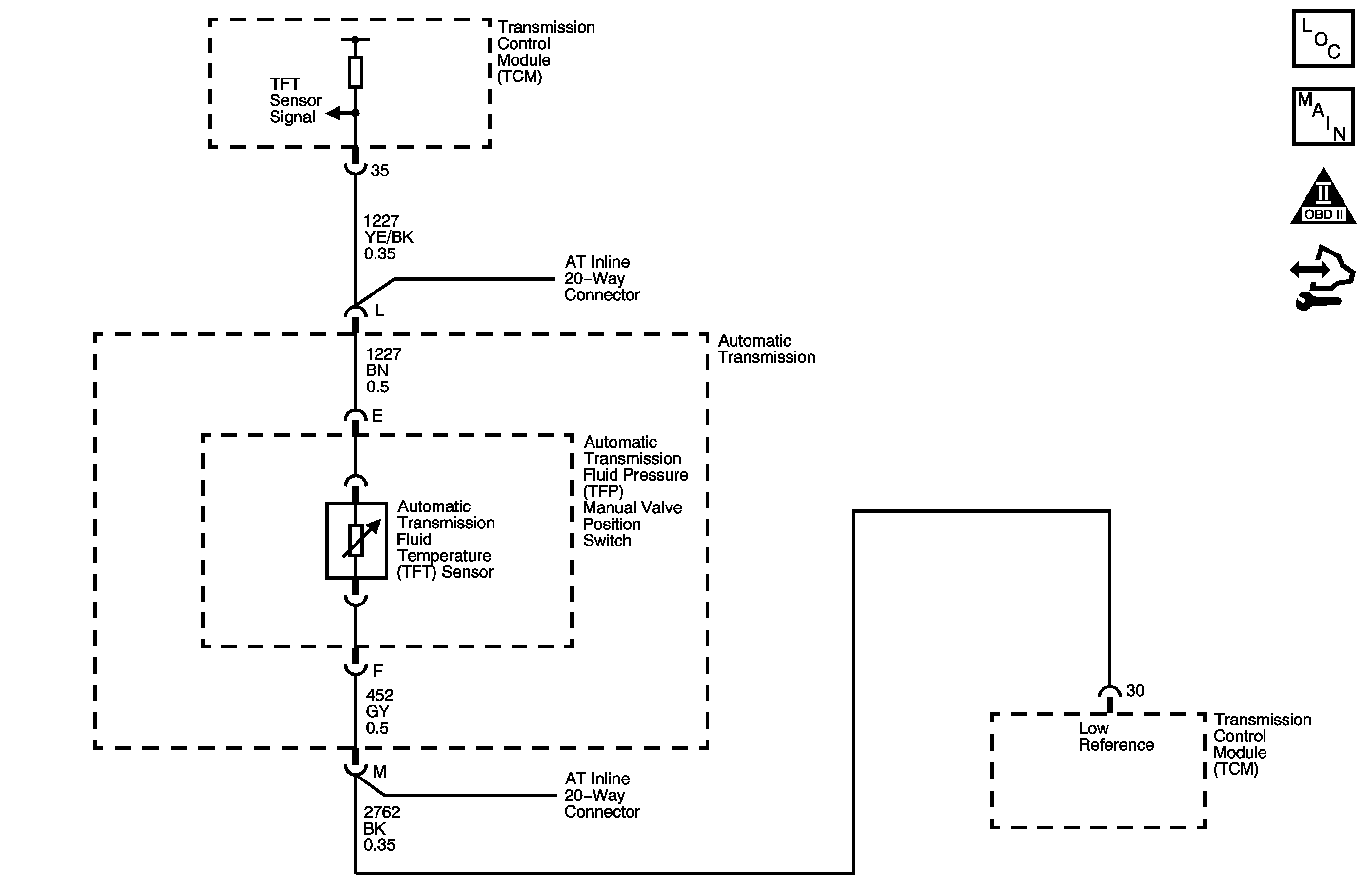
Circuit Description

The automatic transmission fluid temperature (TFT) sensor is a thermistor. The TFT sensor is part of the automatic transmission fluid pressure (TFP) manual valve position switch. The transmission control module (TCM) supplies a 5-volt reference signal to the sensor. When the transmission fluid is cold, the sensor resistance is high and the TCM senses a high signal voltage. As the transmission fluid warms, the sensor resistance lowers and the TCM senses lower voltage. The TCM uses the TFT reading in order to control the torque converter clutch (TCC), line pressure adjustments, and temperature compensated shifts.

When the TCM detects a continuous open or short to voltage in the TFT circuit or the TFT sensor, then DTC P0713 sets. DTC P0713 is a type C DTC.

DTC Descriptor

This diagnostic procedure supports the following DTC:

DTC P0713 Transmission Fluid Temperature (TFT) Sensor Circuit High Voltage

Conditions for Running the DTC

    • No ISS DTCs P0716 or P0717.
    • No OSS DTCs P0722 or P0723.
    • The engine is running for 5 seconds.
    • The output speed is 200 RPM or more for 200 seconds cumulatively.
    • The TCC slip speed is 120 RPM or more for 200 seconds cumulatively.

Conditions for Setting the DTC

The TFT sensor is -40°C (-40°F) or less for 1 minutes and 20 seconds.

Action Taken When the DTC Sets

    • The TCM does not request the ECM to illuminate the malfunction indicator lamp (MIL).
    • The TCM freezes transmission adaptive functions.
    • The TCM calculates a default transmission fluid temperature based on engine coolant temperature, intake manifold air temperature, and engine run time.
    • The TCM records the operating conditions when the Conditions for Setting the DTC are met. The TCM stores this information as Failure Records.
    • The TCM stores DTC P0713 in TCM history.

Conditions for Clearing the DTC

    • A scan tool can clear the DTC.
    • The TCM clears the DTC from TCM history if the vehicle completes 40 warm-up cycles without a non-emission related diagnostic fault occurring.
    • The TCM cancels the DTC default actions when the fault no longer exists and the DTC passes.

Test Description

The numbers below refer to the step numbers on the diagnostic table.

  1. This step tests the TFT sensor signal circuit for being shorted to another circuit within the transmission. If the TFT sensor signal circuit shorts to another circuit, which is carrying voltage greater than five volts, the TFT sensor would become open.

  2. This step tests the TFT sensor signal circuit for being shorted to voltage, which would be the cause for the open in the TFT sensor.

Step

Action

Value(s)

Yes

No

1

Did you perform the Diagnostic System Check - Vehicle?

--

Go to Step 2

Go to Diagnostic System Check - Vehicle in Vehicle DTC Information

2

  1. Install a scan tool.
  2. Turn ON the ignition, with the engine OFF.
  3. Important: Before clearing the DTC, use the scan tool in order to record the DTC Failure Records. Using the Clear Info function erases the Failure Records from the TCM.

  4. Record the DTC Failure Records.
  5. Clear the DTC.
  6. Select TFT Sensor on the scan tool.

Does the scan tool display a TFT sensor reading less than the specified value?

-39°C (-38°F)

Go to Step 3

Go to Intermittent Conditions in Engine Controls - 2.2L (L61)

3

  1. Turn OFF the ignition.
  2. Disconnect the AT inline 20-way connector. Additional DTCs may set.
  3. Install the J 44152 jumper harness (20 pins) on the transmission side of the AT inline 20-way connector.
  4. Using the DMM and the J-35616 connector test adapter kit, measure the resistance between the TFT sensor signal circuit and the low reference circuit of the J 44152 .
  5. Refer to Automatic Transmission Inline 20-Way Connector End View .

Is the resistance less than the specified value?

100K ohms

Go to Step 7

Go to Step 4

4

  1. Test the signal circuit of the TFT sensor for an open between the AT inline 20-way connector and the TFT sensor.
  2. Test the low reference circuit of the TFT sensor for an open between the AT inline 20-way connector and the TFT sensor.
  3. Refer to Testing for Continuity in Wiring Systems.

Did you find an open condition?

--

Go to Step 8

Go to Step 5

5

Measure the resistance between the TFT sensor signal circuit and all other terminals of the J 44152 .

Is the resistance less than the specified value?

1,000 ohms

Go to Step 10

Go to Step 6

6

Test the signal circuit of the TFT sensor for a short to voltage between the TCM connector and the AT inline 20-way connector.

Refer to Testing for a Short to Voltage and Wiring Repairs in Wiring Systems.

Did you find and correct the condition?

--

Go to Step 9

Go to Step 9

7

  1. Test the signal circuit of the TFT sensor for an open between the TCM connector and the AT inline 20-way connector.
  2. Test the low reference circuit of the TFT sensor for an open between the TCM connector and the AT inline 20-way connector.

Refer to Testing for Continuity and Wiring Repairs in Wiring Systems.

Did you find and correct an open condition?

--

Go to Step 12

Go to Step 11

8

Replace the automatic transmission wiring harness.

Refer to Wiring Harness Replacement .

Did you complete the replacement?

--

Go to Step 12

--

9

Replace the TFP manual valve position switch.

Refer to Transmission Fluid Pressure Manual Valve Position Switch Replacement .

Did you complete the replacement?

--

Go to Step 12

--

10

  1. Replace the automatic transmission wiring harness.
  2. Refer to Wiring Harness Replacement .

  3. Replace the TFP manual valve position switch.
  4. Refer to Transmission Fluid Pressure Manual Valve Position Switch Replacement .

Did you complete the replacements?

--

Go to Step 12

--

11

Replace the TCM.

Refer to Control Module References in Computer/Integrating Systems for replacement, setup, and programming.

Did you complete the replacement?

--

Go to Step 12

--

12

Perform the following procedure in order to verify the repair:

  1. Select DTC.
  2. Select Clear Info.
  3. Operate the vehicle under the following conditions:
  4. • Turn ON the ignition, with the engine OFF.
    • The TFT sensor must be greater than -40°C (-40°F) for 2 seconds.
  5. Select Specific DTC.
  6. Enter DTC P0713.

Has the test run and passed?

--

Go to Step 13

Go to Step 2

13

With the scan tool, observe the stored information, capture info and DTC info.

Does the scan tool display any DTCs that you have not diagnosed?

--

Go to Diagnostic Trouble Code (DTC) List - Vehicle in Vehicle DTC Information

System OK