GM Service Manual Online
For 1990-2009 cars only

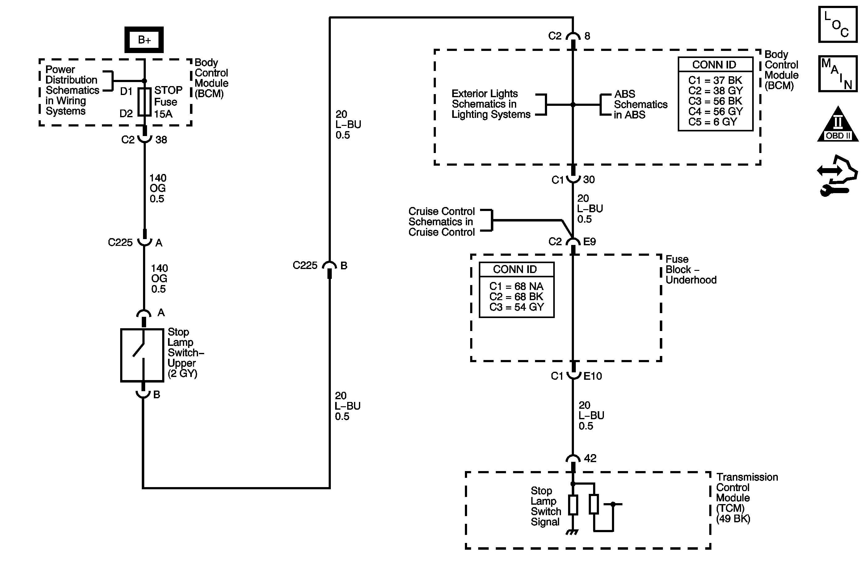
Object Number: 1503847  Size: MF
Master Electrical Component List
Automatic Transmission Controls Schematics
OBD II Symbol Description Notice
Control Module References

Circuit Description

The brake switch indicates brake pedal status to the transmission control module (TCM). The normally-closed brake switch supplies ignition voltage to the TCM. Applying the brake pedal opens the switch, interrupting voltage to the TCM. Releasing the brake pedal resumes voltage to the TCM. When the TCM senses 0 volts at the brake switch input, the TCM de-energizes the torque converter clutch (TCC) solenoid valve.

When the TCM detects a closed brake switch, stuck ON, during accelerations, then DTC P0724 sets. DTC P0724 is a type C DTC.

DTC Descriptor

This diagnostic procedure supports the following DTC:

DTC P0724 Brake Switch Circuit High Voltage

Conditions for Running the DTC

    • No OSS DTCs P0722 or P0723.
    • DTC P0724 has not ran this key cycle.

Conditions for Setting the DTC

DTC P0724 sets if the TCM detects a closed brake switch or circuit, 12 volts, for 15 minutes during vehicle acceleration and the following conditions occur 8 times:

  1. The vehicle speed is less than 8 km/h (5 mph) for 2 seconds.
  2. Then, the vehicle speed is 8-32 km/h (5-20 mph) for 6 seconds.
  3. Then, the vehicle speed is greater than 32 km/h (20 mph) for 6 seconds.

Action Taken When the DTC Sets

    • The TCM does not request the ECM to illuminate the malfunction indicator lamp (MIL).
    • The TCM records the operating conditions when the Conditions for Setting the DTC are met. The TCM stores this information as Failure Records.
    • The TCM stores DTC P0724 in TCM history.

Conditions for Clearing the DTC

    • A scan tool can clear the DTC.
    • The TCM clears the DTC from TCM history if the vehicle completes 40 warm-up cycles without a non-emission related diagnostic fault occurring.
    • The TCM cancels the DTC default actions when the fault no longer exists and the DTC passes.

Test Description

The numbers below refer to the step numbers on the diagnostic table.

  1. Disconnecting the brake switch connector, and observing a status change, isolates the brake switch as the source of the DTC.

  2. This step inspects the signal circuit for a short to voltage, if the brake switch status on the scan tool did not change in Step 2.

  3. If the brake switch is properly adjusted, then the brake switch must be replaced.

  4. Replace the TCM only after you have completed the preceding diagnostic steps.

Step

Action

Yes

No

1

Did you perform the Diagnostic System Check - Vehicle?

Go to Step 2

Go to Diagnostic System Check - Vehicle in Vehicle DTC Information

2

  1. Install a scan tool.
  2. Turn ON the ignition, with the engine OFF.
  3. Important: Before clearing the DTC, use the scan tool in order to record the Failure Records. Using the Clear Info function erases the Failure Records from the TCM.

  4. Record the DTC Failure Records.
  5. Clear the DTC.
  6. Select Brake Switch on the scan tool.
  7. Disconnect the brake switch connector.

Does the brake switch status change from Closed to Open?

Go to Step 4

Go to Step 3

3

Test the signal circuit of the TCC brake/cruise control release switch for a short to voltage.

Refer to Testing for a Short to Voltage and Wiring Repairs in Wiring Systems.

Did you find and correct the condition?

Go to Step 6

Go to Step 5

4

Replace the brake switch.

Refer to Stop Lamp Switch Replacement in Lighting Systems.

Did you complete the replacement?

Go to Step 6

--

5

Replace the TCM.

Refer to Control Module References in Computer/Integrating Systems for replacement, setup, and programming.

Did you complete the replacement?

Go to Step 6

--

6

Perform the following procedure in order to verify the repair:

  1. Select DTC.
  2. Select Clear Info.
  3. Operate the vehicle under the following conditions:
  4. • Turn ON the ignition, with the engine OFF.
    • Apply and release the brake pedal.
  5. Select Specific DTC.
  6. Enter DTC P0724.

Has the test run and passed?

Go to Step 7

Go to Step 2

7

With the scan tool, observe the stored information, capture info and DTC info.

Does the scan tool display any DTCs that you have not diagnosed?

Go to Diagnostic Trouble Code (DTC) List - Vehicle in Vehicle DTC Information

System OK