GM Service Manual Online
For 1990-2009 cars only
Makes
🢒
Saturn
🢒
2006
🢒
ION
🢒
Body
🢒
Doors
🢒 Power Window Schematics
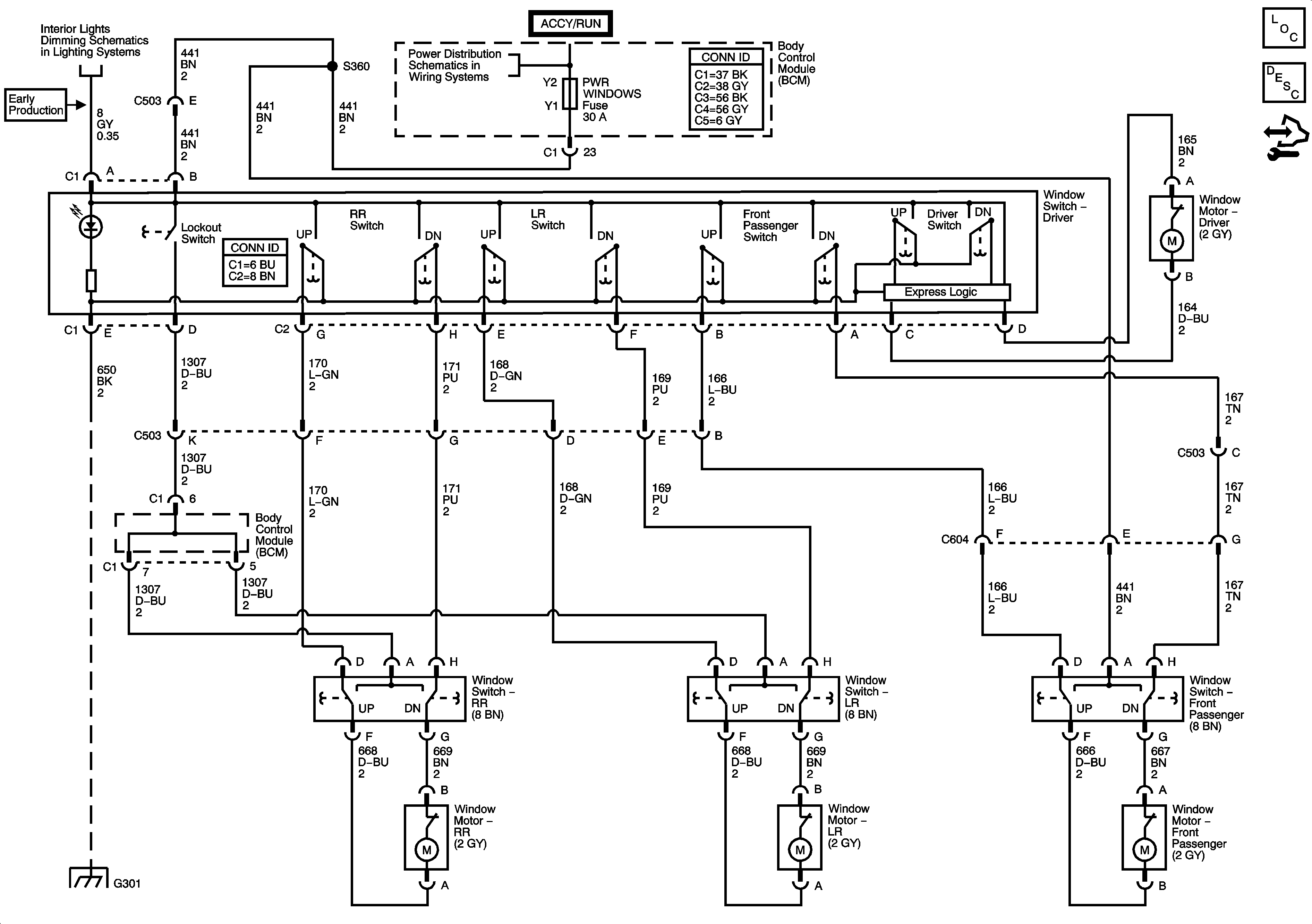
Figure
1:
Coupe
Master Electrical Component List
Power Windows Description and Operation
Control Module References
BCM (PWR), DASH, IP BATT 1, IP BATT 1A, LIGHTER, ONSTAR, PARK, PWR OUTLET, PWR WINDOWS, RADIO (ACC.), RADIO (BATT), SUN ROOF, and WIPER SW Fuses
G301
Shift Indicator Module, Boost Gage, A/T Shift Indicator and HVAC Control Assembly
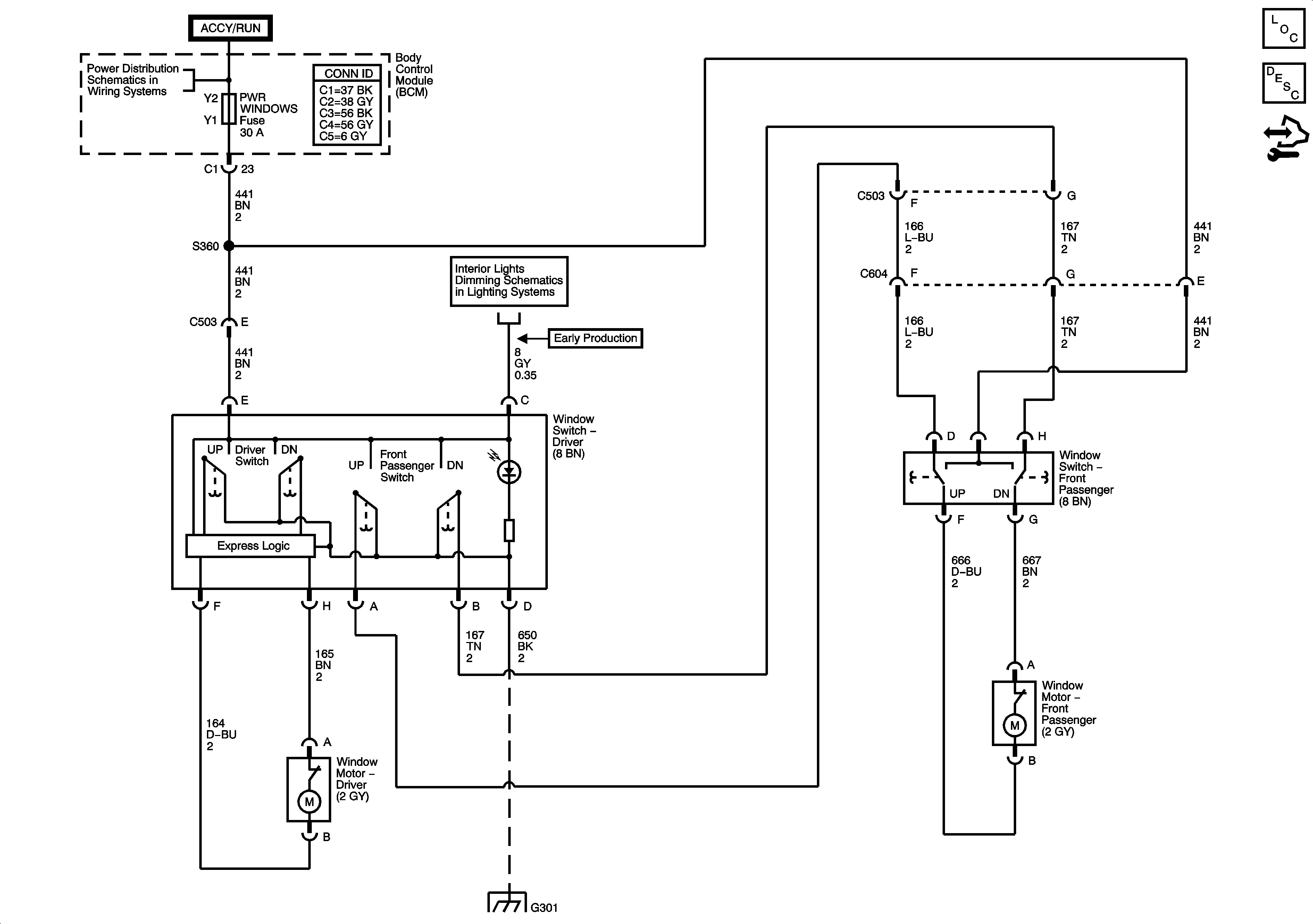
Figure
2:
Sedan
Master Electrical Component List
Power Windows Description and Operation
Control Module References
BCM (PWR), DASH, IP BATT 1, IP BATT 1A, LIGHTER, ONSTAR, PARK, PWR OUTLET, PWR WINDOWS, RADIO (ACC.), RADIO (BATT), SUN ROOF, and WIPER SW Fuses
G301
Shift Indicator Module, Boost Gage, A/T Shift Indicator and HVAC Control Assembly