GM Service Manual Online
For 1990-2009 cars only
Makes
🢒
Saturn
🢒
2006
🢒
ION
🢒
Body
🢒
Wiring Systems
🢒 Interior Lights Dimming Schematics
Figure
1:
Turn Signal/Multifunction Switch, IPC, I/P Dimmer Switch, Hazard Switch, Fog Lamp Switch, Traction Control Switch and Radio
Master Electrical Component List
Interior Lighting Systems Description and Operation
Control Module References
Shift Indicator Module, Boost Gage, A/T Shift Indicator and HVAC Control Assembly
BCM (PWR), DASH, IP BATT 1, IP BATT 1A, LIGHTER, ONSTAR, PARK, PWR OUTLET, PWR WINDOWS, RADIO (ACC.), RADIO (BATT), SUN ROOF, and WIPER SW Fuses
G201
Traction Control, DLC, and Indicators
Power and Ground, Signals, and References
Shift Indicator Module, Boost Gage, A/T Shift Indicator and HVAC Control Assembly
G201
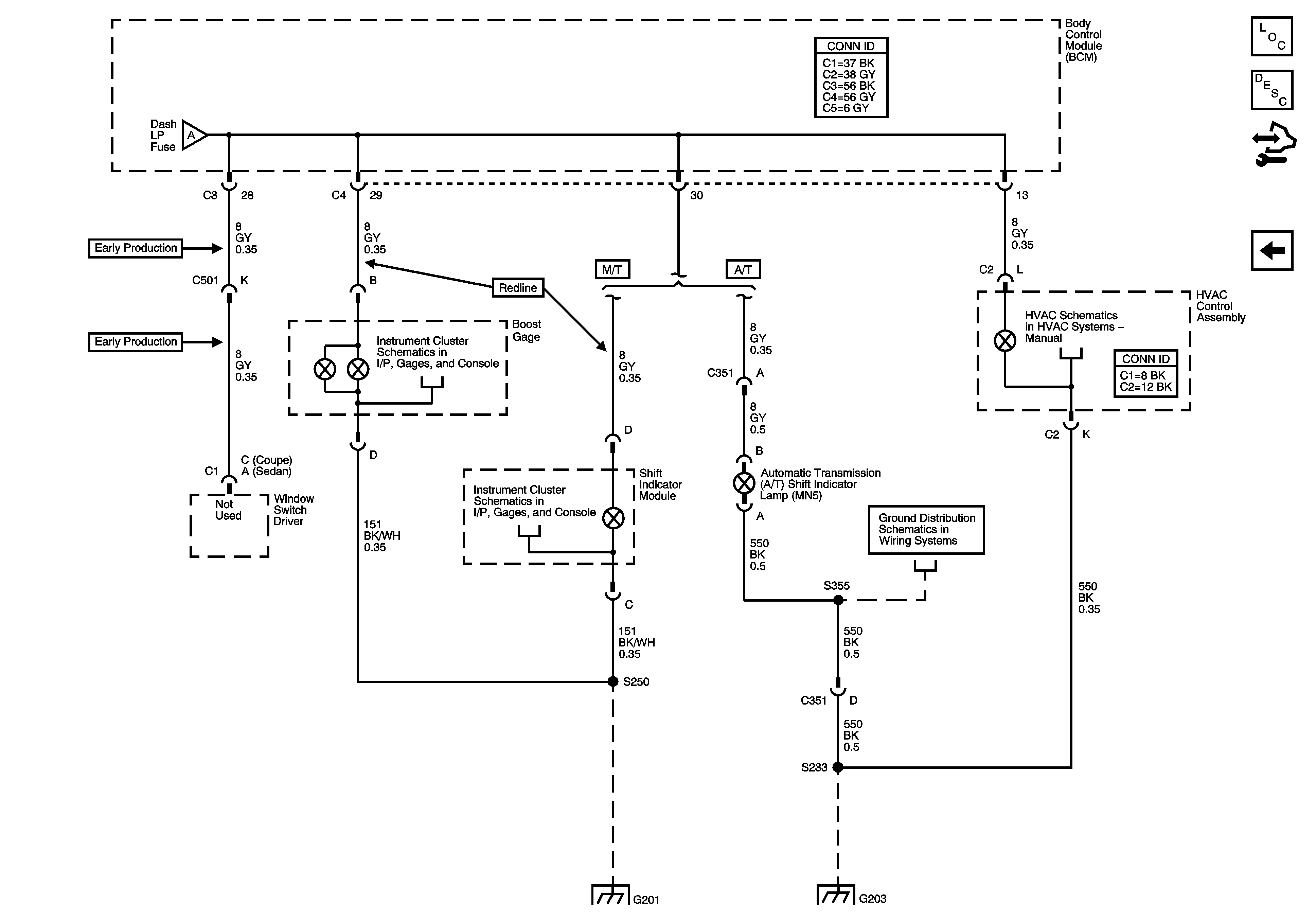
Figure
2:
Shift Indicator Module, Boost Gage, A/T Shift Indicator and HVAC Control Assembly
Master Electrical Component List
Interior Lighting Systems Description and Operation
Control Module References
Turn Signal/Multifunction Switch, Instrument Panel Cluster, I/P Dimmer Switch, Hazard Switch, Fog Lamp Switch, Traction Control Switch and Radio
Turn Signal/Multifunction Switch, Instrument Panel Cluster, I/P Dimmer Switch, Hazard Switch, Fog Lamp Switch, Traction Control Switch and Radio
Boost Gage / Shift Indicator Module (UXE)
Boost Gage / Shift Indicator Module (UXE)
G203
Air Recirculation Controls (C60)
G201
G203