GM Service Manual Online
For 1990-2009 cars only
Figure 1:

G101


Object Number: 1459000  Size: FS
Master Electrical Component List
Control Module References
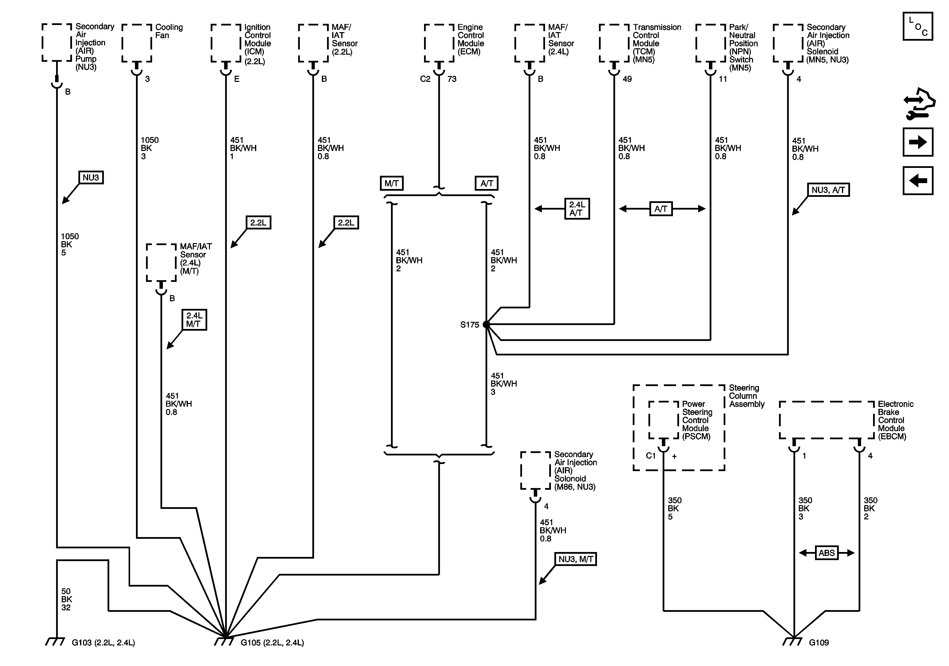
G103 and G105 - 2.0L, and G107 - 2.4L
Figure 2:

G103 and G105 - 2.0L, and G107 - 2.4L


Object Number: 1592837  Size: FS
Master Electrical Component List
Control Module References
G103 and G105 - 2.2L, 2.4L, and G109
G101
Figure 3:

G103, G105 (2.2L, 2.4L) and G109


Object Number: 1592838  Size: FS
Master Electrical Component List
Control Module References
G201
G103 and G105 - 2.0L, and G107 - 2.4L
Figure 4:

G201


Object Number: 1592839  Size: FS
Master Electrical Component List
Control Module References
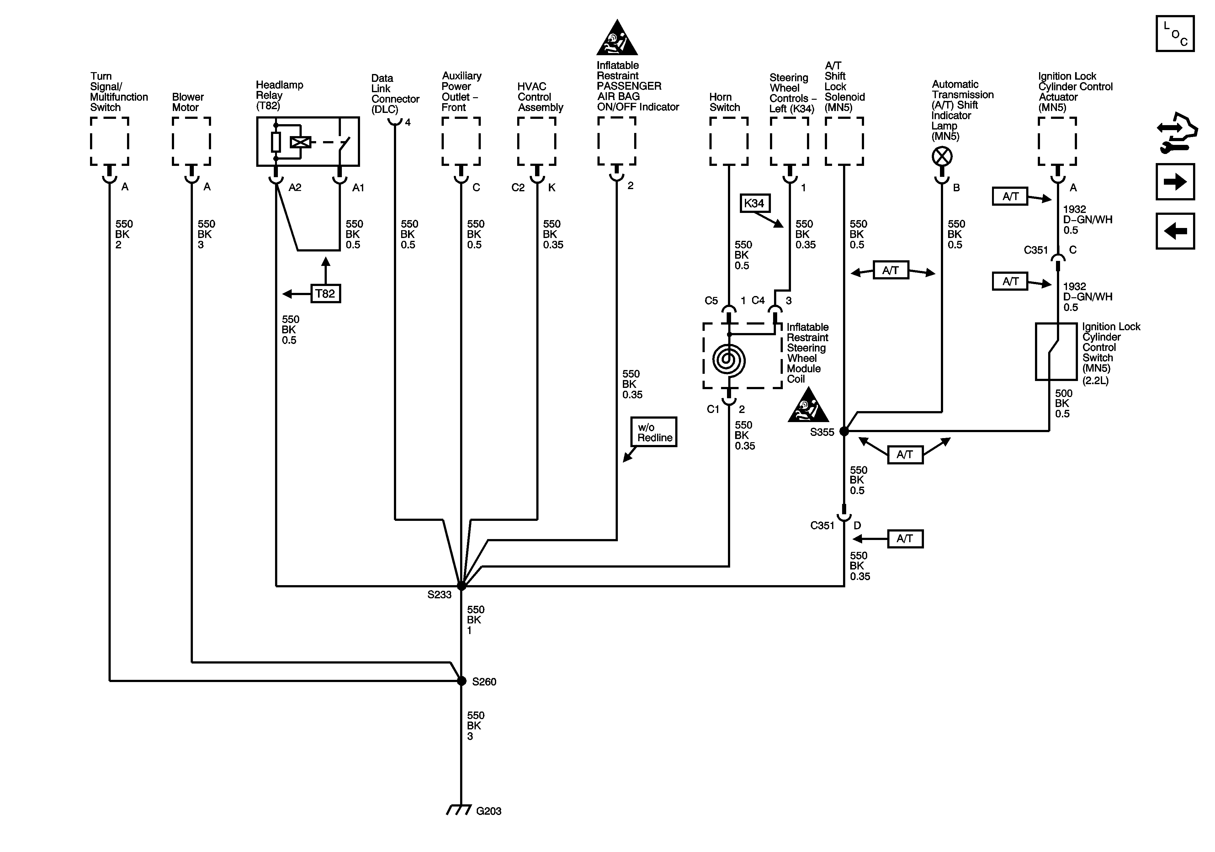
G203
G103 and G105 - 2.2L, 2.4L, and G109
Power and Grounding Schematic Icons
Power and Grounding Schematic Icons
Figure 5:

G203


Object Number: 1592840  Size: FS
Master Electrical Component List
Control Module References
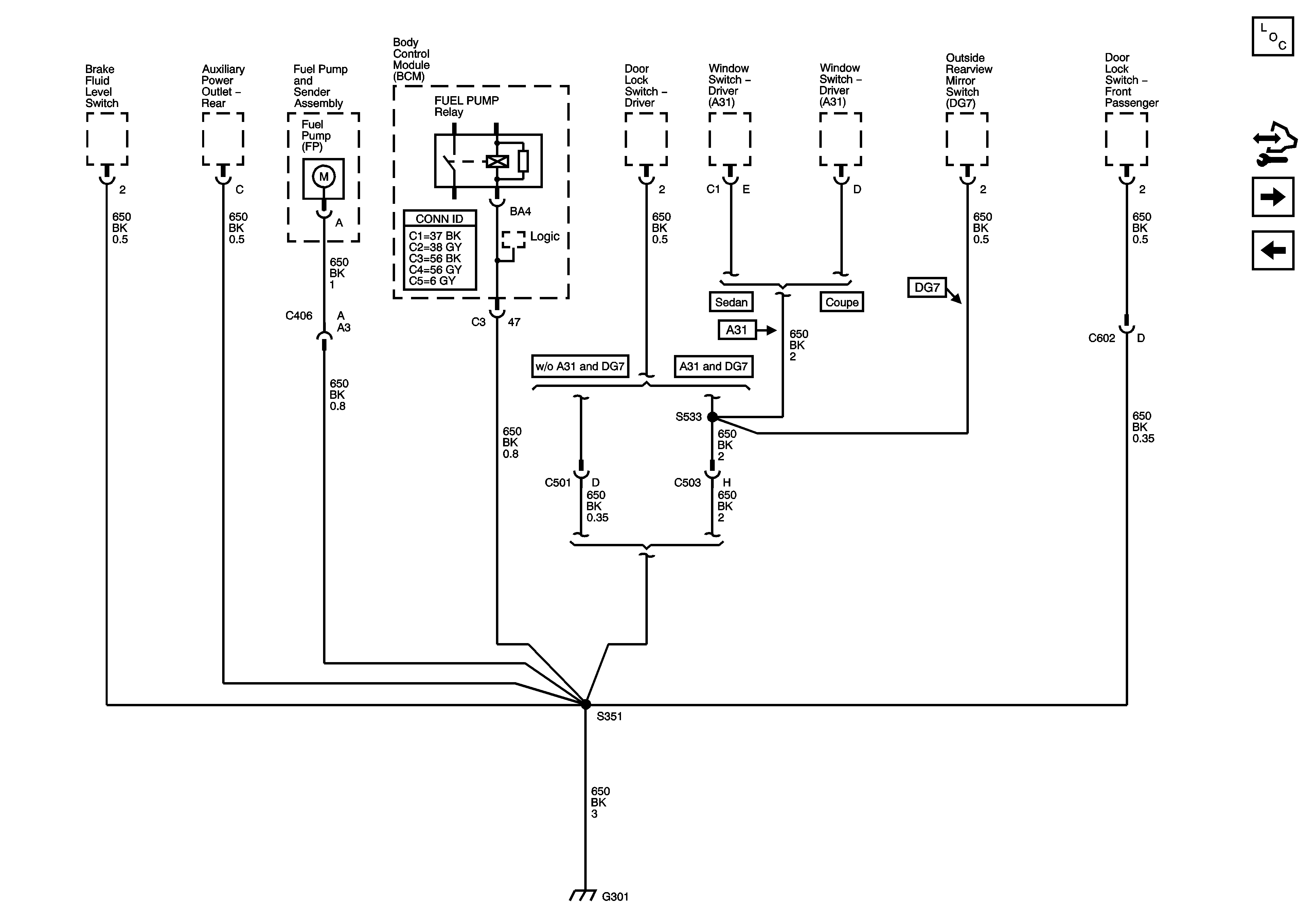
G301
G201
Power and Grounding Schematic Icons
Power and Grounding Schematic Icons
Figure 6:

G301


Object Number: 1592841  Size: FS
Master Electrical Component List
Control Module References
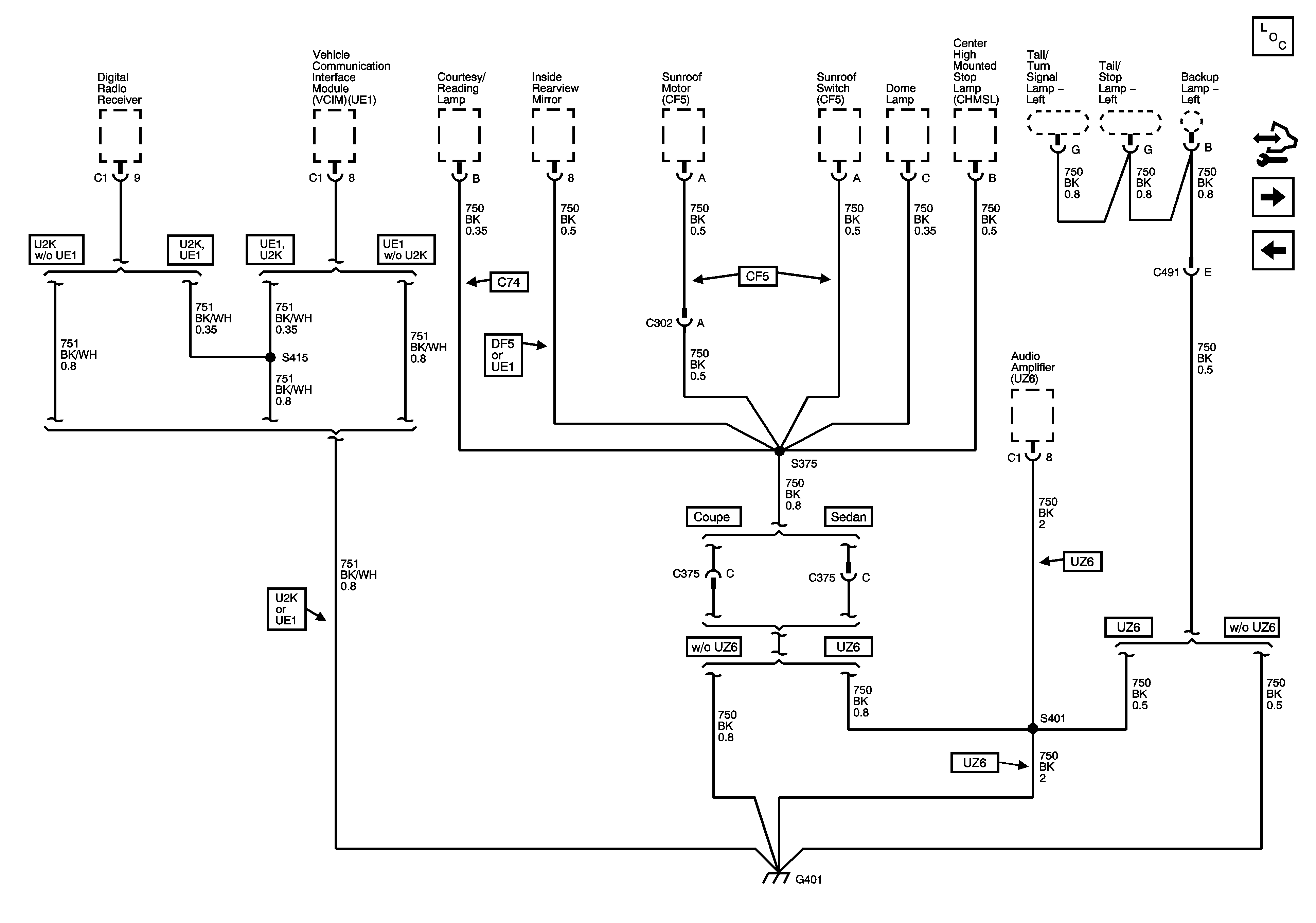
G401
G203
Figure 7:

G401


Object Number: 1592842  Size: FS
Master Electrical Component List
Control Module References
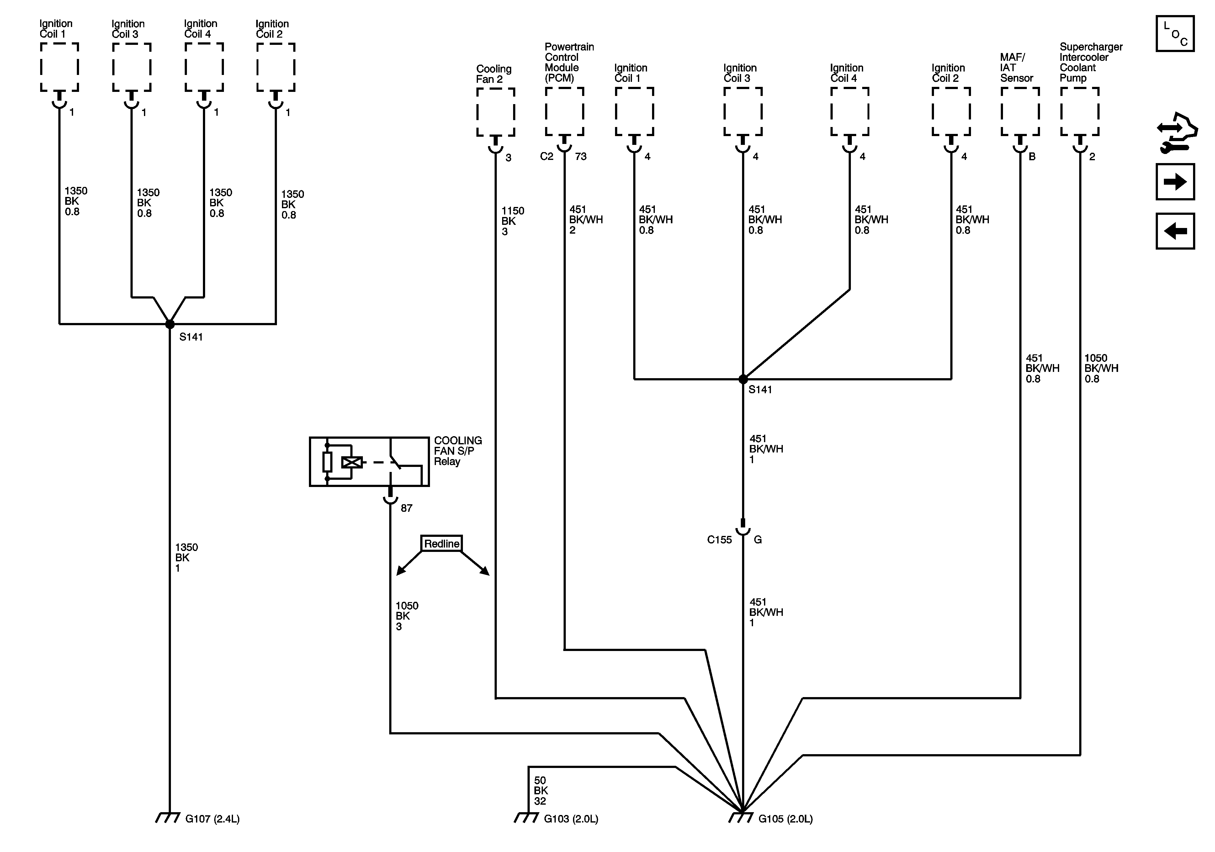
G403, G502
G301
Figure 8:

G403 and G502


Object Number: 1453754  Size: FS
Master Electrical Component List
Control Module References
G401