GM Service Manual Online
For 1990-2009 cars only
Makes
🢒
Saturn
🢒
2006
🢒
ION
🢒 Vehicle Theft Deterrent
Vehicle Theft Deterrent
Vehicle Theft Deterrent
Master Electrical Component List
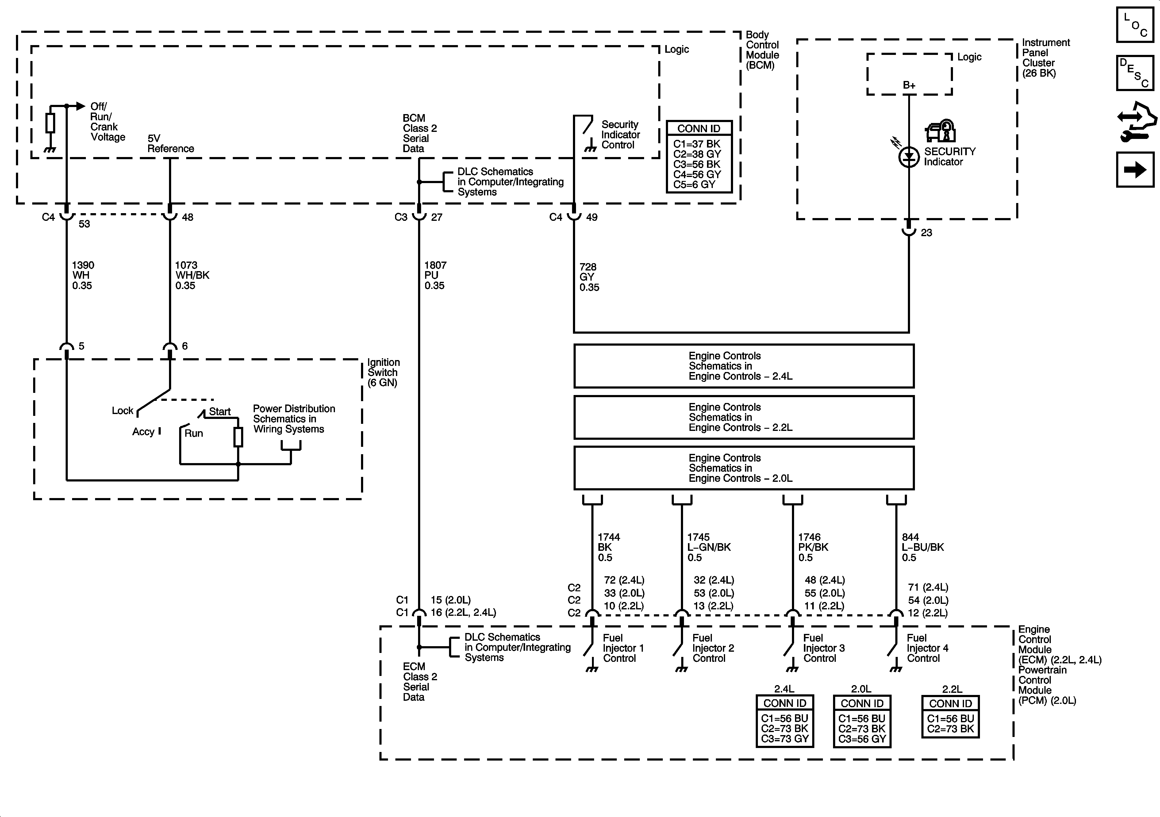
Vehicle Theft Deterrent (VTD) Description and Operation
Control Module References
Content Theft Deterrent
DLC Power, Ground, Class 2, and Low Speed GM LAN
Fuel Controls
Fuel Controls - 2.2L
Fuel Controls - 2.0L
DLC Power, Ground, Class 2, and Low Speed GM LAN