GM Service Manual Online
For 1990-2009 cars only

Engine Coolant Thermostat Housing Replacement RPO LSJ

Removal Procedure


    Object Number: 1212666  Size: SH
  1. Drain the cooling system. Refer to Cooling System Draining and Filling .
  2. Important: A drain has been provided at the bottom of the water pump for engine block coolant drainage.

  3. Drain the coolant from the engine block at the water pump drain. After the coolant has drained, tighten the drain bolt.
  4. Lower the vehicle.
  5. Remove the front heated oxygen sensor (HO2S) electrical connector clip from the thermostat housing.

  6. Object Number: 1649566  Size: SH
  7. Remove the positive crankcase ventilation (PCV) vent tube/hose bolt (4) and nuts (2, 5).
  8. Reposition the PCV vent tube/hose clamps (1, 3).
  9. Remove the PCV vent tube/hose from the air cleaner outlet duct, and the camshaft cover.
  10. Remove the PCV vent tube/hose from the engine.

  11. Object Number: 1649568  Size: SH
  12. Reposition the radiator outlet hose clamp at the thermostat cover.
  13. Remove the radiator outlet hose from the thermostat cover.

  14. Object Number: 1649567  Size: SH
  15. Reposition the radiator surge tank outlet hose clamp (1) at the thermostat cover.
  16. Remove the radiator surge tank outlet hose from the thermostat cover.
  17. Reposition the oil cooler inlet and outlet hose (2, 3) clamps at the thermostat cover.
  18. Remove the oil cooler inlet and outlet hoses from the thermostat cover.

  19. Object Number: 1631387  Size: SH
  20. Remove the exhaust heat shield studs (2).
  21. Remove the exhaust heat shield (1).

  22. Object Number: 1649565  Size: SH
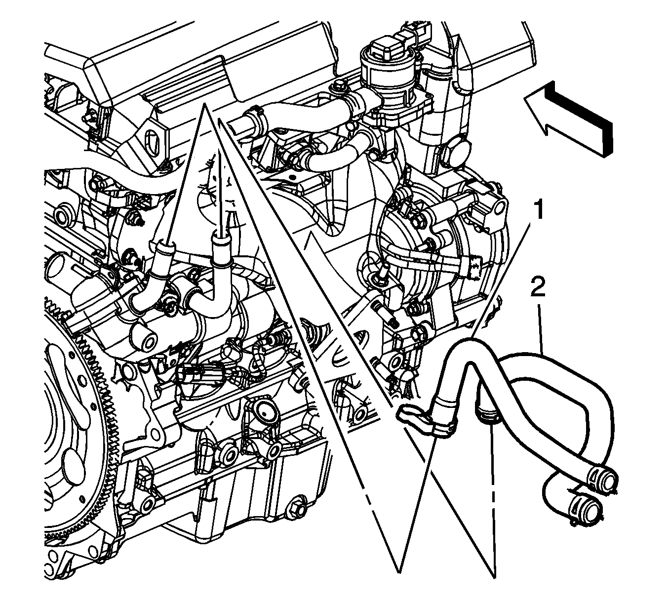
  23. Reposition the heater inlet and outlet hose clamps at the thermostat housing pipes.
  24. Disconnect the heater inlet (1) and outlet (2) hoses from the thermostat housing pipes.
  25. Raise and support the vehicle. Refer to Lifting and Jacking the Vehicle .

  26. Object Number: 1381548  Size: SH
  27. Remove the thermostat housing bolts.
  28. Important: Twist the water transfer pipe while pulling in order to remove it from the water pump.

  29. Remove the thermostat housing from the vehicle.
  30. Remove the water transfer pipe from the thermostat housing, if necessary.
  31. Remove and discard the water transfer pipe O-ring seals, if necessary.
  32. Remove the thermostat cover bolts and cover, if necessary.
  33. Remove the thermostat, if necessary.
  34. Remove and discard the thermostat cover O-ring seal, if necessary.

Installation Procedure


    Object Number: 1381565  Size: SH
  1. Install a NEW thermostat cover O-ring seal into the recess groove.
  2. Install the thermostat, if necessary.
  3. Notice: Refer to Fastener Notice in the Preface section.

  4. Install the thermostat cover bolts, if necessary.
  5. Tighten
    Tighten the bolts to 10 N·m (89 lb in).

  6. Install a NEW thermostat housing to engine gasket onto the thermostat housing.
  7. Load the thermostat housing assembly into position.
  8. Important: The water feed pipe seals can be lightly lubricated with coolant to aid during installation.

  9. Install NEW O-ring seals onto the water feed pipe.
  10. Important: Lubricate the O-rings with coolant ONLY.

  11. Install the water feed pipe into the thermostat housing aligning locator tab.
  12. Align the water pipe to water pump.
  13. Seat the water feed O-ring seal by pushing inward toward the water pump. Take care not to tear or damage the O-ring.
  14. Position the thermostat housing against the engine.
  15. Install the thermostat housing bolts.
  16. Tighten
    Tighten the bolts to 10 N·m (89 lb in).

  17. Lower the vehicle.

  18. Object Number: 1649565  Size: SH
  19. Connect the heater inlet (1) and outlet (2) hoses to the thermostat housing pipes.
  20. Position the heater inlet and outlet hose clamps at the thermostat housing pipes.

  21. Object Number: 1631387  Size: SH
  22. Install the exhaust heat shield (1).
  23. Install the exhaust heat shield studs (2).
  24. Tighten
    Tighten the studs to 22 N·m (16 lb ft).


    Object Number: 1649567  Size: SH
  25. Install the oil cooler inlet and outlet hoses to the thermostat cover.
  26. Position the oil cooler inlet and outlet hose (2, 3) clamps at the thermostat cover.
  27. Install the radiator surge tank outlet hose to the thermostat cover.
  28. Position the radiator surge tank outlet hose clamp (1) at the thermostat cover.

  29. Object Number: 1649568  Size: SH
  30. Install the radiator outlet hose to the thermostat cover.
  31. Position the radiator outlet hose clamp at the thermostat cover.

  32. Object Number: 1649566  Size: SH
  33. Install the PCV vent tube/hose to the engine.
  34. Install the PCV vent tube/hose to the air cleaner outlet duct, and the camshaft cover.
  35. Position the PCV vent tube/hose clamps (1, 3).
  36. Install the PCV vent tube/hose bolt (4) and nuts (2, 5).
  37. Tighten
    Tighten the bolt/nuts to 10 N·m (89 lb in).

  38. Connect the front HO2S electrical connector clip to the thermostat housing.

  39. Object Number: 1212666  Size: SH

    Important: The vehicle must be level when filling the cooling system.

  40. Verify the drain valves at the radiator and water pump are closed.
  41. Fill the cooling system. Refer to Cooling System Draining and Filling .
  42. Lower the vehicle.
  43. Verify the repair and inspect for any leaks.

Engine Coolant Thermostat Housing Replacement L61

Removal Procedure


    Object Number: 1212666  Size: SH
  1. Remove the intake manifold cover. Refer to Intake Manifold Cover Replacement .
  2. Drain the cooling system. Refer to Cooling System Draining and Filling .
  3. Important: A drain has been provided at the bottom of the water pump for engine block coolant drainage.

  4. Drain the coolant from the engine block at the water pump drain. After the coolant has drained, tighten the drain bolt.
  5. Lower the vehicle.

  6. Object Number: 1647986  Size: SH
  7. If equipped with a automatic transaxle, perform the following steps, disconnect the engine coolant temperature (ECT) sensor electrical connector (3).
  8. Remove the heated oxygen sensor (HO2S) electrical connector clip from the thermostat housing.

  9. Object Number: 1648166  Size: SH
  10. If equipped with a manual transaxle, disconnect the ECT sensor electrical connector (3).

  11. Object Number: 773501  Size: SH
  12. Remove the ECT sensor, if necessary.

  13. Object Number: 1649362  Size: SH
  14. Reposition the radiator outlet hose clamp (1) at the thermostat cover.
  15. Remove the radiator outlet hose from the thermostat cover.

  16. Object Number: 1631387  Size: SH
  17. Remove the exhaust heat shield studs (2).
  18. Remove the exhaust heat shield (1).

  19. Object Number: 1647980  Size: SH
  20. Reposition the heater inlet and outlet hose clamps at the thermostat housing pipes.
  21. Disconnect the heater inlet and outlet hoses (1, 2) from the thermostat housing pipes.
  22. Raise and support the vehicle. Refer to Lifting and Jacking the Vehicle .

  23. Object Number: 1713067  Size: SH
  24. Remove the thermostat housing bolts.
  25. Important: Twist the water transfer pipe while pulling in order to remove it from the water pump.

  26. Remove the thermostat from the vehicle.
  27. Remove the water transfer pipe from the thermostat housing, if necessary.
  28. Remove and discard the water transfer pipe O-ring seals, if necessary.

  29. Object Number: 1713064  Size: SH
  30. Remove the thermostat cover bolts and cover, if necessary.
  31. Remove the thermostat, if necessary.
  32. Remove and discard the thermostat cover O-ring seal, if necessary.
  33. Remove all debris and thread sealant from the ECT sensor and bolt holes if the housing is being re-used.

Installation Procedure


    Object Number: 1713064  Size: SH
  1. Install a NEW thermostat cover O-ring seal into the recess groove.
  2. Install the thermostat, if necessary.
  3. Notice: Refer to Fastener Notice in the Preface section.

  4. Install the thermostat cover bolts, if necessary.
  5. Tighten
    Tighten the bolts to 10 N·m (89 lb in).

  6. Install a NEW thermostat housing to engine gasket onto the thermostat housing.
  7. Load the thermostat housing assembly into position.

  8. Object Number: 1713067  Size: SH

    Important: The water feed pipe seals can be lightly lubricated with coolant to aid during installation.

  9. Install NEW O-ring seals onto the water feed pipe.
  10. Important: Lubricate the O-rings with coolant ONLY.

  11. Install the water feed pipe into the thermostat housing aligning locator tab.
  12. Align the water pipe to water pump.
  13. Seat the water feed O-ring seal by pushing inward toward the water pump. Take care not to tear or damage the O-ring.
  14. Position the thermostat housing against the engine.
  15. Install the thermostat housing bolts.
  16. Tighten
    Tighten the bolts to 10 N·m (89 lb in).

  17. Lower the vehicle.

  18. Object Number: 1647980  Size: SH
  19. Connect the heater inlet and outlet hoses (1, 2) to the thermostat housing pipes.
  20. Position the heater inlet and outlet hose clamps at the thermostat housing pipes.

  21. Object Number: 1631387  Size: SH
  22. Install the exhaust heat shield (1).
  23. Install the exhaust heat shield studs (2).
  24. Tighten
    Tighten the studs to 22 N·m (16 lb ft).


    Object Number: 1649362  Size: SH
  25. Install the radiator outlet hose to the thermostat cover.
  26. Position the radiator outlet hose clamp (1) at the thermostat cover.

  27. Object Number: 773501  Size: SH
  28. If reinstalling the old sensor, coat the threads with sealant. Refer to Adhesives, Fluids, Lubricants, and Sealers .
  29. Install the ECT sensor, if necessary.
  30. Tighten
    Tighten the sensor to 20 N·m (15 lb ft).


    Object Number: 1648166  Size: SH
  31. If equipped with a manual transaxle, connect the ECT sensor electrical connector (3).

  32. Object Number: 1647986  Size: SH
  33. If equipped with an automatic transaxle, perform the following steps, connect the ECT sensor electrical connector (3).
  34. Connect the HO2S electrical connector clip to the thermostat housing.

  35. Object Number: 1212666  Size: SH

    Important: The vehicle must be level when filling the cooling system.

  36. Verify the drain valves at the radiator and water pump are closed.
  37. Lower the vehicle.
  38. Fill the cooling system. Refer to Cooling System Draining and Filling .
  39. Install the intake manifold cover. Refer to Intake Manifold Cover Replacement .

Engine Coolant Thermostat Housing Replacement LE5

Removal Procedure


    Object Number: 1212666  Size: SH
  1. Remove the intake manifold cover. Refer to Intake Manifold Cover Replacement .
  2. Drain the cooling system. Refer to Cooling System Draining and Filling .
  3. Important: A drain has been provided at the bottom of the water pump for engine block coolant drainage.

  4. Drain the coolant from the engine block at the water pump drain. After the coolant has drained, tighten the drain bolt.
  5. Lower the vehicle.
  6. For access, reposition the underhood electrical center/junction block bracket. Refer to Underhood Electrical Center or Junction Block Bracket Replacement .

  7. Object Number: 1647986  Size: SH
  8. If equipped with a automatic transaxle, perform the following steps, disconnect the engine coolant temperature (ECT) sensor electrical connector (3).
  9. Remove the heated oxygen sensor (HO2S) electrical connector clip from the thermostat housing.

  10. Object Number: 1648166  Size: SH
  11. If equipped with a manual transaxle, disconnect the ECT sensor electrical connector (3).

  12. Object Number: 773501  Size: SH
  13. Remove the ECT sensor, if necessary.

  14. Object Number: 1656116  Size: SH
  15. Reposition the radiator surge tank outlet hose clamp (1) at the thermostat cover.
  16. Reposition the radiator surge tank outlet hose clamp (2) at the oil cooler.
  17. Remove the radiator surge tank outlet hose from the thermostat cover and oil cooler.

  18. Object Number: 1656115  Size: SH
  19. Reposition the radiator outlet hose clamp (1) at the thermostat housing.
  20. Remove the radiator outlet hose from the thermostat housing.

  21. Object Number: 1649362  Size: SH
  22. Reposition the radiator outlet hose clamp (1) at the thermostat cover.
  23. Remove the radiator outlet hose from the thermostat cover.

  24. Object Number: 1631387  Size: SH
  25. Remove the exhaust heat shield studs (2).
  26. Remove the exhaust heat shield (1).

  27. Object Number: 1656127  Size: SH
  28. Reposition the heater inlet and outlet hose clamps at the thermostat housing pipes.
  29. Disconnect the heater inlet (2) and outlet (1) hoses from the thermostat housing pipes.
  30. Raise and support the vehicle. Refer to Lifting and Jacking the Vehicle .

  31. Object Number: 1713067  Size: SH
  32. Remove the thermostat housing bolts.
  33. Important: Twist the water transfer pipe while pulling in order to remove it from the water pump.

  34. Remove the thermostat from the vehicle.
  35. Remove the water transfer pipe from the thermostat housing, if necessary.
  36. Remove and discard the water transfer pipe O-ring seals, if necessary.

  37. Object Number: 1713064  Size: SH
  38. Remove the thermostat cover bolts and cover, if necessary.
  39. Remove the thermostat, if necessary.
  40. Remove and discard the thermostat cover O-ring seal, if necessary.
  41. Remove all debris and thread sealant from the ECT sensor and bolt holes if the housing is being re-used.

Installation Procedure


    Object Number: 1713064  Size: SH
  1. Install a NEW thermostat cover O-ring seal into the recess groove.
  2. Install the thermostat, if necessary.
  3. Notice: Refer to Fastener Notice in the Preface section.

  4. Install the thermostat cover bolts, if necessary.
  5. Tighten
    Tighten the bolts to 10 N·m (89 lb in).

  6. Install a NEW thermostat housing to engine gasket onto the thermostat housing.
  7. Load the thermostat housing assembly into position.

  8. Object Number: 1713067  Size: SH

    Important: The water feed pipe seals can be lightly lubricated with coolant to aid during installation.

  9. Install NEW O-ring seals onto the water feed pipe.
  10. Important: Lubricate the O-rings with coolant ONLY.

  11. Install the water feed pipe into the thermostat housing aligning locator tab.
  12. Align the water pipe to water pump.
  13. Seat the water feed O-ring seal by pushing inward toward the water pump. Take care not to tear or damage the O-ring.
  14. Position the thermostat housing against the engine.
  15. Install the thermostat housing bolts.
  16. Tighten
    Tighten the bolts to 10 N·m (89 lb in).

  17. Lower the vehicle.

  18. Object Number: 1656127  Size: SH
  19. Connect the heater inlet (2) and outlet (1) hoses to the thermostat housing pipes.
  20. Position the heater inlet and outlet hose clamps at the thermostat housing pipes.

  21. Object Number: 1631387  Size: SH
  22. Install the exhaust heat shield (1).
  23. Install the exhaust heat shield studs (2).
  24. Tighten
    Tighten the studs to 22 N·m (16 lb ft).


    Object Number: 1649362  Size: SH
  25. Install the radiator outlet hose to the thermostat cover.
  26. Reposition the radiator outlet hose clamp (1) at the thermostat cover.

  27. Object Number: 1656115  Size: SH
  28. Install the radiator outlet hose to the thermostat housing.
  29. Position the radiator outlet hose clamp (1) at the thermostat housing.

  30. Object Number: 1656116  Size: SH
  31. Install the radiator surge tank outlet hose to the thermostat cover and oil cooler.
  32. Position the radiator surge tank outlet hose clamp (2) at the oil cooler.
  33. Position the radiator surge tank outlet hose clamp (1) at the thermostat cover.

  34. Object Number: 773501  Size: SH
  35. If reinstalling the old sensor, coat the threads with sealant. Refer to Adhesives, Fluids, Lubricants, and Sealers .
  36. Install the ECT sensor, if necessary.
  37. Tighten
    Tighten the sensor to 20 N·m (15 lb ft).


    Object Number: 1648166  Size: SH
  38. If equipped with a manual transaxle, connect the ECT sensor electrical connector (3).

  39. Object Number: 1647986  Size: SH
  40. If equipped with a automatic transaxle, perform the following steps, connect the ECT sensor electrical connector (3).
  41. Connect the HO2S electrical connector clip to the thermostat housing.

  42. Object Number: 1212666  Size: SH

    Important: The vehicle must be level when filling the cooling system.

  43. Verify the drain valves at the radiator and water pump are closed.
  44. Lower the vehicle.
  45. Position the underhood electrical center/junction block bracket. Refer to Underhood Electrical Center or Junction Block Bracket Replacement .
  46. Fill the cooling system. Refer to Cooling System Draining and Filling .
  47. Install the intake manifold cover. Refer to Intake Manifold Cover Replacement .