GM Service Manual Online
For 1990-2009 cars only

Removal Procedure


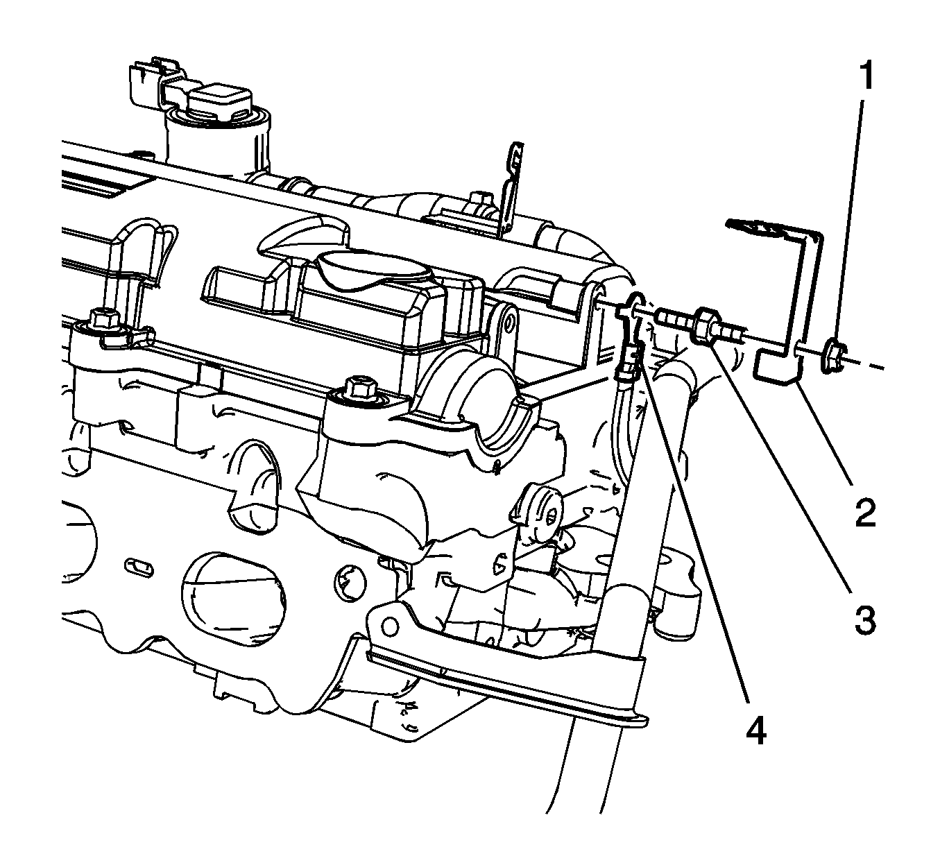
    Object Number: 1752914  Size: SH
  1. Remove the intake manifold cover. Refer to Intake Manifold Cover Replacement .
  2. Remove the air cleaner outlet resonator. Refer to Air Cleaner Outlet Resonator Replacement .
  3. Remove the ignition coils. Refer to Ignition Coil Replacement .
  4. Remove the fuel pipe bracket nut (1).
  5. Remove the fuel pipe bracket (2) from the ground strap stud.
  6. Remove the ground strap stud (3) from the camshaft cover.
  7. Remove the ground strap (4) from the camshaft cover.

  8. Object Number: 1751022  Size: SH
  9. Remove the engine wiring harness clips (1 and 4) from the stud (2) and camshaft cover (3).

  10. Object Number: 1752846  Size: SH
  11. Remove the engine wiring harness clip from the camshaft cover.

  12. Object Number: 1751021  Size: SH
  13. Remove the camshaft cover bolts.
  14. Remove the camshaft cover.

Installation Procedure

    Notice: Refer to Fastener Notice in the Preface section.


    Object Number: 1751021  Size: SH
  1. Install the camshaft cover and bolts.
  2. Tighten
    Tighten the bolts to 10 N·m (89 lb in).


    Object Number: 1752846  Size: SH
  3. Install the engine wiring harness clip to the camshaft cover.

  4. Object Number: 1751022  Size: SH
  5. Install the engine wiring harness clips (1 and 4) to the stud (2) and camshaft cover (3).

  6. Object Number: 1752914  Size: SH
  7. Install the ground strap (4) to the camshaft cover.
  8. Install the ground strap stud (3) to the camshaft cover.
  9. Tighten
    Tighten the stud to 10 N·m (89 lb in).

  10. Install the fuel pipe bracket (2) to the ground strap stud.
  11. Install the fuel pipe bracket nut (1).
  12. Tighten
    Tighten the nut to 10 N·m (89 lb in).

  13. Install the ignition coils. Refer to Ignition Coil Replacement .
  14. Install the air cleaner outlet resonator. Refer to Air Cleaner Outlet Resonator Replacement .
  15. Install the intake manifold cover. Refer to Intake Manifold Cover Replacement .