GM Service Manual Online
For 1990-2009 cars only
Makes
🢒
Saturn
🢒
2007
🢒
ION
🢒
Diagnostic Navigation
🢒
Vehicle Diagnostic Information
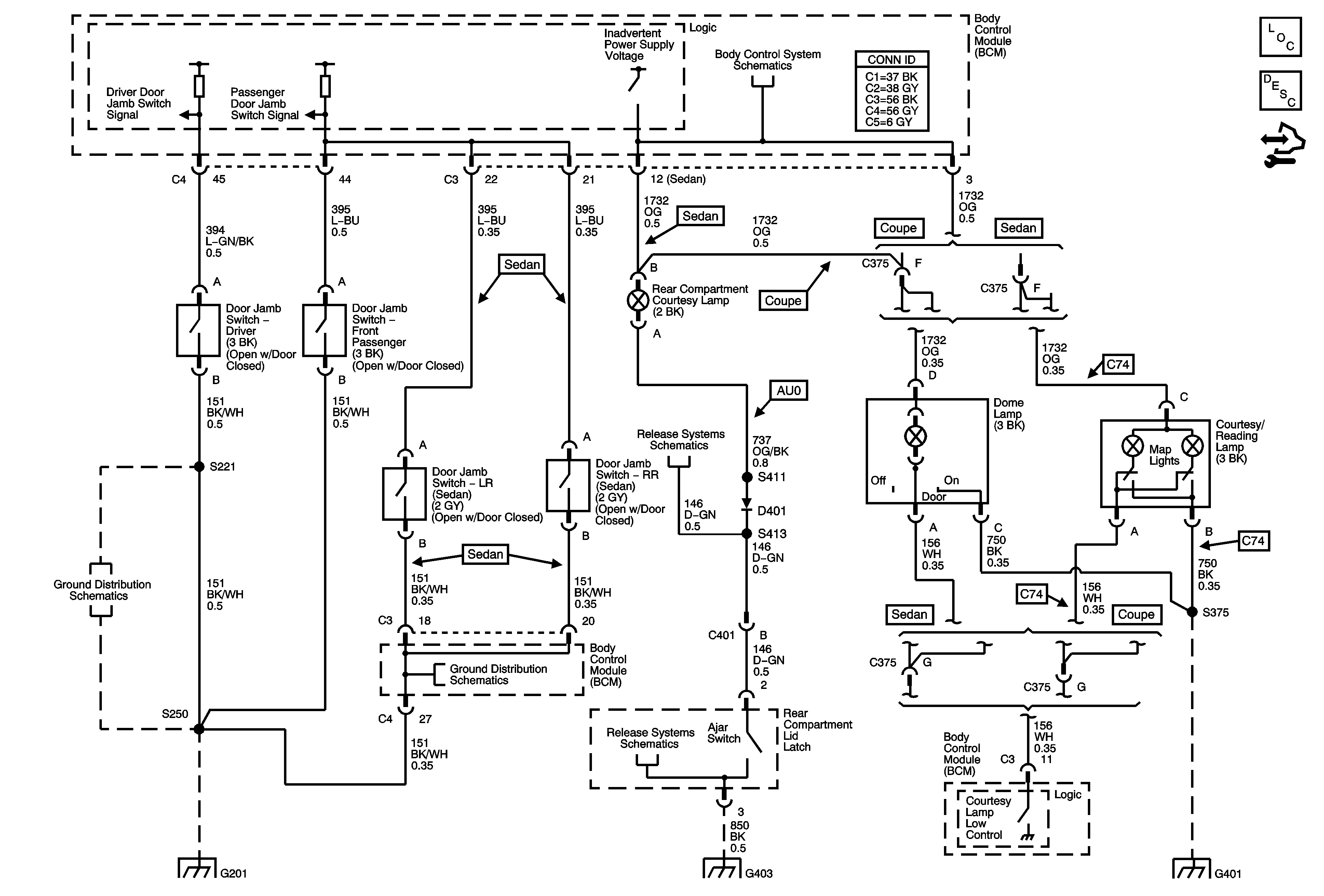
🢒 Interior Lights Schematics
Master Electrical Component List
Interior Lighting Systems Description and Operation
Control Module References
References to Body Rear End, Doors, Horns, and Lighting - 2 of 2
G201
Rear Compartment Release Schematics
G201
Rear Compartment Release Schematics
G201
G403, G502
G401