GM Service Manual Online
For 1990-2009 cars only
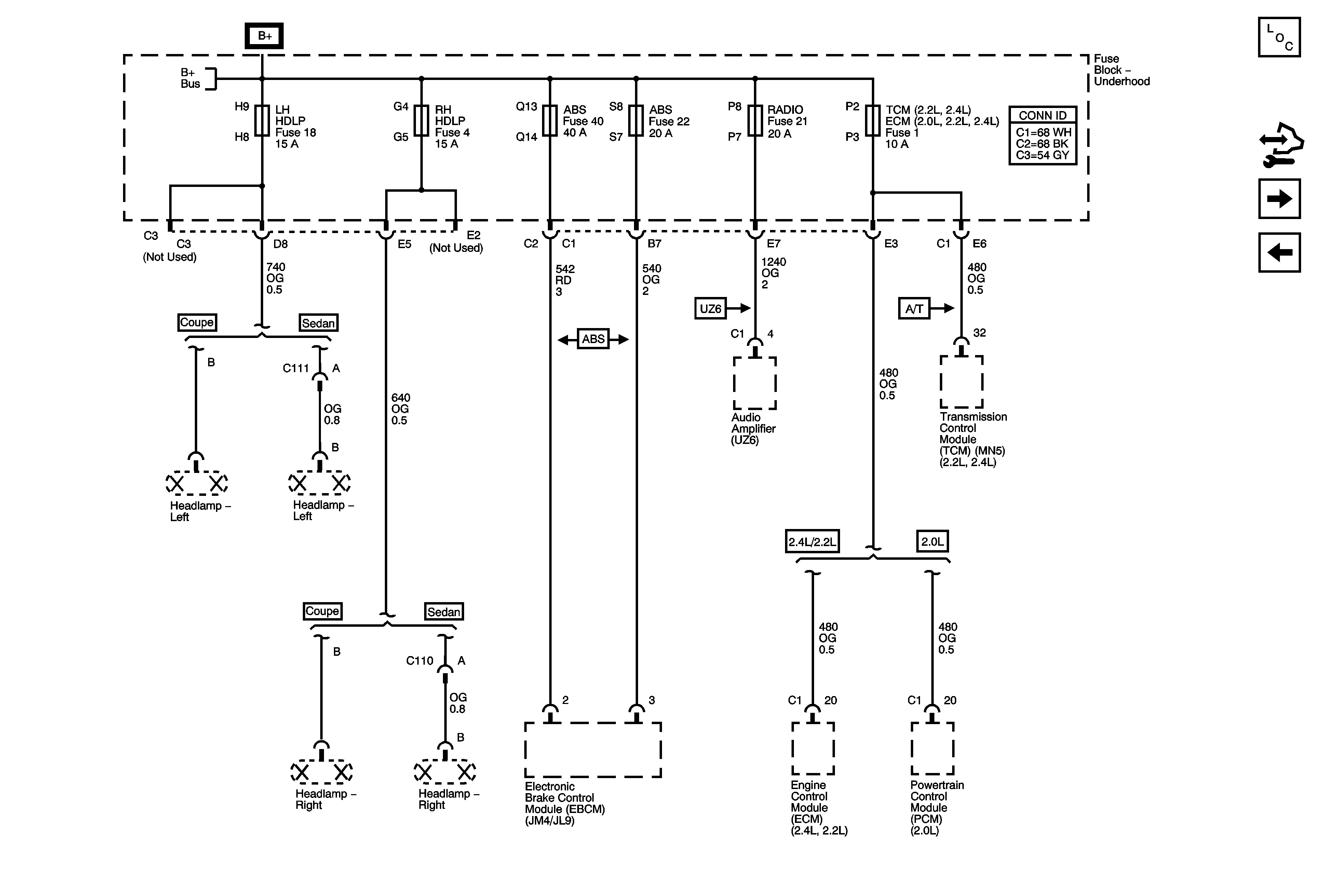
Figure 1:

B+ Bus


Object Number: 1769378  Size: FS
Master Electrical Component List
Control Module References
ABS (40A), ABS (20A), ECM, LH HDLP, Radio, RH HDLP, and TCM Fuses
Figure 2:

ABS (40A), ABS (20A), ECM, LH HDLP, Radio, RH HDLP, and TCM Fuses


Object Number: 1769379  Size: FS
Master Electrical Component List
Control Module References
BCM (PWR), DASH, IP BATT 1, IP BATT 1A, LIGHTER, ONSTAR, PARK PWR OUTLET, PWR WINDOWS, RADIO (BATT 1), RADIO (ACCY), SUNROOF, and WIPER SW Fuses
B+ Bus
B+ Bus
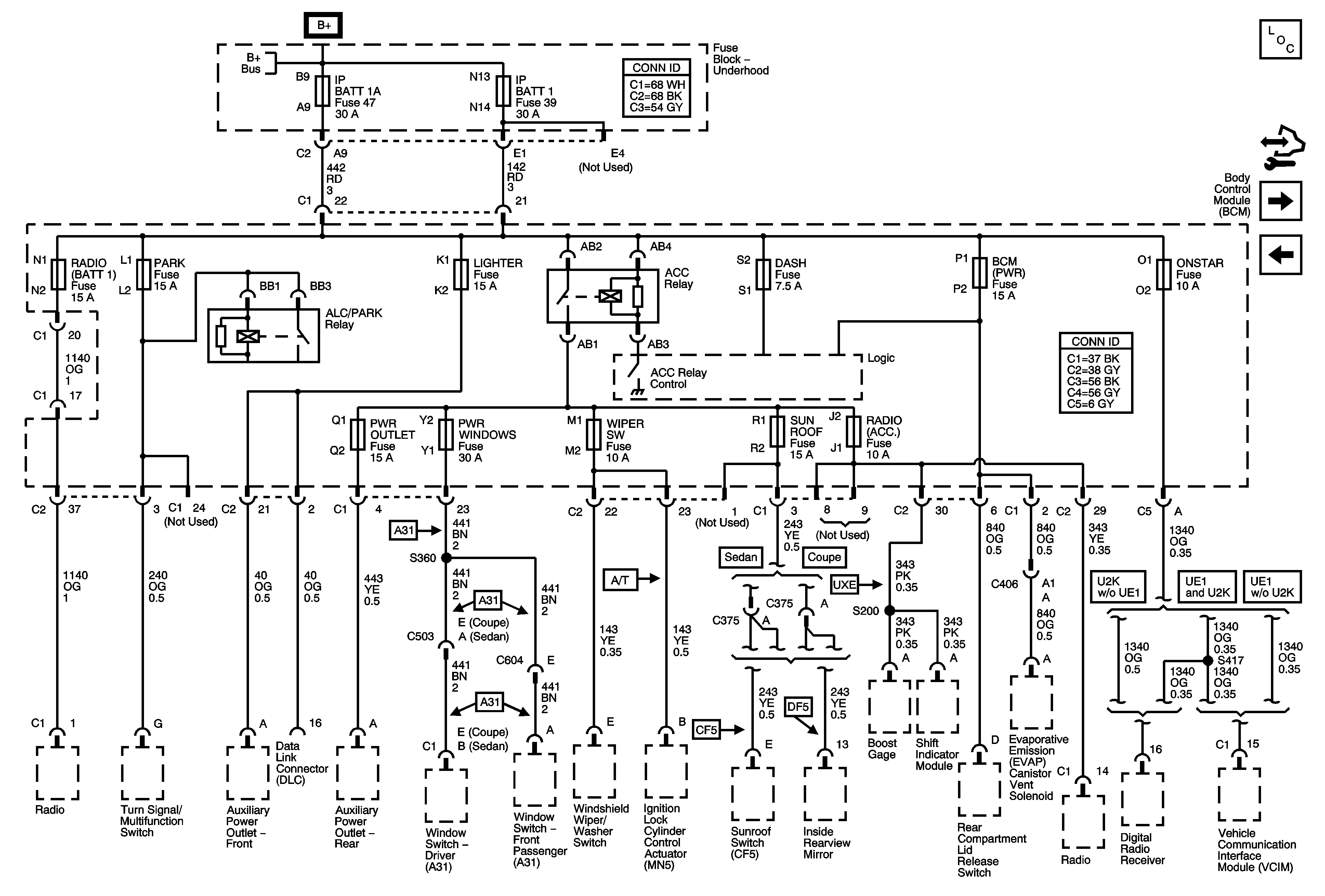
Figure 3:

BCM (PWR), DASH, IP BATT 1, IP BATT 1A, LIGHTER, ONSTAR, PARK, PWR OUTLET, PWR WINDOWS, RADIO (BATT 1), RADIO (ACCY), SUN ROOF, and WIPER SW Fuses


Object Number: 1769383  Size: FS
Master Electrical Component List
Control Module References
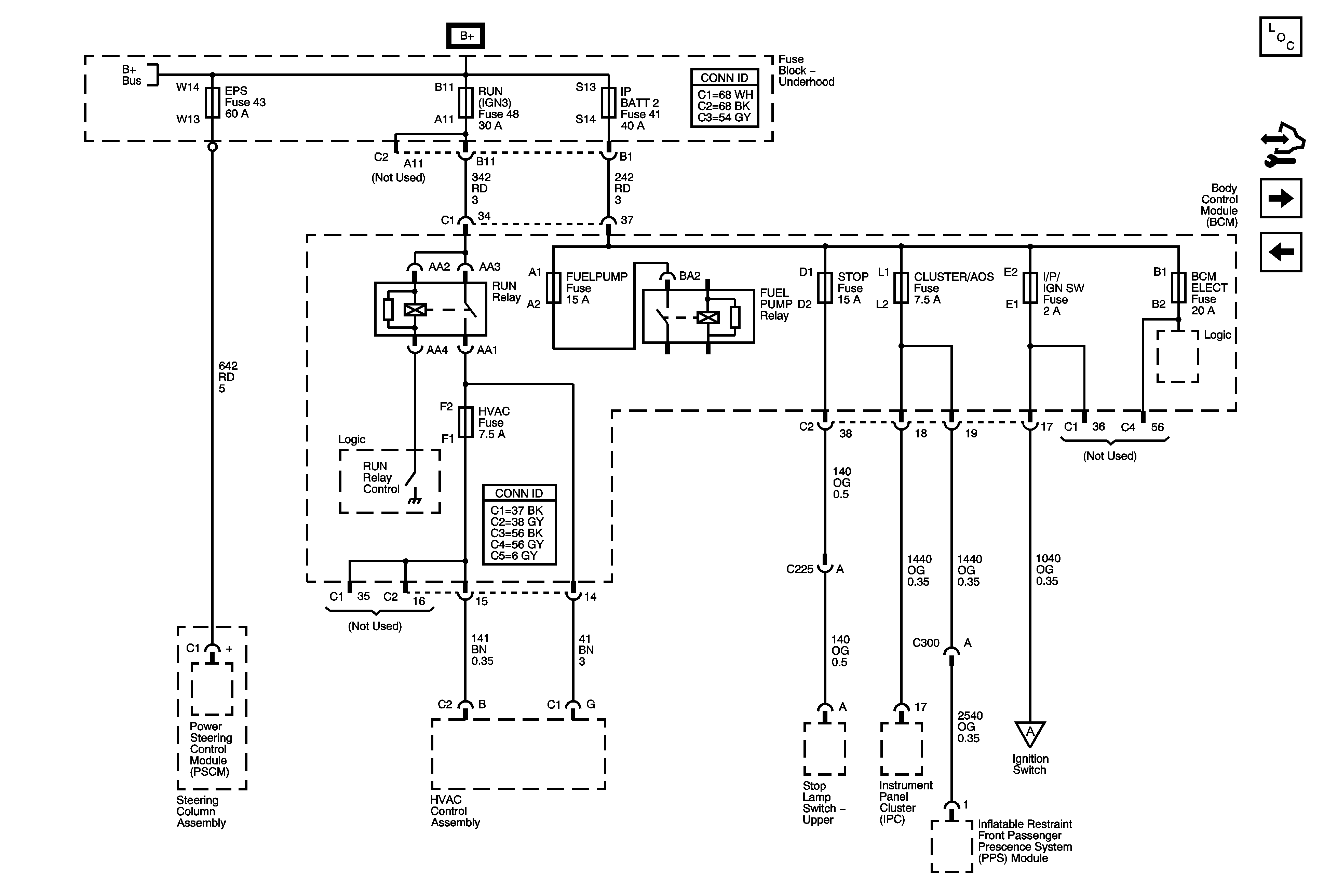
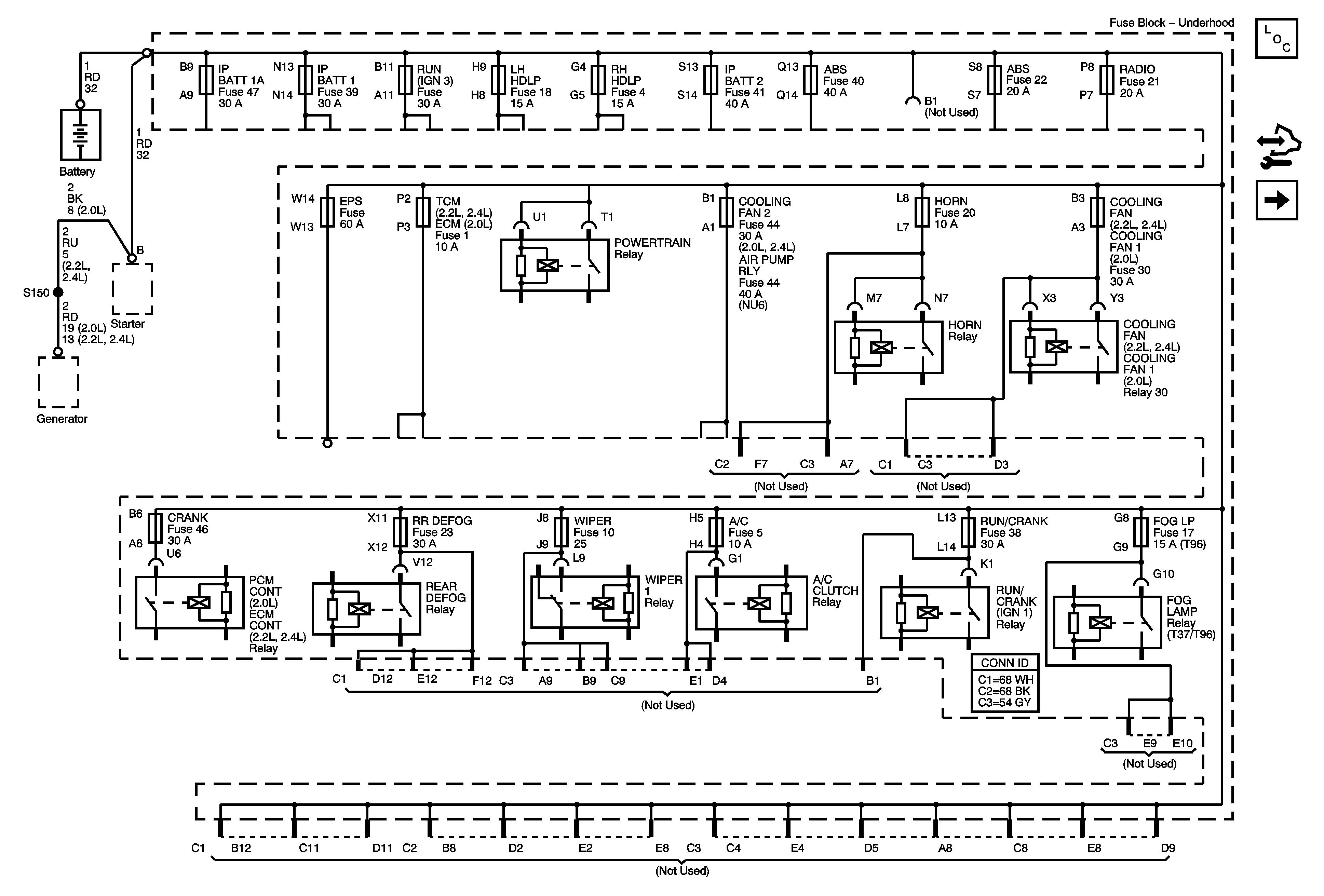
BCM, ELECT, CLUSTER/AOS, EPS (60A), FUEL PUMP, HVAC, IGN SW, IP BATT 2, RUN (IGN3), and STOP Fuses, RUN and Fuel Pump Relays
ABS (40A), ABS (20A), ECM, LH HDLP, Radio, RH HDLP, and TCM Fuses
B+ Bus
Figure 4:

BCM, ELECT, CLUSTER/AOS, EPS (60A), FUEL PUMP, HVAC, IGN SW, IP BATT 2, RUN (IGN 3), and STOP Fuses, RUN and Fuel Pump Relays


Object Number: 1769391  Size: FS
Master Electrical Component List
Control Module References
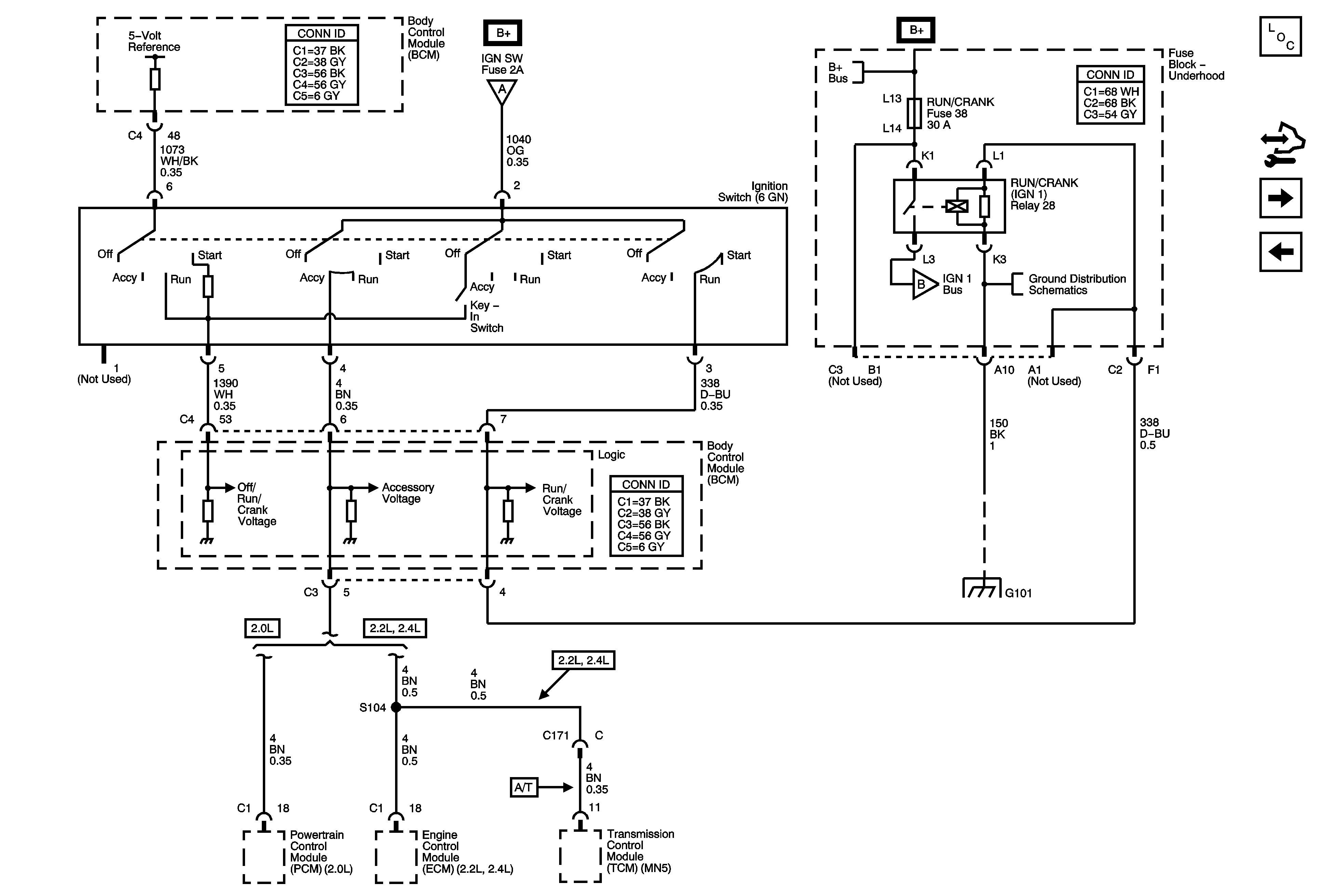
Ignition Switch, RUN/CRANK Fuse, RUN/CRANK (IGN1) Relay
BCM (PWR), DASH, IP BATT 1, IP BATT 1A, LIGHTER, ONSTAR, PARK PWR OUTLET, PWR WINDOWS, RADIO (BATT 1), RADIO (ACCY), SUNROOF, and WIPER SW Fuses
B+ Bus
Ignition Switch, RUN/CRANK Fuse, RUN/CRANK (IGN1) Relay
Figure 5:

Ignition Switch, RUN/CRANK Fuse, RUN/CRANK (IGN1) Relay


Object Number: 1769395  Size: FS
Master Electrical Component List
Control Module References
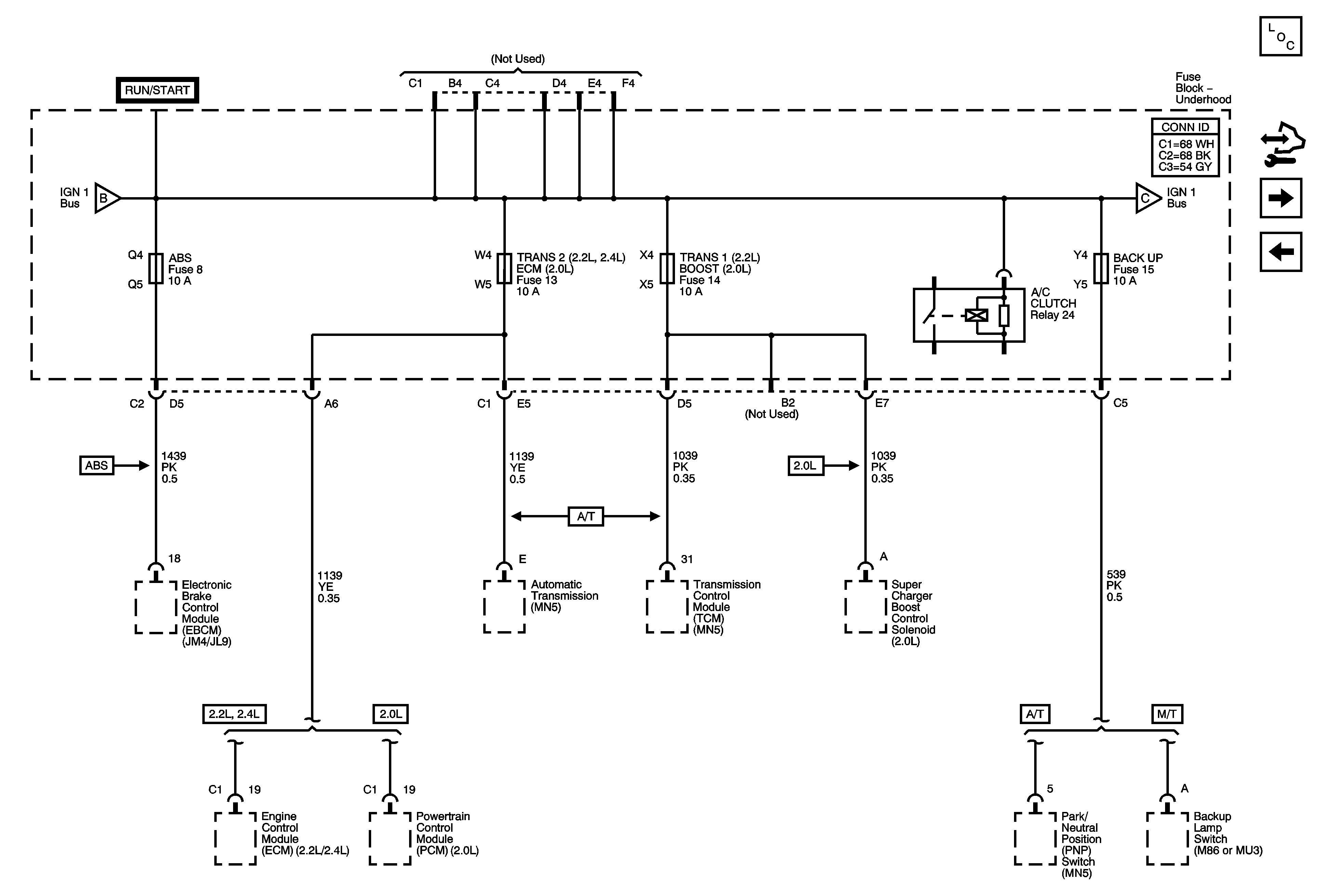
ABS (IOA), BACK UP, BOOST, ECM, TRANS 1, and TRANS 2 Fuses
BCM, ELECT, CLUSTER/AOS, EPS (60A), FUEL PUMP, HVAC, IGN SW, IP BATT 2, RUN (IGN3), and STOP Fuses, RUN and Fuel Pump Relays
BCM, ELECT, CLUSTER/AOS, EPS (60A), FUEL PUMP, HVAC, IGN SW, IP BATT 2, RUN (IGN3), and STOP Fuses, RUN and Fuel Pump Relays
B+ Bus
ABS (IOA), BACK UP, BOOST, ECM, TRANS 1, and TRANS 2 Fuses
Figure 6:

ABS (IOA), BACK UP, BOOST, ECM, TRANS 1, and TRANS 2 Fuses


Object Number: 1769400  Size: FS
Master Electrical Component List
Control Module References
AIR BAG/AOS, CLUTCH/BRAKE/AOS, EPS/CRUISE Fuses
Ignition Switch, RUN/CRANK Fuse, RUN/CRANK (IGN1) Relay
Ignition Switch, RUN/CRANK Fuse, RUN/CRANK (IGN1) Relay
AIR BAG/AOS, CLUTCH/BRAKE/AOS, EPS/CRUISE Fuses
Figure 7:

AIR BAG/AOS, CLUTCH/BRAKE/AOS, and EPS/CRUISE Fuses


Object Number: 1769402  Size: FS
Master Electrical Component List
Control Module References
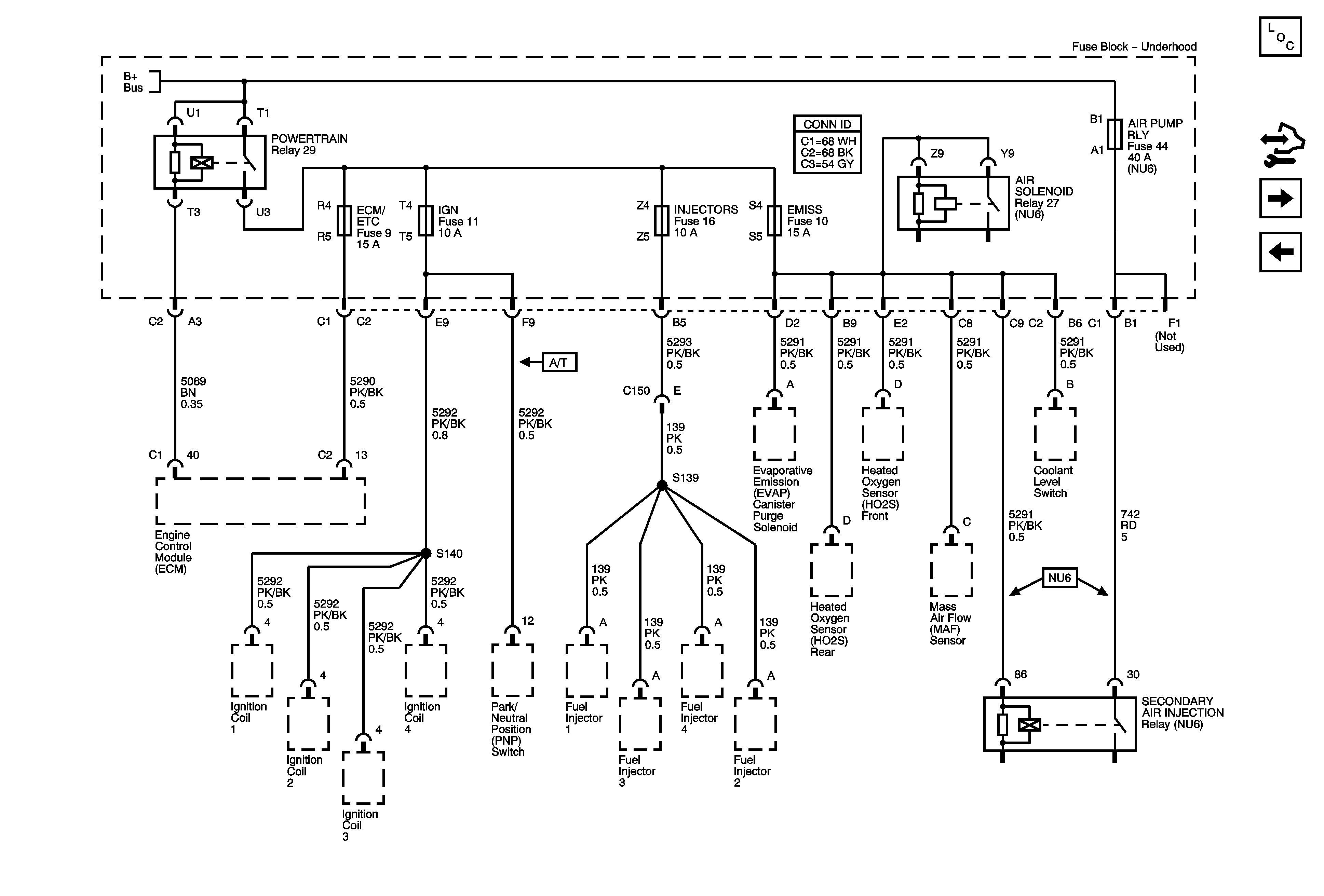
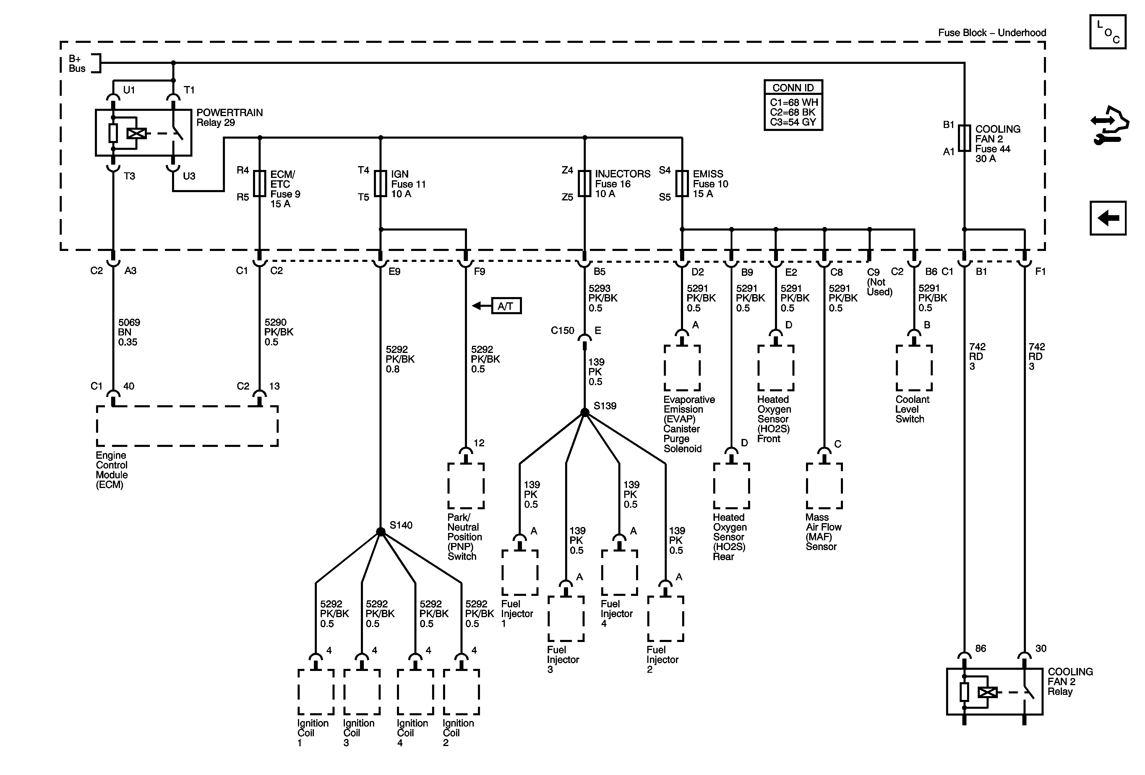
AIR PUMP RLY, ECM/ETC, EMISS, IGN, and INJECTOR Fuse, AIR SOLENOID, POWERTRAIN Relays - 2.2L
ABS (IOA), BACK UP, BOOST, ECM, TRANS 1, and TRANS 2 Fuses
ABS (IOA), BACK UP, BOOST, ECM, TRANS 1, and TRANS 2 Fuses
Power and Grounding Schematic Icons
Power and Grounding Schematic Icons
Figure 8:

AIR PUMP RLY, ECM/ETC, EMISS, IGN, and INJECTOR Fuse, AIR SOLENOID, POWERTRAIN Relays - 2.2L


Object Number: 1769407  Size: FS
Master Electrical Component List
Control Module References
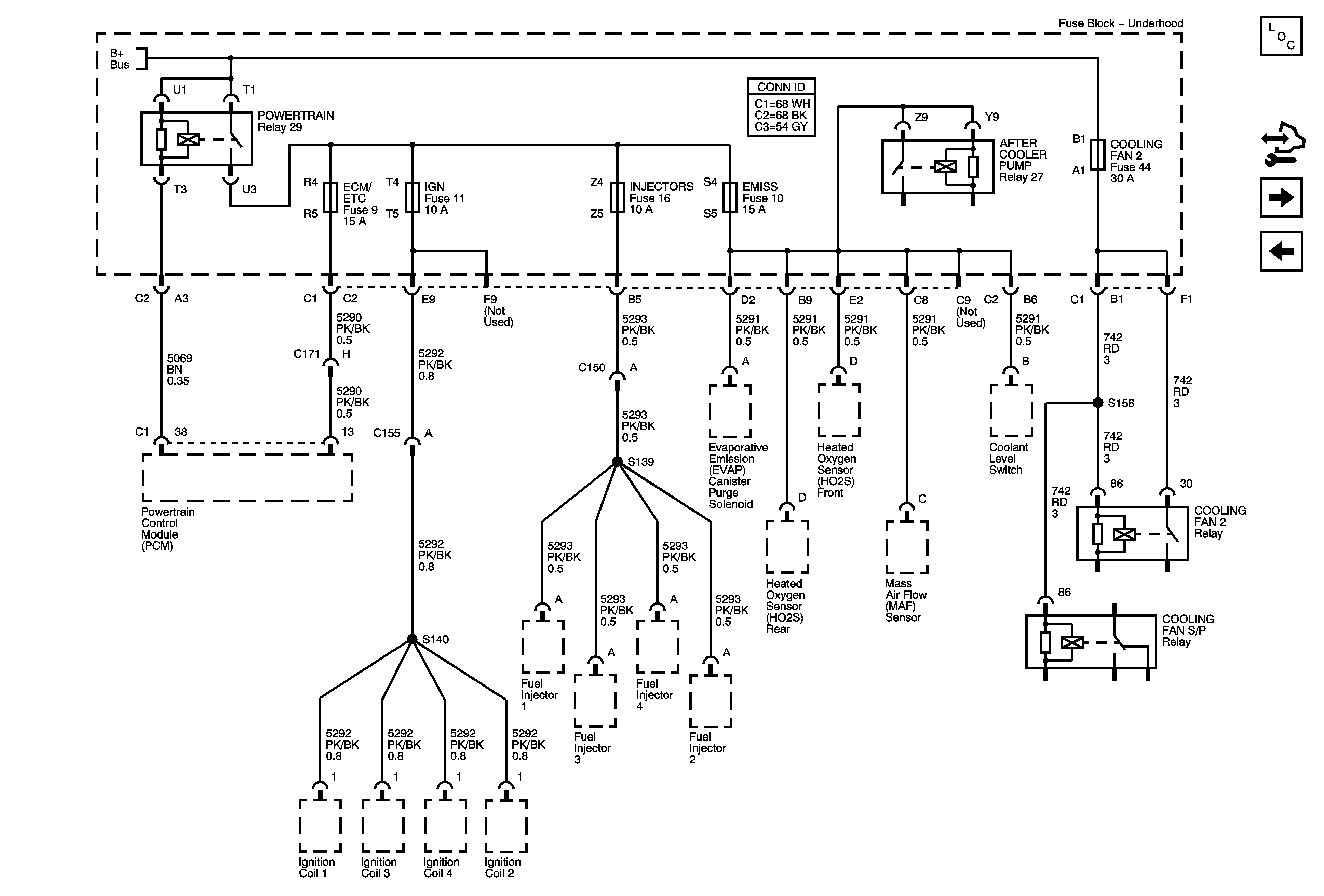
Cooling Fan, ECM/ETC, EMISS, INJECTORS, IGN Fuses, AFTER COOLER PUMP, and POWERTRAIN Relays - 2.0L
AIR BAG/AOS, CLUTCH/BRAKE/AOS, EPS/CRUISE Fuses
B+ Bus
Figure 9:

Cooling Fan, ECM/ETC, EMISS, INJECTORS, and IGN Fuses, AFTER COOLER PUMP and POWERTRAIN RELAYS - 2.0L


Object Number: 1769414  Size: FS
Master Electrical Component List
Control Module References
COOLING FAN 2, ECM/ETC, EMISS, IGN, and INJECTORS Fuses, POWERTRAIN Relay - 2.4L
AIR PUMP RLY, ECM/ETC, EMISS, IGN, and INJECTOR Fuse, AIR SOLENOID, POWERTRAIN Relays - 2.2L
B+ Bus
Figure 10:

COOLING FAN2, ECM/ETC, EMISS, IGN, and INJECTORS Fuses, POWERTRAIN Relay - 2.4L


Object Number: 1769426  Size: FS
Master Electrical Component List
Control Module References
Cooling Fan, ECM/ETC, EMISS, INJECTORS, IGN Fuses, AFTER COOLER PUMP, and POWERTRAIN Relays - 2.0L
B+ Bus