GM Service Manual Online
For 1990-2009 cars only
Makes
🢒
Saturn
🢒
2007
🢒
ION
🢒
Body Systems
🢒
Wipers and Washers
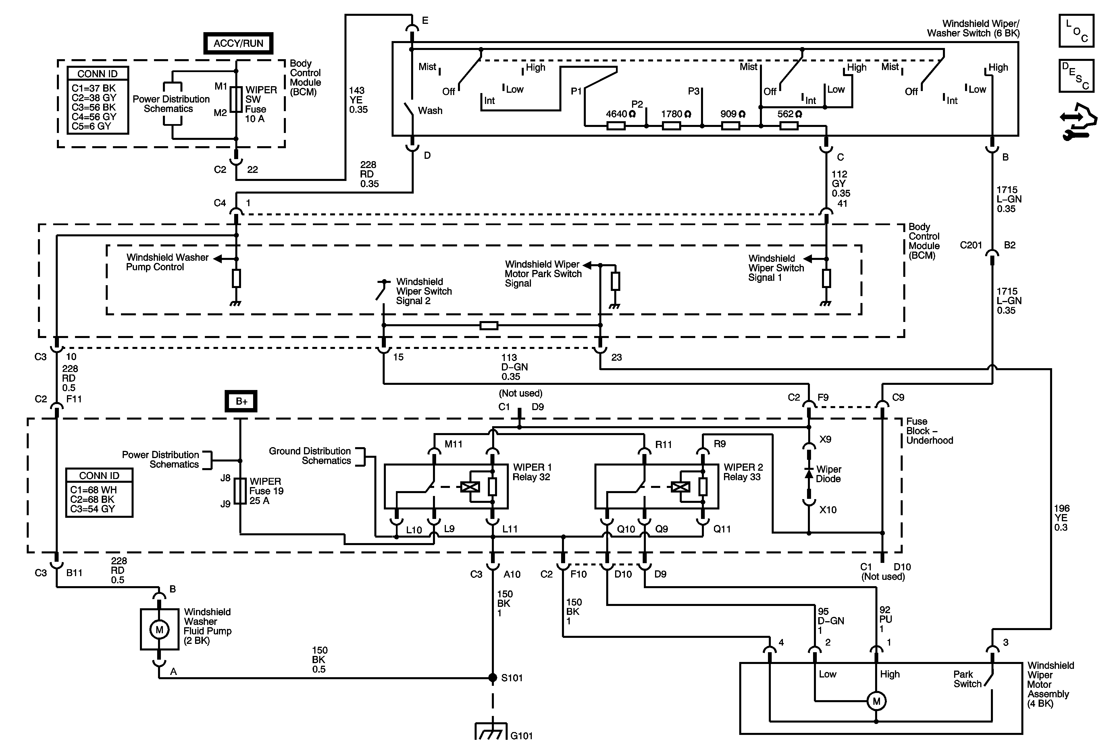
🢒 Wiper/Washer Schematics
Master Electrical Component List
Wiper/Washer System Description and Operation (Front)
Control Module References
BCM (PWR), DASH, IP BATT 1, IP BATT 1A, LIGHTER, ONSTAR, PARK PWR OUTLET, PWR WINDOWS, RADIO (BATT 1), RADIO (ACCY), SUNROOF, and WIPER SW Fuses
B+ Bus
G101
G101