GM Service Manual Online
For 1990-2009 cars only
Figure 1:

Top of the I/P


Object Number: 897561  Size: MF
(1)Ambient Light Sensor (T82)
Figure 2:

Center Console of the Vehicle (MN5)


Object Number: 897547  Size: MF
(1)A/T Shift Lock Control Solenoid
(2)Ignition Lock Cylinder Control Switch
(3)A/T Shift Indicator Lamp
(4)C351
Figure 3:

Driver Door


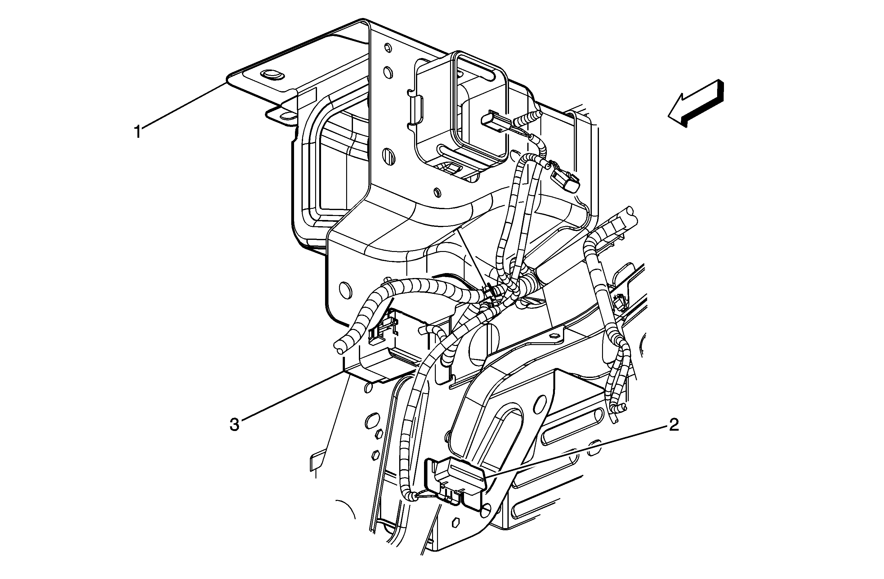
Object Number: 1538473  Size: MF
(1)Driver Outside Rearview Mirror
(2)LF Door Tweeter Speaker (UZ6)
(3)Driver Door Jamb Switch
(4)Instrument Panel (I/P) Dimmer Switch
(5)Fog Lamp Switch (T37)
(6)Rear Compartment Lid Release Switch
(7)LF Door Speaker
(8)Outside Rearview Mirror Switch (DG7)
(9)Window Switch - Driver (A31)
(10)Door Lock Switch - Driver (AU3)
Figure 4:

Front Passenger Door


Object Number: 1538474  Size: MF
(1)Radio
(2)Passenger Door Jamb Switch
(3)RF Door Tweeter Speaker (UZ6)
(4)Radio Antenna
(5)Passenger Outside Rearview Mirror
(6)Front Passenger Door Lock Switch (AU3)
(7)Front Passenger Window Switch (A31)
(8)RF Door Speaker
Figure 5:

Luggage Compartment


Object Number: 1538475  Size: MF
(1)LR Speaker
(2)Audio Amplifier (UZ6)
(3)Rear Compartment Courtesy Lamp
(4)RR Speaker
Figure 6:

Headliner


Object Number: 1538477  Size: MF
(1)Courtesy/Reading Lamp (C74)
(2)Sunroof Switch (CF5)
(3)Sunroof (CF5)
(4)Dome Lamp
Figure 7:

Rear of the Passenger Compartment


Object Number: 1538491  Size: MF
(1)Dome Lamp
(2)Center High Mounted Stop Lamp (CHMSL)
(3)Rear Window Defogger Grid
Figure 8:

Left Rear End of the Vehicle


Object Number: 897595  Size: MF
(1)Tail/Turn Signal Lamp - Left
(2)Tail/Stop Lamp - Left
(3)Backup Lamp - Left
Figure 9:

Right Rear End of the Vehicle


Object Number: 897588  Size: MF
(1)Tail/Turn Signal Lamp - Right
(2)Tail/Stop Lamp - Right
(3)Backup Lamp - Right
Figure 10:

Right Rear Door Jamb Switch in B-Pillar - Sedan


Object Number: 897782  Size: MF
(1)Door Jamb Switch - RR, LR Similar
Figure 11:

Left Front Side of the Vehicle


Object Number: 897835  Size: MF
(1)Windshield Washer Fluid Pump
(2)Horn
(3)Fog Lamp - LF
Figure 12:

Right Front of the Vehicle (T37)


Object Number: 897608  Size: MF
(1)C110
(2)Fog Lamp RF
Figure 13:

Instrument Panel


Object Number: 1538303  Size: MF
(1)Turn Signal/Multifunction Switch
(2)Windshield Wiper/Washer Switch
(3)Hazard Switch
(4)Instrument Panel Cluster (IPC)
(5)Traction Control Switch (NW7)
(6)Radio
(7)A/T Shifter (MN5)
(8)HVAC Control Assembly
(9)Steering Wheel Controls - Right (K34)
(10)Steering Wheel Controls - Left (K34)
(11)Rear Compartment Lid Release Switch
Figure 14:

Left Front of the Vehicle


Object Number: 897864  Size: MF
(1)C111 (Sedan), C110 Similar on Right
(2)Park/Turn Signal Lamp - LF (Sedan), RF Similar
(3)Headlamp - Left (Sedan), Right Similar
(4)Headlamp - Left (Coupe), Right Similar
(5)Park/Turn Signal Lamp - LF (Coupe), RF Similar
Figure 15:

Left Side of the I/P, Under the Tie Bar (T82)


Object Number: 1547344  Size: MF
(1)I/P Tie Bar
(2)Data Link Connector (DLC)
(3)Headlamp Relay
Figure 16:

Vehicle Rear Gate


Object Number: 897671  Size: MF
(1)Rear Component Lid Latch
(2)License Lamp
(3)C401
Figure 17:

Left Front Side of the Vehicle (Coupe)


Object Number: 897937  Size: MF
(1)Marker Lamp - LF, RF Similar
Figure 18:

Lower Left Front of the I/P


Object Number: 898038  Size: MF
(1)Stop Lamp Switch - Upper
(2)Stop Lamp Switch - Lower
Figure 19:

Rear of the Engine (2.2L)


Object Number: 897816  Size: MF
(1)Backup Lamp Switch (M86)
(2)Engine Coolant Tempareture Sensor (ECT)
(3)Heated Oxygen Sensor (HO2S)1
(4)Heated Oxygen Sensor (HO2S)2 Connector
Figure 20:

Top of the Transmission (MU3)


Object Number: 1540077  Size: MF
(1)Backup Lamp Switch