GM Service Manual Online
For 1990-2009 cars only
Figure 1:

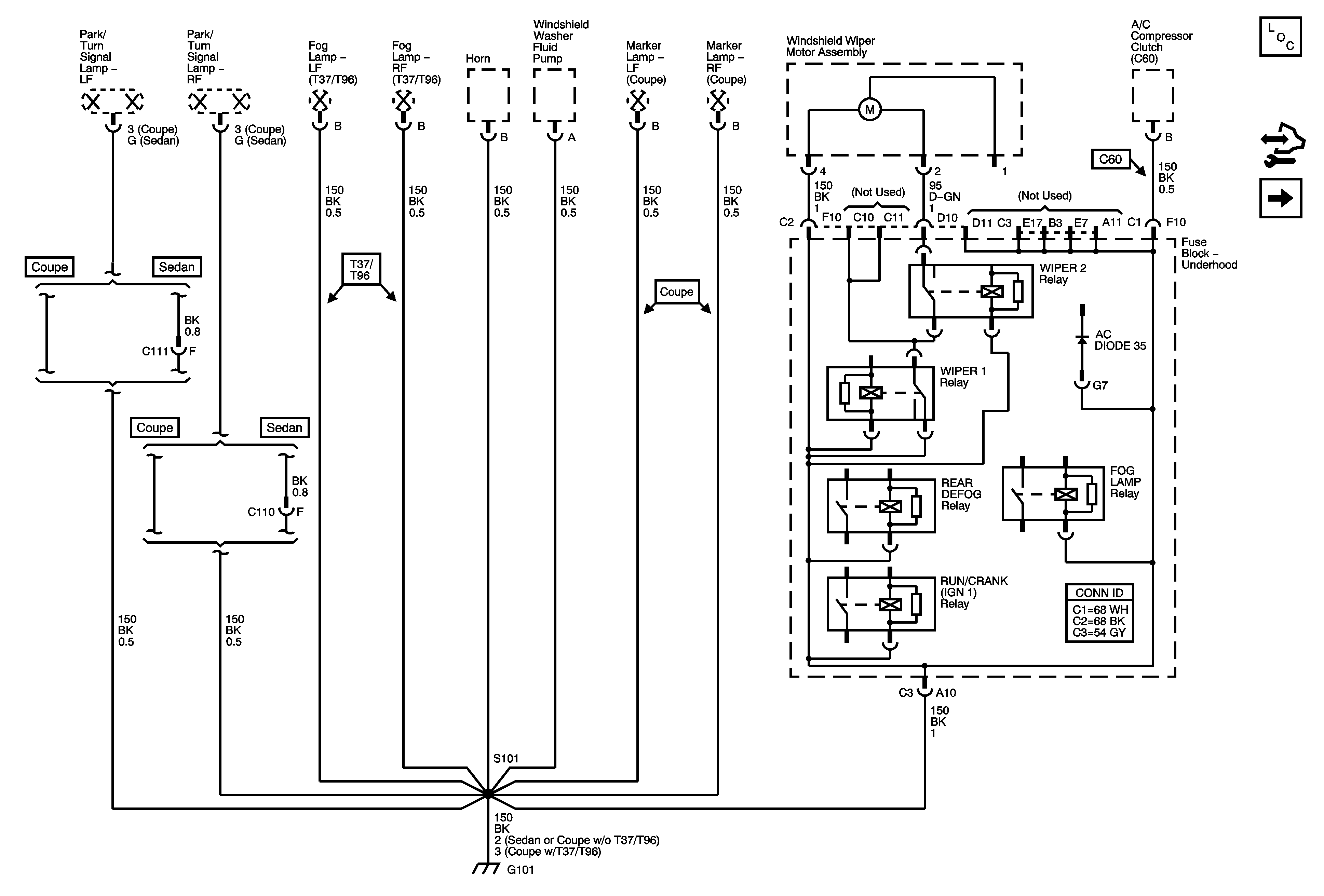
G101


Object Number: 1769441  Size: FS
Master Electrical Component List
Control Module References
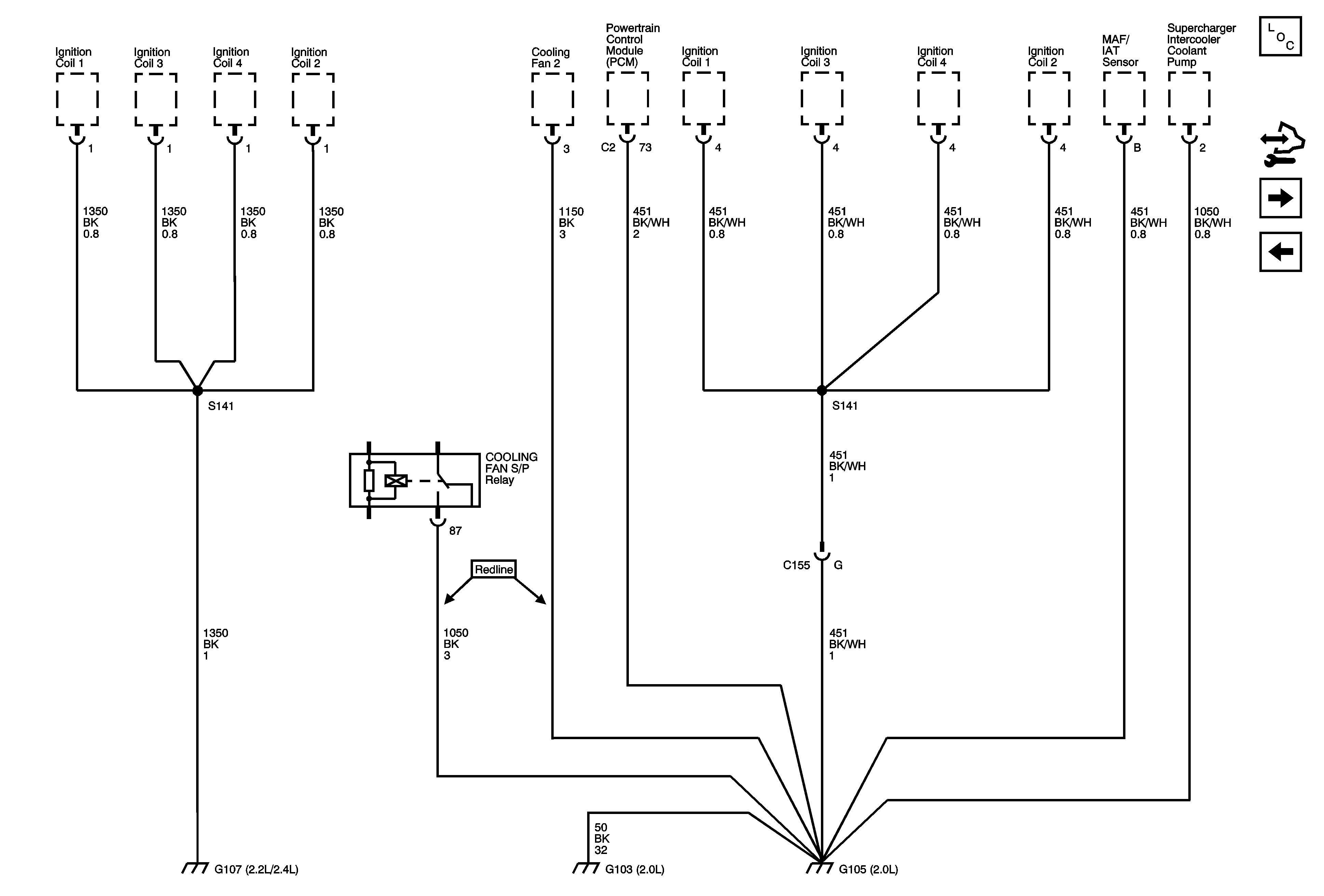
G103 and G105 - 2.0L, G107 - 2.2L / 2.4L
Figure 2:

G103 and G105 - 2.0L, G107 - 2.2L / 2.4L


Object Number: 1769446  Size: FS
Master Electrical Component List
Control Module References
G103, G105 - 2.2L, 2.4L, G109
G101
Figure 3:

G103, G105 - 2.2L, 2.4L, and G109


Object Number: 1769451  Size: FS
Master Electrical Component List
Control Module References
G201
G103 and G105 - 2.0L, G107 - 2.2L / 2.4L
Figure 4:

G201


Object Number: 1769454  Size: FS
Master Electrical Component List
Control Module References
G203
G103, G105 - 2.2L, 2.4L, G109
Power and Grounding Schematic Icons
Power and Grounding Schematic Icons
Figure 5:

G203


Object Number: 1769457  Size: FS
Master Electrical Component List
Control Module References
G301
G201
Power and Grounding Schematic Icons
Power and Grounding Schematic Icons
Figure 6:

G301


Object Number: 1769466  Size: FS
Master Electrical Component List
Control Module References
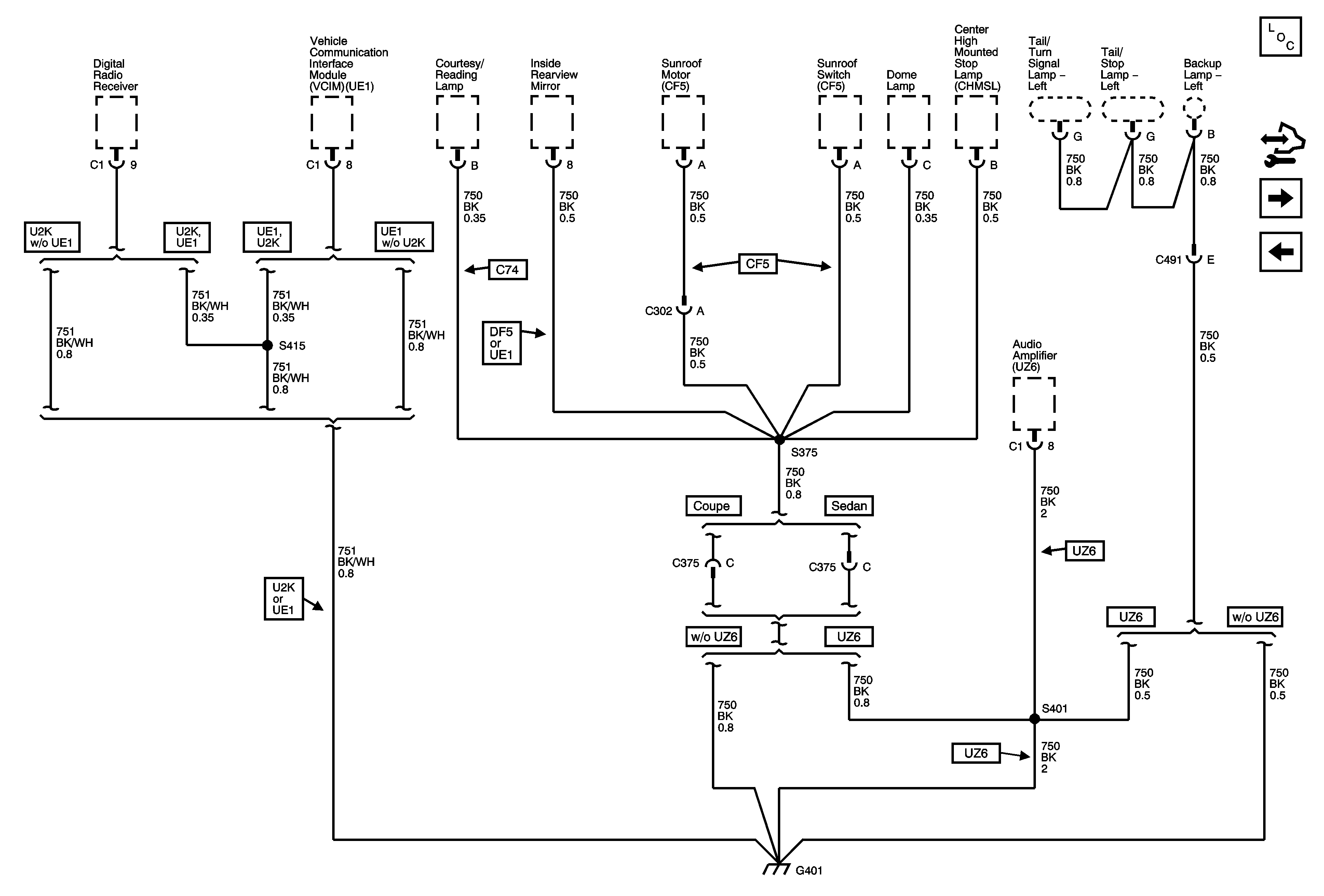
G401
G203
Figure 7:

G401


Object Number: 1769468  Size: FS
Master Electrical Component List
Control Module References
G403, G502
G301
Figure 8:

G403 and G502


Object Number: 1769472  Size: FS
Master Electrical Component List
Control Module References
G401