GM Service Manual Online
For 1990-2009 cars only
Makes
🢒
Saturn
🢒
2007
🢒
ION
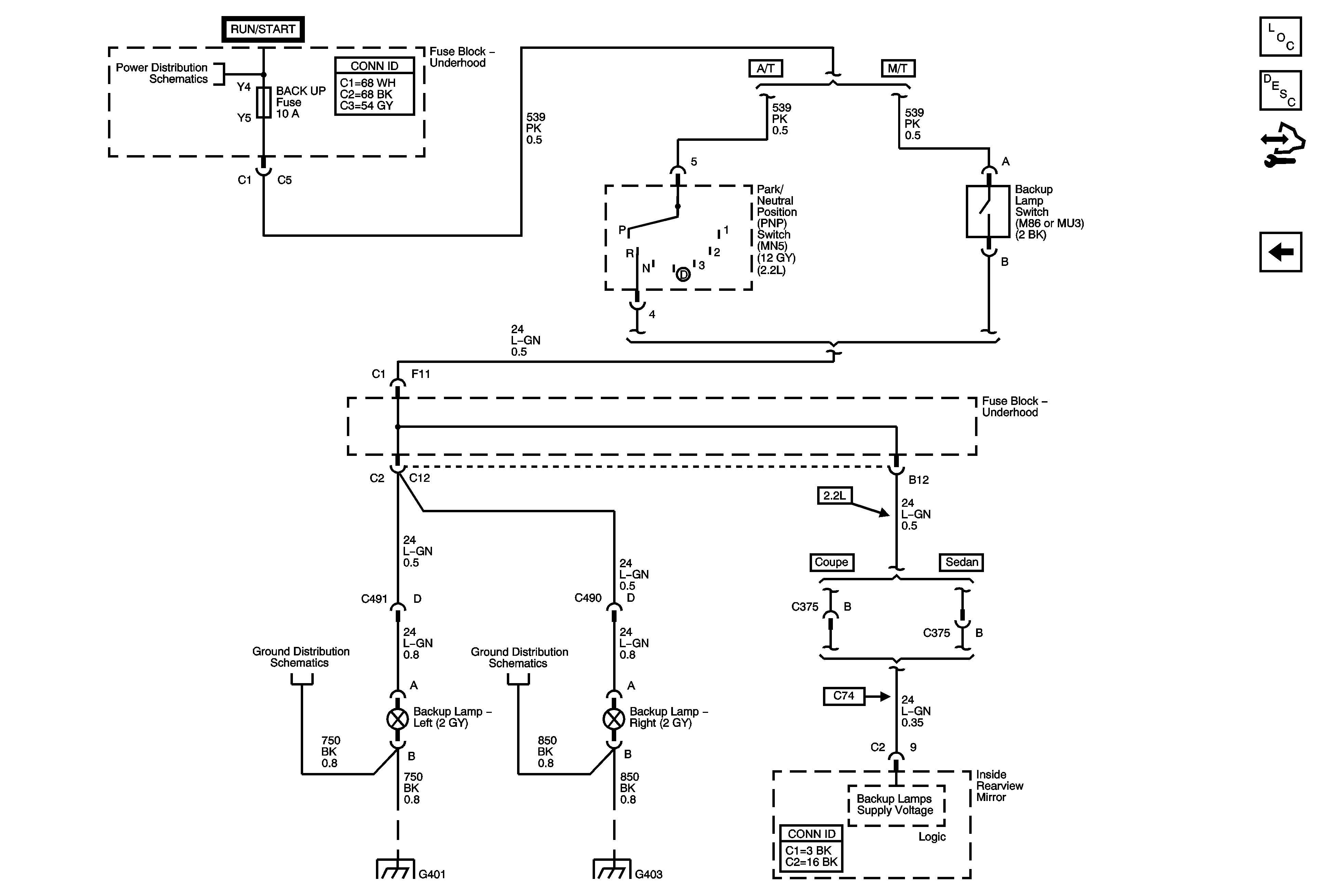
🢒 Backup Lamps
Backup Lamps
Backup Lamps
Master Electrical Component List
Exterior Lighting Systems Description and Operation
Control Module References
Stop Lamps
ABS (IOA), BACK UP, BOOST, ECM, TRANS 1, and TRANS 2 Fuses
G401
G403, G502
G401
G403, G502