GM Service Manual Online
For 1990-2009 cars only
Makes
🢒
Saturn
🢒
2007
🢒
ION
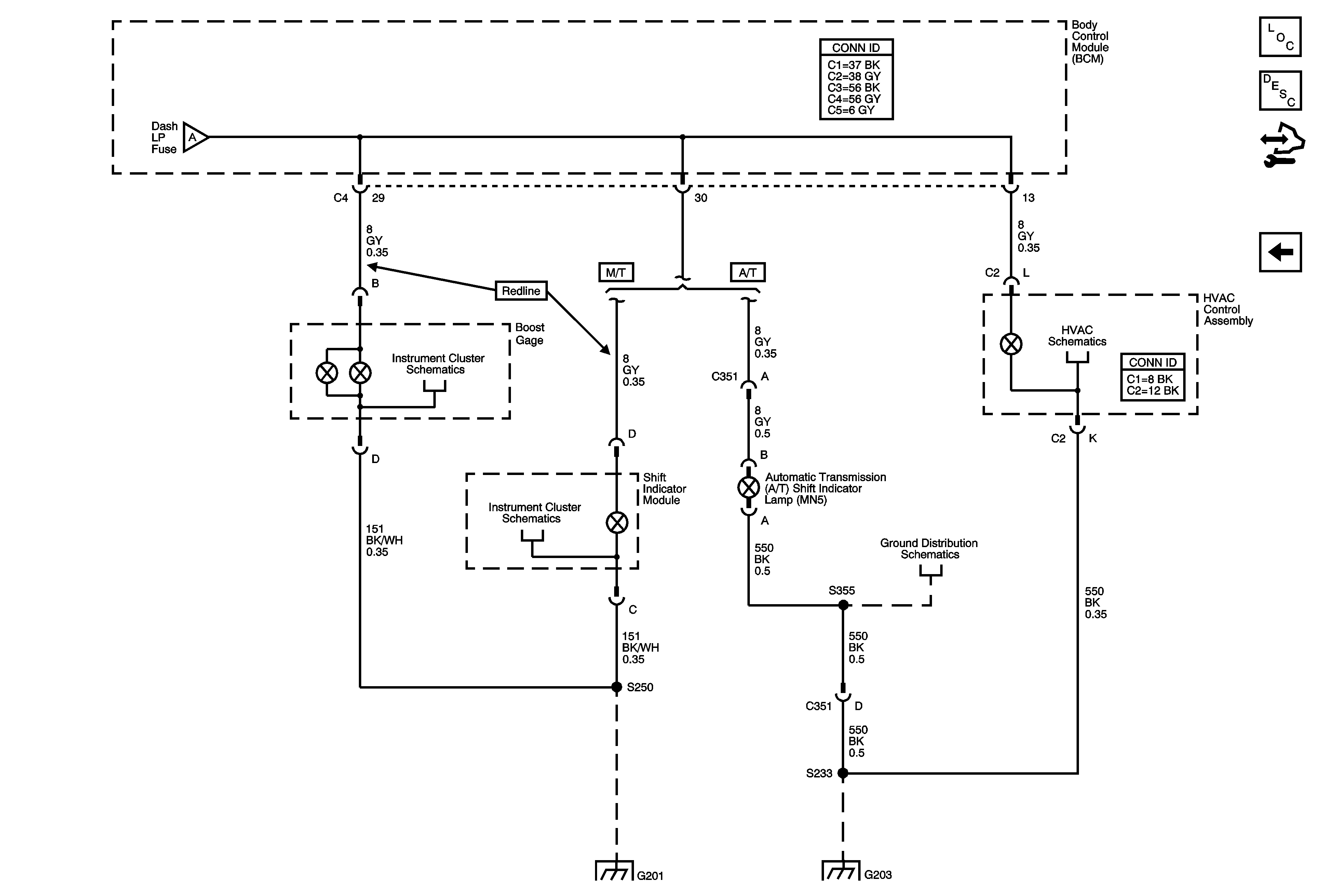
🢒 Shift Indicator Module, Boost Gage, A/T Shift Indicator, and HVAC Control Assembly
Shift Indicator Module, Boost Gage, A/T Shift Indicator, and HVAC Control Assembly
Shift Indicator Module, Boost Gage, A/T Shift Indicator, and HVAC Control Assembly
Master Electrical Component List
Interior Lighting Systems Description and Operation
Control Module References
Turn Signal/Multifunction Switch, Instrument Panel Cluster, I/P Dimmer Switch, Hazard Switch, Fog Lamp Switch, Traction Control Switch, and Radio
Turn Signal/Multifunction Switch, Instrument Panel Cluster, I/P Dimmer Switch, Hazard Switch, Fog Lamp Switch, Traction Control Switch, and Radio
Boost Gage - UXE
Air Recirculation Controls - C60
Boost Gage - UXE
G201
G203