GM Service Manual Online
For 1990-2009 cars only
Makes
🢒
Saturn
🢒
2007
🢒
ION
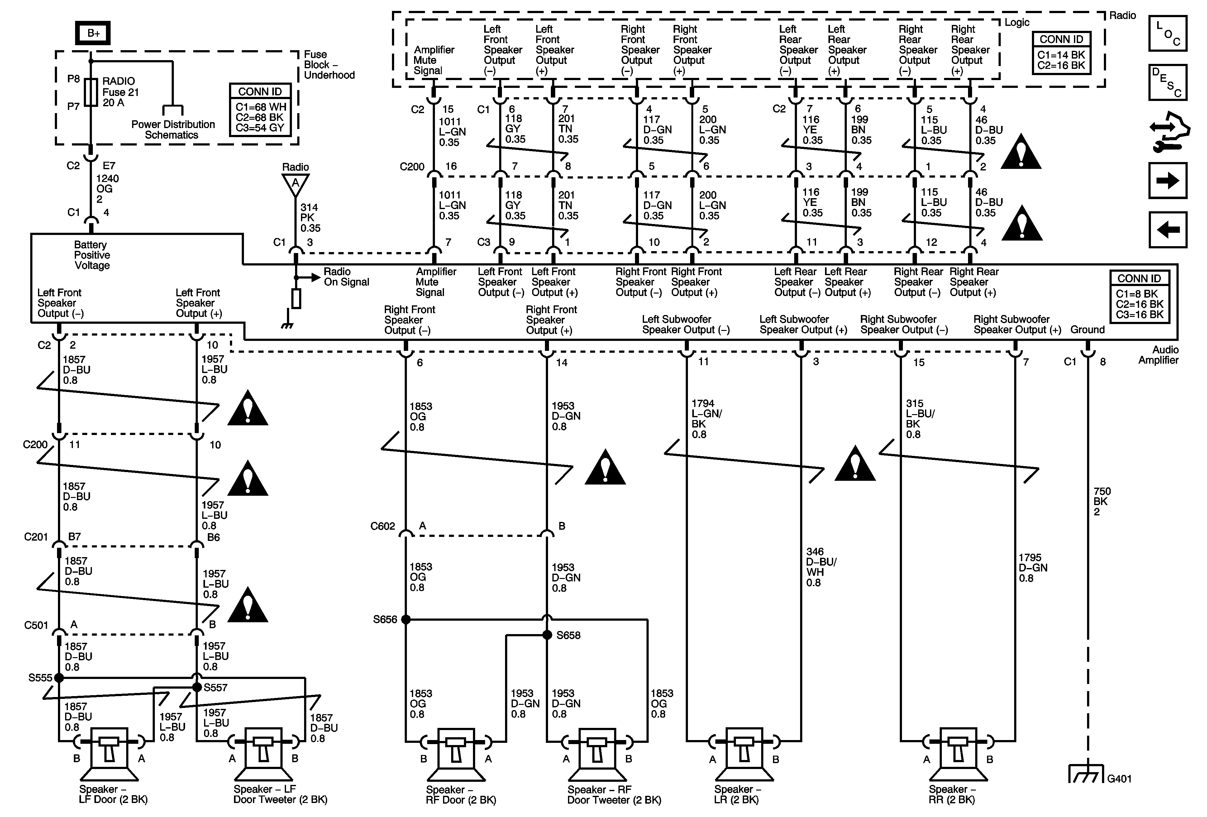
🢒 Radio to Amp to Speakers - UZ6
Radio to Amp to Speakers - UZ6
Radio to Amplifier to Speakers - UZ6
Master Electrical Component List
Radio/Audio System Description and Operation
Control Module References
Digital Radio (U2K)
Speakers - U79/UX7
B+ Bus
Ground/Powers, Signals, and References
Entertainment/Communication Schematic Icons
Entertainment/Communication Schematic Icons
Entertainment/Communication Schematic Icons
Entertainment/Communication Schematic Icons
Entertainment/Communication Schematic Icons
Entertainment/Communication Schematic Icons
Entertainment/Communication Schematic Icons
G401