GM Service Manual Online
For 1990-2009 cars only
Makes
🢒
Saturn
🢒
2007
🢒
ION
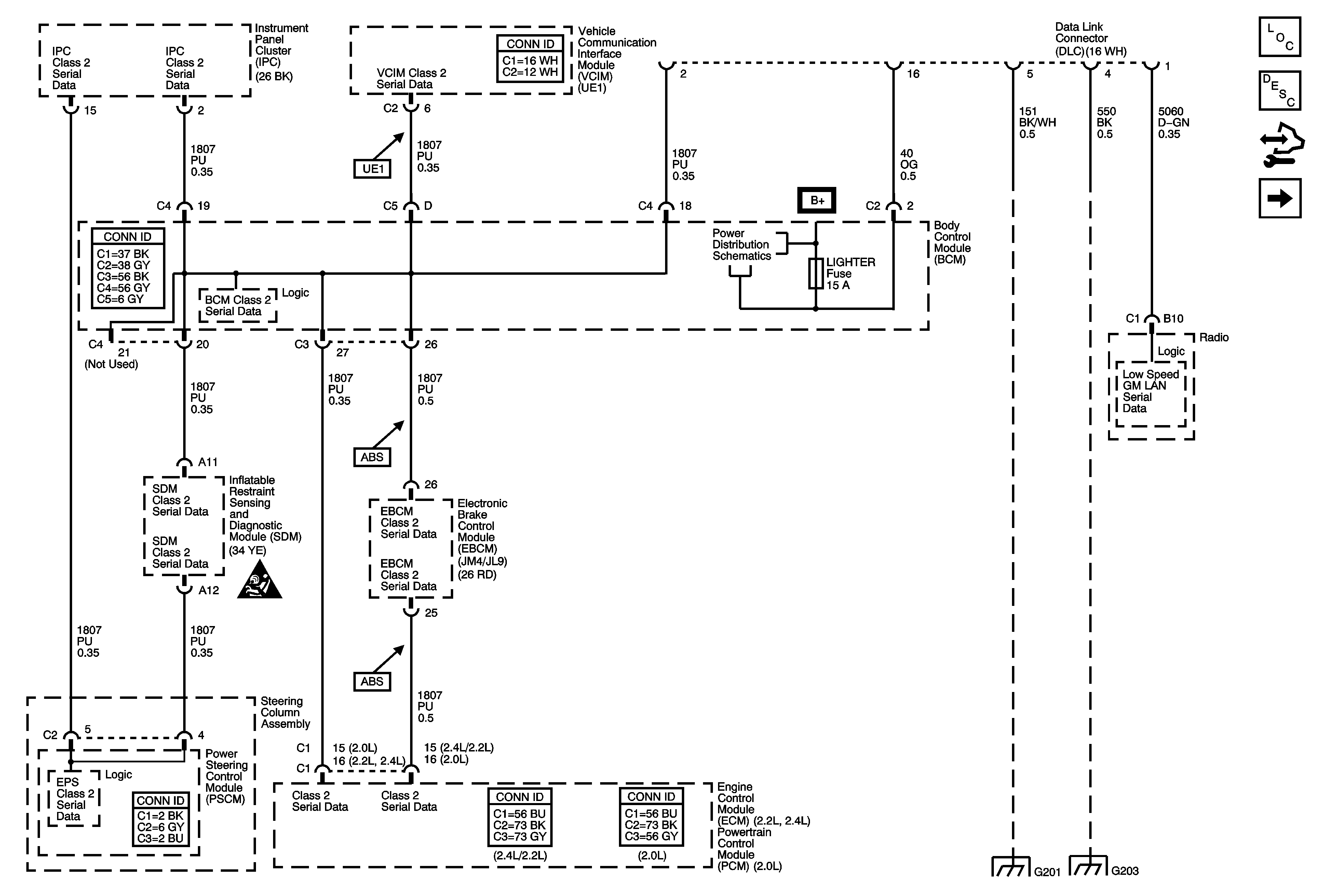
🢒 Power, Ground, Class 2, and Low Speed GMLAN
Power, Ground, Class 2, and Low Speed GMLAN
Power, Ground, Class 2, and Low Speed GM LAN
Master Electrical Component List
Data Link Communications Description and Operation
Control Module References
High Speed GMLAN - 2.2L, 2.4L
BCM (PWR), DASH, IP BATT 1, IP BATT 1A, LIGHTER, ONSTAR, PARK PWR OUTLET, PWR WINDOWS, RADIO (BATT 1), RADIO (ACCY), SUNROOF, and WIPER SW Fuses
Data Communication Schematic Icons
G201
G203